Air Bag Control Module: Service and Repair
INFLATABLE RESTRAINT SENSING AND DIAGNOSTIC MODULE REPLACEMENTCAUTION:
^ Be careful when you handle a Sensing And Diagnostic Module (SDM). Do not strike or jolt the SDM. Before applying power to the SDM:
^ Remove any dirt, grease, etc. from the mounting surface
^ Position the SDM horizontally on the mounting surface
^ Point the arrow on the SDM toward the front of the vehicle
^ Tighten all of the SDM fasteners and SDM bracket fasteners to the specified torque value
Failure to follow the correct procedure could cause air bag deployment, personal injury, or unnecessary SIR system repairs.
^ If any water enters the vehicle's interior up to the level of the carpet or higher and soaks the carpet, the Sensing And Diagnostic Module (SDM) and the SDM harness connector may need to be replaced. The SDM could be activated when powered, which could cause deployment of the air bag(s) and result in personal injury. Before attempting these procedures, the SIR system must be disabled. Refer to Disabling the SIR System. See Air Bag(s) Arming and Disarming.
With the ignition OFF inspect the SDM mounting area, including the carpet. If any significant soaking or evidence of significant soaking is detected, you must perform the following tasks:
1. Remove all water.
2. Repair the water damage.
3. Replace the SDM harness connector.
4. Replace the SDM.
Failure to follow these tasks could result in possible air bag deployment, personal injury, or otherwise unneeded SIR system repairs.
REMOVAL PROCEDURE
1. Disable the SIR system.
2. Remove the passenger front seat.
3. Remove the passenger front carpet retainer, then roll back the carpet.
4. Remove the Connector Position Assurance (CPA) from the Inflatable Restraint Sensing And Diagnostic Module (SDM) connector.
5. Disconnect the SDM connector from the SDM.
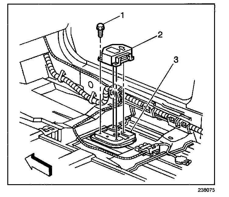
6. Remove the SDM mounting fasteners (1).
7. Remove the SDM (2) from the floor pan (3).
INSTALLATION PROCEDURE
1. Install the SDM (2) to the vehicle (3).
NOTE: Refer to Fastener Notice in Service Precautions.
2. Install the SDM mounting fasteners (1).
Tighten
Tighten fasteners to 10 N.m (89 lb in).
3. Install the SDM connector to the SDM.
4. Install the Connector Position Assurance (CPA) to the SDM connector.
5. Position the carpet to cover the SDM then install the carpet retainer.
6. Install the passenger front seat.
7. Enable the SIR system.