Operation CHARM: Car repair manuals for everyone.
Manuals through 2025 now available!

Our trusted friends have launched a new website named LEMON, which has newer manuals. It also contains all the CHARM manuals.

LEMON is the spiritual successor to CHARM, I recommend you try it!

Link: lemon-manuals.la or lemon-manuals.org.ua

(Some people have issue connecting. LEMON is investigating. For now, use Firefox or change your DNS server)

Or, hide this message: temporarily or permanently

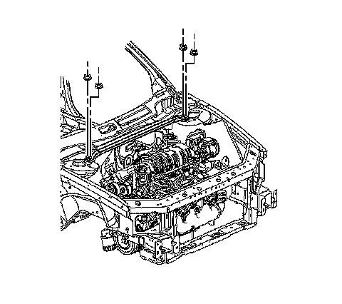
Cross-Member: Service and Repair



Brace Replacement - Cross Vehicle

Removal Procedure





1. Open the hood.
2. Remove the nuts from the cross vehicle brace.
3. Remove the cross vehicle brace from the vehicle.

Important: The stud plates will fall out and possibly get caught under the vehicle, a helper should hold the stud plates during the removal.






4. Remove the stud plates push on nuts.
5. Remove the stud plates from the vehicle.



Installation Procedure


Important: The stud plates will require a helper to hold the stud plates during the installation of the push on nuts.






1. Install the stud plates to the vehicle.
2. Install the stud plates push on nuts to the studs.




3. Install the cross vehicle brace onto the stud plates.

Notice: Refer to Fastener Notice in Cautions and Notices.





4. Install the nuts to retain the cross vehicle brace to the vehicle.

Tighten the nuts to 18 N.m (13 lb ft).

5. Close the hood.