Operation CHARM: Car repair manuals for everyone.
Manuals through 2025 now available!

Our trusted friends have launched a new website named LEMON, which has newer manuals. It also contains all the CHARM manuals.

LEMON is the spiritual successor to CHARM, I recommend you try it!

Link: lemon-manuals.la or lemon-manuals.org.ua

(Some people have issue connecting. LEMON is investigating. For now, use Firefox or change your DNS server)

Or, hide this message: temporarily or permanently

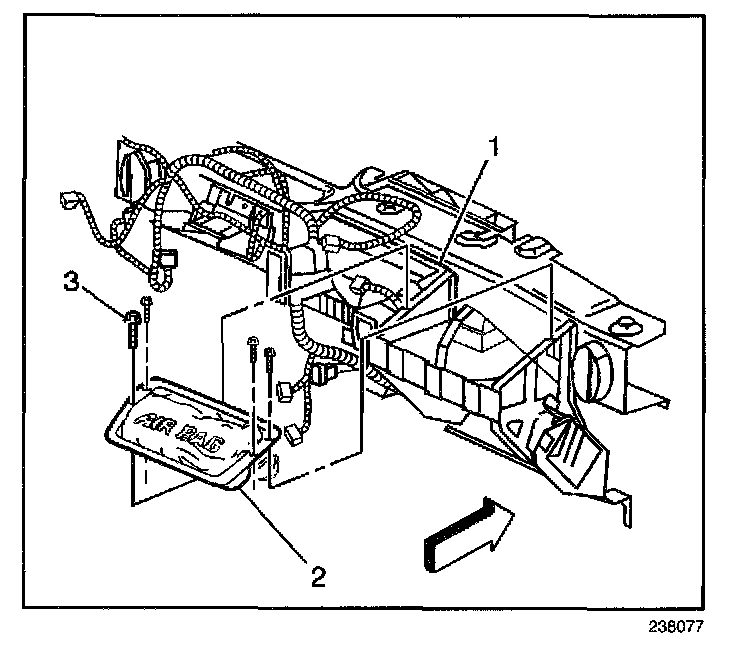
Instrument Panel Module Replacement

REMOVAL PROCEDURE

CAUTION: Refer to SIR Inflator Module Handling And Storage Caution in Service Precautions.




1. Disable the SIR system. Refer to Air Bag(s) Arming and Disarming.
2. Remove the instrument panel (I/P) trim pad.
3. Remove the mounting fasteners (3) from the inflatable restraint I/P module.
4. Remove the I/P module (2) from the cross-car beam (1).
5. Fully deploy the module before disposal. If the module was replaced under warranty, fully deploy and dispose of the module after the required retention period.

INSTALLATION PROCEDURE




1. Install the I/P module (2) to the cross-car beam (1).

NOTE: Refer to Fastener Notice in Service Precautions.

2. Install the I/P module mounting fasteners (3).

Tighten
Tighten the fasteners to 10 N.m (89 lb in).

3. Install the I/P trim pad.
4. Enable the SIR system. Refer to Air Bag(s) Arming and Disarming.