Operation CHARM: Car repair manuals for everyone.
Manuals through 2025 now available!

Our trusted friends have launched a new website named LEMON, which has newer manuals. It also contains all the CHARM manuals.

LEMON is the spiritual successor to CHARM, I recommend you try it!

Link: lemon-manuals.la or lemon-manuals.org.ua

(Some people have issue connecting. LEMON is investigating. For now, use Firefox or change your DNS server)

Or, hide this message: temporarily or permanently

Housing Assembly HVAC: Service and Repair

HVAC MODULE ASSEMBLY REPLACEMENT

^ J 43600 ACR 2000 Air Conditioning Service Center
^ J 38185 Hose Clamp Plier
^ J 39400-A Halogen Leak Detector

REMOVAL PROCEDURE




1. Recover the refrigerant. Refer to Refrigerant Recovery and Recharging.
2. Drain the coolant. Refer to Draining and Filling Cooling System in Cooling System.
3. Remove the evaporator hose nut.
4. Disconnect the evaporator hose connection at the evaporator.




5. Remove the heater hoses from the heater core using the J 38185.
6. Plug the heater core and evaporator openings to prevent leaking into the vehicle when removing module assembly.




7. Remove the IP assembly.
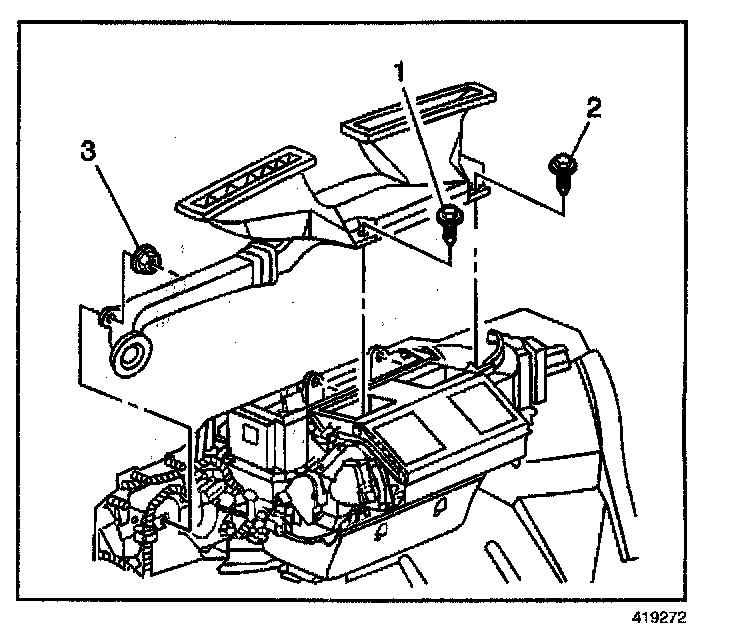
8. Remove the defroster duct retaining screws (1,2).
9. Remove the defroster duct nut (3).
10. Remove the defroster duct.
11. Remove the air distributor duct screws.
12. Remove the air distributor duct.




13. Disconnect the blower control module (1) connection.
14. Disconnect the I/P to HVAC module (2) connection.




15. Remove the HVAC module retaining nuts (1-5).
16. Remove the HVAC module.

INSTALLATION PROCEDURE




1. Install the HVAC module.

NOTE: Refer to Fastener Notice in Service Precautions.

2. Install the HVAC module nuts to the dash (1-5).

Tighten
Tighten the nuts in sequence (1-5) to 9 N.m (80 lb in).




3. Connect the blower control module (1) connection.
4. Connect the I/P harness to HVAC module connector (2).




5. Install the defroster duct.
6. Install the defroster duct module mounting screws (1,2).

Tighten
Tighten the screws to 1.4 N.m (12 lb in).

7. Install the defroster duct mounting nut (3) to the front of dash.

Tighten
Tighten the nut to 9 N.m (80 lb in).

8. Install the air distributor duct.
9. Install the air distributor duct screws.

Tighten
Tighten the screws to 1.4 N.m (12 lb in).

10. Install the IP assembly.




11. Install the heater hoses to the heater core using the J 38185.




12. Install new seal washers to the fitting.
13. Connect the evaporator hose connection to the evaporator.
14. Install the evaporator hose nut.

Tighten
Tighten the nut to 20 N.m (15 lb ft).

15. Recharge the A/C system. Refer to Refrigerant Recovery and Recharging
16. Leak test the component using the J 39400-A.
17. Refill the engine coolant. Refer to Draining and Filling Cooling System in Cooling System.