Operation CHARM: Car repair manuals for everyone.
Manuals through 2025 now available!

Our trusted friends have launched a new website named LEMON, which has newer manuals. It also contains all the CHARM manuals.

LEMON is the spiritual successor to CHARM, I recommend you try it!

Link: lemon-manuals.la or lemon-manuals.org.ua

(Some people have issue connecting. LEMON is investigating. For now, use Firefox or change your DNS server)

Or, hide this message: temporarily or permanently

Power Sunroof Express Module Replacement

REMOVAL PROCEDURE




1. Remove the passenger side rear assist handle.




2. Remove the rear seat cushion.




3. Remove the rear seat back.




4. Remove the passenger side rear sail panel.

IMPORTANT: Release the passenger side center pillar trim garnish molding upper retainer.




5. Carefully pull the upper center trim panel inward in order to allow clearance for the headliner.
6. Carefully pull the passenger side of the headliner downward in order to release the center and rearward headliner roof magnets.




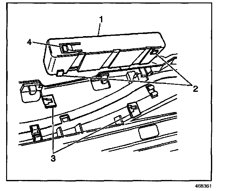
7. Reach inward between the headliner and roof panel in order to release the sunroof express module clip (3) securing the express module (1) to the sunroof module (2).
8. With the clip (3) depressed, slide the express module toward the sunroof actuator motor.




9. Disconnect the electrical connectors.
10. Remove the sunroof express module from the vehicle.

INSTALLATION PROCEDURE




1. Connect the electrical connectors to the sunroof express module.




2. Install the sunroof express module tabs (2) into the sunroof module slots (3) located on the sunroof module.
3. Slide the sunroof express module (1) away from the sunroof motor until the sunroof express module is fully engaged to the sunroof module.

IMPORTANT: Test the proper operation of the sunroof functions before installing the interior trim components.

4. Reposition the headliner to the center and rearward roof magnets.




5. Install the passenger side sail panel.




6. Install the rear seat back.




7. Install the rear seat cushion.




8. Align the upper center trim panel retainer, push inward in order to secure.
9. Reposition the passenger rear door opening weatherstrip




10. Install the passenger side rear assist handle (1).
11. Close the passenger rear door.