Operation CHARM: Car repair manuals for everyone.
Manuals through 2025 now available!

Our trusted friends have launched a new website named LEMON, which has newer manuals. It also contains all the CHARM manuals.

LEMON is the spiritual successor to CHARM, I recommend you try it!

Link: lemon-manuals.la or lemon-manuals.org.ua

(Some people have issue connecting. LEMON is investigating. For now, use Firefox or change your DNS server)

Or, hide this message: temporarily or permanently

Lamp Control Module: Service and Repair

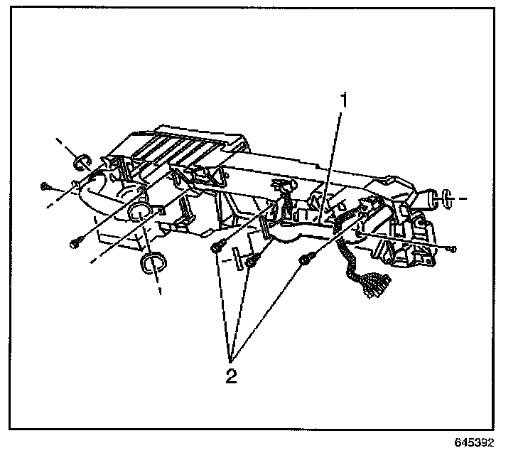
REMOVAL PROCEDURE




1. Remove the lower IP trim panel.
2. Remove the fasteners (2) securing the heater A/C duct.
3. Move the heater A/C duct aside in order to gain access to the panel dimming control module bracket.




4. Remove three fasteners (3) securing the lamp control module bracket to the instrument panel.
5. Disconnect the electrical connectors from the lamp control module (2).

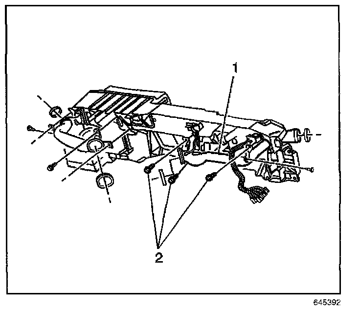
INSTALLATION PROCEDURE




1. Connect the electrical connectors from the lamp control module (2).
2. Install the lamp control module bracket (2) to the instrument panel.




3. Reposition the heater A/C duct.
4. Install the fasteners (2) securing the heater A/C duct.
5. Install the lower IP trim panel.