Air Flow Meter/Sensor: Service and Repair
MASS AIR FLOW (MAF) SENSOR REPLACEMENTREMOVAL PROCEDURE
1. Turn OFF the ignition.
2. Remove the fuel injection sight shield.
IMPORTANT: The mass air flow (MAF) sensor on this engine is attached to the throttle body assembly.
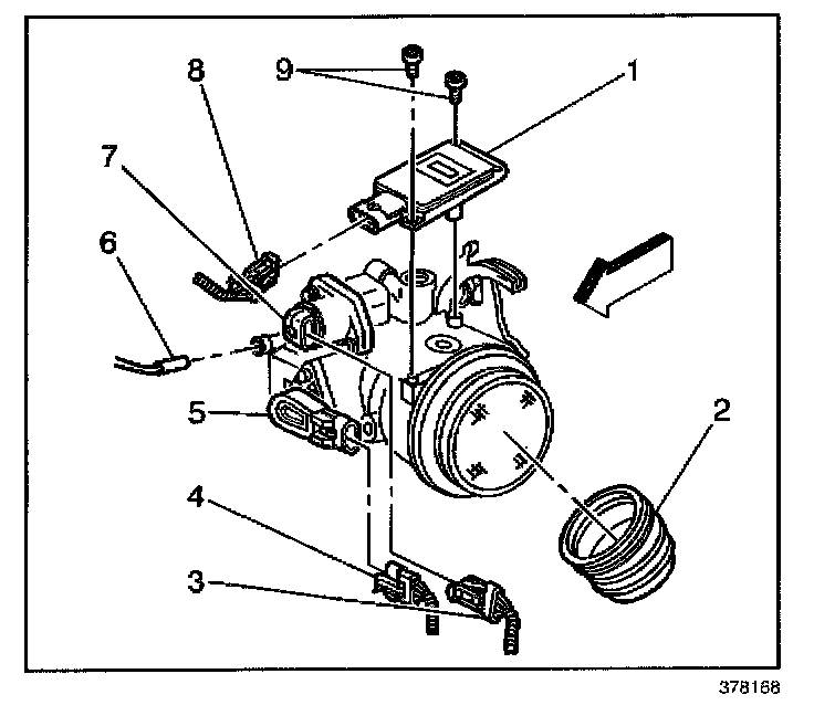
3. Disconnect the MAF sensor electrical connector (8) from the MAF sensor (1).
4. Remove the screws (9) that hold the MAF sensor to the throttle body.
5. Remove the MAF sensor (1) from the throttle body.
INSTALLATION PROCEDURE
1. Install the MAF sensor (1) to the throttle body.
NOTE: Refer to Fastener Notice in Service Precautions.
2. Install the screws (9) that hold the MAF sensor to the throttle body.
Tighten
Tighten the screws to 3 N.m (27 lb in).
3. Connect the MAF sensor electrical connector (8) to the MAF sensor (1).
4. Install the fuel injection sight shield.