Operation CHARM: Car repair manuals for everyone.
Manuals through 2025 now available!

Our trusted friends have launched a new website named LEMON, which has newer manuals. It also contains all the CHARM manuals.

LEMON is the spiritual successor to CHARM, I recommend you try it!

Link: lemon-manuals.la or lemon-manuals.org.ua

(Some people have issue connecting. LEMON is investigating. For now, use Firefox or change your DNS server)

Or, hide this message: temporarily or permanently

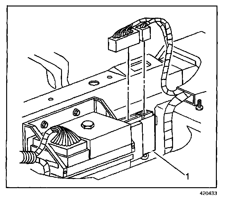
Door Control Module Replacement - Rear

REMOVAL PROCEDURE




1. Remove the rear seat cushion.
2. Disconnect the electrical connectors to the rear door module (1).
3. Remove the fasteners retaining the junction block to the rear floor.
Set the junction block aside.
4. Remove the fastener retaining the rear door module (1).
5. Remove the module (1).

INSTALLATION PROCEDURE




1. Install the module (1).
2. Install the junction block into position.
3. Install the fasteners.
4. Connect the electrical connector to the module (1).
5. Install the rear seat cushion.