Operation CHARM: Car repair manuals for everyone.
Manuals through 2025 now available!

Our trusted friends have launched a new website named LEMON, which has newer manuals. It also contains all the CHARM manuals.

LEMON is the spiritual successor to CHARM, I recommend you try it!

Link: lemon-manuals.la or lemon-manuals.org.ua

(Some people have issue connecting. LEMON is investigating. For now, use Firefox or change your DNS server)

Or, hide this message: temporarily or permanently

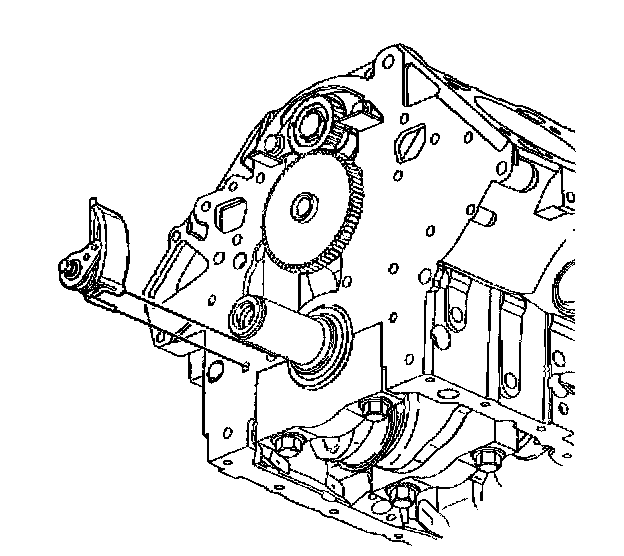
Timing Chain: Service and Repair

Timing Chain and Sprockets Replacement

^ Tools Required
- J 36660-A Electronic Torque Angle Meter

Removal Procedure





1. Remove the engine front cover.
2. Align the timing marks on the sprockets so that they are as close as possible.





3. Remove the timing chain dampener.





4. Remove the camshaft sprocket bolt.





5. Remove the camshaft sprocket and the timing chain.

Important: If the sprocket does not come off easily, a light blow on the lower edge of the sprocket with a plastic mallet should dislodge the sprocket.

6. Remove the crankshaft sprocket.





7. Remove the balance shaft drive gear in order to access the camshaft thrust plate.





8. Remove the camshaft thrust plate bolts.
9. Remove the camshaft thrust plate.





10. Remove the balance shaft driven gear bolt.
11. Remove the balance shaft driven gear.
12. Clean and inspect all of the components for wear and/or damage. 13. If the pistons have been moved in the engine, use the following procedure:
13.1. Turn the crankshaft so that the number one piston is at top dead center.
13.2. Turn the camshaft so that, with the sprocket temporarily installed, the timing mark is straight down.

Installation Procedure





1. Install the balance shaft driven gear.

Notice:
^ Refer to Fastener Notice in Service Precautions.
^ This bolt is designed to permanently stretch when tightened. The correct part number fastener must be used to replace this type of fastener. Do not use a bolt that is stronger in this application. If the correct bolt is not used, the parts will not be tightened correctly. The system or the components may be damaged.

2. Prevent the balance shaft from rotating and install the balance shaft driven gear bolt.
Tighten the balance shaft driven gear bolt to 22 Nm (16 ft. lbs.). Use the J 36660-A in order to rotate the bolts an additional 70 degrees.





3. Install the camshaft thrust plate.
4. Install the camshaft thrust plate bolts.
Tighten the camshaft thrust plate bolts to 15 Nm (11 ft. lbs.).





5. Install the balance shaft drive gear.





6. Align the timing marks on the balance shaft drive gear and the balance shaft driven gear.





7. Install the crankshaft sprocket.
8. Install the timing chain and sprocket.





9. Assemble the timing chain on the sprockets with the timing marks as close together as possible.





10. Install the camshaft sprocket bolt.
Tighten the camshaft sprocket bolt to 100 Nm (74 ft. lbs.). Use the J 36660-A in order to rotate the bolts an additional 90 degrees.





11. Install the timing chain dampener.
Tighten the dampener bolt to 22 Nm (16 ft. lbs.).

Important: Rotate the engine two revolutions and check the timing marks. Ensure that the marks are aligned.

12. Install the engine front cover.