Timing Cover: Service and Repair
Engine Front Cover Replacement^ Tools Required
- J 35354 Seal Installer
Removal Procedure
1. Disconnect the negative battery cable.
2. Raise and support the vehicle. Refer to Vehicle Lifting.
3. Drain the engine oil.
4. Drain the cooling system.
5. Lower the vehicle.
6. Loosen the water pump pulley bolts.
7. Remove the drive belt tensioner.
8. Remove the water pump pulley.
9. Remove the crankshaft balancer.
Important: Be careful not to damage the crankshaft.
10. Pry out the crankshaft front oil seal with a suitable tool such as a large screwdriver. Use care to avoid damaging the crankshaft front oil seal bore or the crankshaft front oil seal contact surfaces.
11. Disconnect the electrical connectors from the following:
^ Camshaft position (CMP) sensor
^ Crankshaft position (CKP) sensor
^ Oil pressure sensor.
12. Remove the crankshaft position sensor shield.
13. Remove the radiator outlet hose from the water pump.
14. Lower the vehicle.
15. Install the engine support fixture.
16. Raise the vehicle.
Important: The oil pan can be dropped slightly for engine front cover clearance if all pan bolts are loosened and the oil level sensor is removed.
17. Remove the oil filter.
18. Remove the engine mount bracket for oil pan access.
19. Disconnect the oil level sensor electrical connector.
20. Remove the oil level sensor.
21. Remove the oil pan-to-engine front cover bolts.
22. Loosen the remaining oil pan bolts to gain access for the engine front cover removal. DO NOT remove the remaining oil pan bolts.
23. Remove the crankshaft position sensor.
24. Remove the engine front cover bolts.
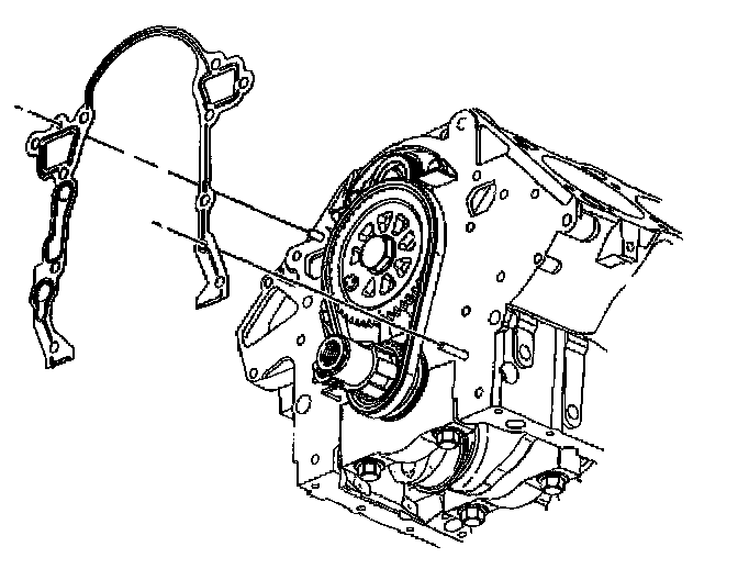
25. Remove the engine front cover with the oil filter adapter as one assembly.
26. Remove the engine front cover gasket.
27. If replacing the engine front cover, remove the oil filter adapter and pressure relief valve from the engine front cover.
28. If replacing the engine front cover, remove the water pump from the engine front cover.
29. If replacing the engine front cover, remove the oil pump cover and gear set from the engine front cover.
30. Inspect the oil pump cover and gear set.
31. If replacing the engine front cover, remove the camshaft position sensor from the engine front cover.
32. Inspect the timing chain for overall in and out movement. Maximum movement is 25.4 mm (1 inch).
33. Inspect the sprockets for wear.
34. Inspect the oil pan gasket. Replace the oil pan gasket if necessary.
35. Clean the engine front cover mating surfaces.
Installation Procedure
Notice: Refer to Fastener Notice in Service Precautions.
1. If replacing the engine front cover, install the camshaft position sensor to the engine front cover.
Tighten the camshaft position sensor bolts to 10 Nm (89 inch lbs.).
2. If replacing the engine front cover, install the oil pump cover and gear set to the engine front cover.
3. If replacing the engine front cover, install the water pump.
4. Install the water pump bolts.
Tighten the water pump bolts in the following sequence:
^ Tighten the long water pump bolts to 20 Nm (15 ft. lbs.).
^ Tighten the short water pump bolts to 15 Nm (11 ft. lbs.).
5. If replacing the engine front cover, install the pressure relief valve, the oil filter adapter and the oil filter adapter bolts to the engine front cover.
Tighten the bolts to 30 Nm (22 ft. lbs.).
6. Install the new engine front cover gasket. Ensure that the sealing surfaces are not damaged.
7. Apply sealer GM P/N 12346004 (Canadian P/N 10953480) or equivalent to the bolt threads.
8. Align the cogs on the crankshaft sprocket with the cogs on the oil pump gear set in the engine front cover.
9. Install the engine front cover to the engine.
10. Install the engine front cover bolts (1-7).
Tighten the bolts to 34 Nm (25 ft. lbs.).
11. Install the crankshaft position sensor.
Tighten the crankshaft position sensor studs to 30 Nm (22 ft. lbs.).
12. Install the new engine front cover seal using J 35354.
13. Tighten the bolt until the crankshaft front oil seal is seated in the engine front cover.
14. Remove the J 35354.
15. Install the oil pan-to-engine front cover bolts.
Tighten the oil pan bolts to 14 Nm (125 inch lbs.).
16. Install the oil level sensor.
Tighten the sensor to 20 Nm (15 ft. lbs.).
17. Connect the oil level sensor electrical connector.
18. Install the engine mount bracket.
19. Install the water pump pulley and bolts.
Tighten the bolts to 13 Nm (116 inch lbs.).
20. Install the radiator outlet hose to the water pump.
21. Install the oil filter. Install the engine oil pan drain plug.
22. Install the crankshaft position sensor shield.
23. Connect the electrical connectors to the following:
^ Oil pressure sensor.
^ Crankshaft Position (CKP) sensor
^ Camshaft Position (CMP) sensor
24. Install the crankshaft balancer.
25. Lower the vehicle.
26. Remove the engine support fixture.
27. Install the drive belt tensioner.
28. Fill the cooling system.
29. Fill the crankcase with engine oil.
30. Connect the negative battery cable.
31. Inspect for leaks.
32. Perform the CKP system variation learn procedure.