Operation CHARM: Car repair manuals for everyone.
Manuals through 2025 now available!

Our trusted friends have launched a new website named LEMON, which has newer manuals. It also contains all the CHARM manuals.

LEMON is the spiritual successor to CHARM, I recommend you try it!

Link: lemon-manuals.la or lemon-manuals.org.ua

(Some people have issue connecting. LEMON is investigating. For now, use Firefox or change your DNS server)

Or, hide this message: temporarily or permanently

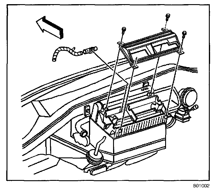
Aspirator: Service and Repair

ASPIRATOR REPLACEMENT

REMOVAL PROCEDURE




1. Remove the left side insulator.
2. Remove the aspirator hose at the muffler.
3. Remove the aspirator mounting screws.
4. Use a flat blade tool to pry the aspirator out of the HVAC case.

INSTALLATION PROCEDURE




1. Install the aspirator into the case.

NOTE: Refer to Fastener Notice in Service Precautions.

2. Install the aspirator mounting screws.

Tighten
Tighten the screws to 1.4 N.m (12 lb in).

3. Connect the aspirator hose to the muffler.
4. Install the left side insulator.