Operation CHARM: Car repair manuals for everyone.
Manuals through 2025 now available!

Our trusted friends have launched a new website named LEMON, which has newer manuals. It also contains all the CHARM manuals.

LEMON is the spiritual successor to CHARM, I recommend you try it!

Link: lemon-manuals.la or lemon-manuals.org.ua

(Some people have issue connecting. LEMON is investigating. For now, use Firefox or change your DNS server)

Or, hide this message: temporarily or permanently

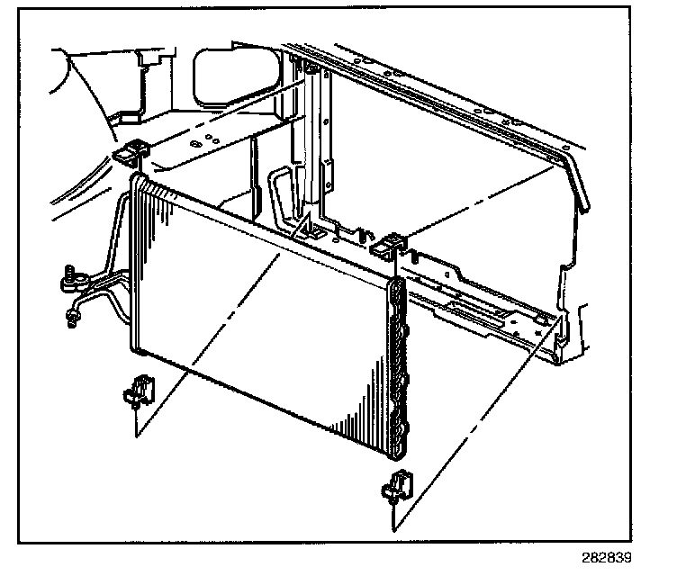
Condenser HVAC: Service and Repair

CONDENSER REPLACEMENT

TOOLS REQUIRED
J 39400-A Halogen Leak Detector

REMOVAL PROCEDURE




1. Recover the refrigerant. Refer to Refrigerant Recovery and Recharging.
2. Remove the front fender upper diagonal.
3. Remove the air cleaner assembly.
4. Remove the radiator.
5. Loosen the condenser tube nut from the condenser.




6. Disconnect the condenser tube from the condenser.
7. Remove the A/C compressor hose block fitting nut from the condenser.
8. Disconnect the A/C compressor hose from the condenser.




9. Tilt the top of the condenser to the rear of the vehicle and lift up to remove the condenser.
10. Ensure the lower rubber mounts stay in place in the vehicle.
11. Remove the upper rubber mounts from the condenser.

INSTALLATION PROCEDURE




1. Install the upper rubber mounts on to the condenser.
2. Install the lower ends of the condenser in to the lower rubber mounts.

IMPORTANT: Ensure the upper rubber mounts stay in place on the condenser.

3. Tilt the top of the condenser in to place.

IMPORTANT: Coat the new O-ring seals with mineral base 525 viscosity refrigerant oil.

4. Install the new O-ring seals onto the A/C compressor hose and the condenser tube.




5. Connect the condenser tube to the condenser.

NOTE: Refer to Fastener Notice in Service Precautions.

6. Tighten the condenser tube nut.

Tighten
Tighten the nut to 27 N.m (20 lb ft).




7. Connect the A/C compressor hose to the condenser.
8. Install the A/C compressor hose block fitting nut of the condenser.

Tighten
Tighten the nut to 16 N.m (12 lb ft)

9. Install the radiator.
10. Install the front fender upper diagonal.
11. Install the air cleaner assembly.
12. Evacuate and recharge the A/C system. Refer to Refrigerant Recovery and Recharging.
13. Leak test the fittings of the component using J 39400-A.