Housing Assembly HVAC: Service and Repair
TOOLS REQUIRED^ J 39400-A Halogen Leak Detector
^ J 38185 Hose Clamp Pliers
REMOVAL PROCEDURE
1. Recover the refrigerant. Refer to Refrigerant Recovery and Recharging.
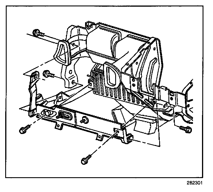
2. Remove the cross vehicle brace.
3. Drain the cooling system. Refer to Draining and Filling Cooling System in Cooling System.
4. Remove the fuel injector sight shield (3.8L only).
5. Remove the instrument panel trim pad.
6. Remove the passenger side SIR inflator module.
7. Remove the brake pedal.
8. Remove the bolts from the steering column support bracket and remove the bracket.
9. Remove the screw from the right and left side air distribution duct.
10. Remove the right and left side air distribution duct.
11. Remove the bolts from the relay bracket and position the relay bracket aside.
12. Remove the bolts from the BCM bracket and position the BCM bracket aside.
13. Release the wiring harness retaining clips from the cross vehicle beam and position the wiring harness aside.
14. Remove the two screws below the fuse block that support the main wire harness connector to the cross vehicle beam.
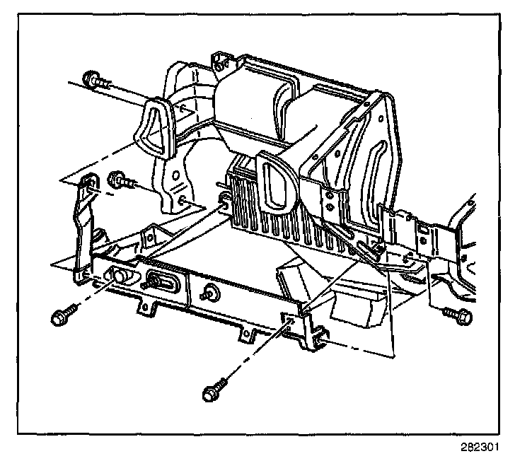
15. Remove the bolts from the center support bracket of the HVAC module.
16. Remove the center support bracket of the HVAC module.
17. Remove the bolts from the upper support brackets of the HVAC module.
18. Remove the bolts which secure the left cross vehicle beam to the hinge pillar.
19. Remove the bolts which secure the right cross vehicle beam to the hinge pillar.
20. Remove the bolt (1) from the cross vehicle beam.
21. Remove the cross vehicle beam from the vehicle.
22. Remove the accumulator tube to evaporator core block fitting bolt.
23. Disconnect the accumulator tube from the evaporator.
24. Disconnect the evaporator tube from the evaporator.
25. Remove the O-ring seals and discard.
26. Use J 38185 in order to position aside the heater hose inlet and outlet clamp at the heater core.
27. Disconnect the inlet and outlet heater hose from the heater core.
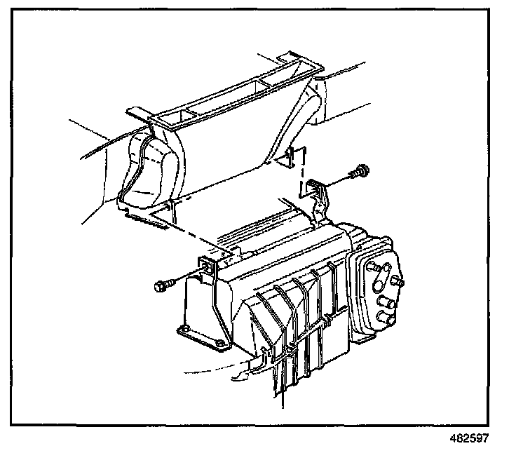
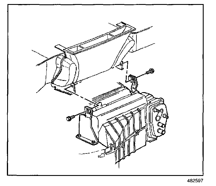
IMPORTANT: Position the heater core outlet cover downward and rearward in order to disconnect the cover from the rear area floor duct assembly.
28. Remove the screws from the heater core outlet cover.
29. Remove the heater core outlet cover.
30. Remove the evaporator drain elbow.
31. Remove the mounting nuts for the HVAC module assembly from the cowl.
32. Disconnect the vacuum hoses from the HVAC module assembly.
33. Disconnect the electrical connectors from the HVAC module assembly.
34. Remove the HVAC module assembly.
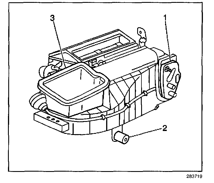
35. Remove all of the seals (1,2,3) from the outer HVAC module assembly.
INSTALLATION PROCEDURE
1. Install new seals (1,2,3) to the outer HVAC module assembly.
2. Install the HVAC module assembly to the vehicle.
NOTE: Refer to Fastener Notice in Service Precautions.
3. Install the nuts which secure the HVAC module assembly to the dash.
Tighten
Tighten the nuts to 10 N.m (89 lb in).
4. Install the evaporator drain elbow.
5. Connect the electrical connectors to the HVAC module assembly.
6. Connect the vacuum hoses to the HVAC module assembly.
7. Install the heater core outlet cover.
8. Install the screws to the heater core outlet cover.
Tighten
Tighten the screws to 1.5 N.m (13 lb in).
9. Install the cross vehicle beam to the vehicle.
IMPORTANT: Do NOT tighten the bolts at this time.
10. Install the bolts which secure the right cross vehicle beam to the hinge pillar.
11. Install the bolts which secure the left cross vehicle beam to the hinge pillar.
Tighten
Tighten the bolts to 20 N.m (15 lb ft).
12. Install the bolt (1) to the cross vehicle beam.
Tighten
Tighten the bolt to 20 N.m (15 lb ft).
13. Install the bolts to the upper support brackets of the HVAC module.
Tighten
Tighten the bolts to 10 N.m (89 lb in).
14. Install the center support bracket to the HVAC module.
15. Install the bolts to the center support bracket of the HVAC module.
Tighten
Tighten the bracket bolts to 10 N.m (89 lb in).
16. Install the instrument panel wiring harness on to the cross vehicle beam and secure the retaining clips.
17. Install the two screws below the fuse block that support the main wire harness connector to the cross vehicle beam.
18. Install the BCM bracket and the bolts.
Tighten
Tighten the bolts to 10 N.m (89 lb in).
19. Install the relay bracket and the bolts.
Tighten
Tighten the bolts to 10 N.m (89 lb in).
20. Install the right and left side air distribution ducts.
21. Install the screws to the right and left side air distribution duct.
Tighten
Tighten the screws to 1.5 N.m (13 lb in).
22. Install the support bracket and bolts for the steering column.
Tighten
Tighten the nuts to 50 N.m (37 lb ft).
23. Install the brake pedal.
24. Install the passenger side SIR inflator module.
25. Install the instrument panel trim pad.
26. Connect the inlet and outlet heater hose to the heater core.
IMPORTANT: Reposition the heater core hose clamps in the indicated location.
27. Use J 38185 in order to reposition the heater hose inlet and outlet clamp to the heater core.
28. Connect the evaporator tube to the evaporator.
29. Connect the accumulator tube to the evaporator.
30. Install the accumulator tube to evaporator core block fitting bolt.
Tighten
Tighten the bolt to 16 N.m (12 lb ft).
31. Install the fuel injector sight shield (3.8L only).
32. Fill the cooling system. Refer to Draining and Filling Cooling System in Cooling System.
33. Install the cross vehicle brace.
34. Evacuate and recharge the A/C system. Refer to Refrigerant Recovery and Recharging.
35. Leak test the fittings of the component using J 39400-A.