Operation CHARM: Car repair manuals for everyone.
Manuals through 2025 now available!

Our trusted friends have launched a new website named LEMON, which has newer manuals. It also contains all the CHARM manuals.

LEMON is the spiritual successor to CHARM, I recommend you try it!

Link: lemon-manuals.la or lemon-manuals.org.ua

(Some people have issue connecting. LEMON is investigating. For now, use Firefox or change your DNS server)

Or, hide this message: temporarily or permanently

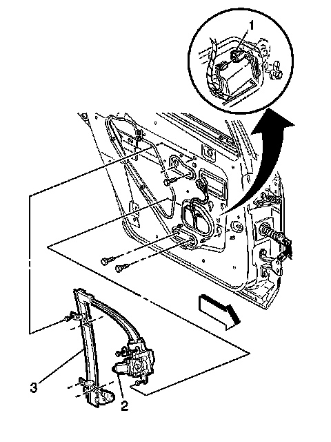
Rear Door Window Regulator: Service and Repair



Window Regulator Replacement - Rear Door

Removal Procedure


Important: The door window regulator motor (2) and door regulator (1) are serviced as a unit.


1. Remove the trim panel. Refer to Trim Panel Replacement - Side Rear Door Service and Repair.
2. Remove the water deflector. Refer to Water Deflector Replacement - Rear Door (Service and Repair) .




3. Raise the window far enough in order to gain access through the door inner panel to the window to regulator bolts.
4. Remove the window to regulator bolts.
5. Raise the window to the full up position.
6. Tape the window in the full up position.




7. Remove the 4 regulator mounting bolts (1, 2, 3, 4).
8. Remove the 3 regulator motor bolts.
9. Disconnect the electrical connector.
10. Remove the regulator from the door.



Installation Procedure

1. Position the regulator to the door.
2. Install the electrical connector.
3. Thread the 3 regulator motor screws onto the regulator motor.
4. Thread the top 2 bolts onto the regulator rail and also the bottom front bolt.
5. Position the regulator motor inside the door and hang it in the key slots in the inner metal panel.
6. Hang the regulator rail assembly into the key slots in the inner panel.
7. Install the 4th screw into the rail assembly.

Notice: Refer to Fastener Notice in Cautions and Notices.

8. Install the regulator motor bolts.

Tighten the window regulator motor bolts to 10 N.m (89 lb in).






Important: In order to ensure proper orientation of the window regulator to the door, tighten the window regulator bolts in the specified sequence (1, 2, 3, 4).


9. Install the regulator mounting bolts.

Tighten the window regulator bolts to 10 N.m (89 lb in).





10. Remove the tape.
11. Lower the window far enough in order to gain access through the door inner panel to the bolts.
12. Install the window to regulator bolts (2).

Tighten the window to regulator bolts to 10 N.m (89 lb in).

13. Install the water deflector. Refer to Water Deflector Replacement - Rear Door (Service and Repair) .
14. Install the trim panel. Refer to Trim Panel Replacement - Side Rear Door Service and Repair