Operation CHARM: Car repair manuals for everyone.
Manuals through 2025 now available!

Our trusted friends have launched a new website named LEMON, which has newer manuals. It also contains all the CHARM manuals.

LEMON is the spiritual successor to CHARM, I recommend you try it!

Link: lemon-manuals.la or lemon-manuals.org.ua

(Some people have issue connecting. LEMON is investigating. For now, use Firefox or change your DNS server)

Or, hide this message: temporarily or permanently

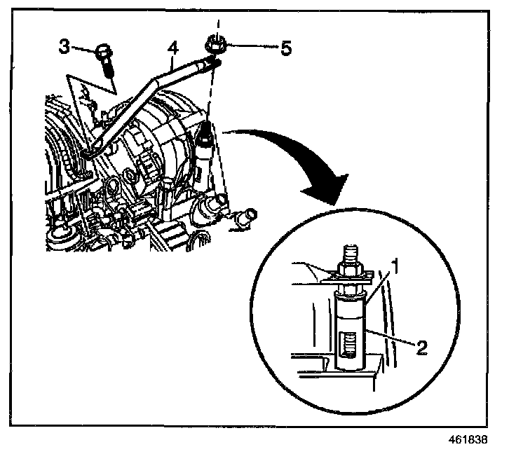
Generator Brace Replacement

REMOVAL PROCEDURE




1. Remove the generator rear brace nut (5).
2. Remove the generator rear brace bolt (3).
3. Remove the generator rear brace (4).

INSTALLATION PROCEDURE




1. Install the generator rear brace (4).
2. Install the generator rear brace bolt (3).
3. Install the generator rear brace nut (5).

NOTE: Refer to Fastener Notice in Service Precautions.

4. Tighten the generator bolts in the order described. The following is a mandatory torque sequence:

Tighten
4.1. Tighten the generator rear brace bolt (3) to 50 N.m (37 lb ft).
4.2. Tighten the generator rear brace nut (5) to 50 N.m (37 lb ft).