Operation CHARM: Car repair manuals for everyone.
Manuals through 2025 now available!

Our trusted friends have launched a new website named LEMON, which has newer manuals. It also contains all the CHARM manuals.

LEMON is the spiritual successor to CHARM, I recommend you try it!

Link: lemon-manuals.la or lemon-manuals.org.ua

(Some people have issue connecting. LEMON is investigating. For now, use Firefox or change your DNS server)

Or, hide this message: temporarily or permanently

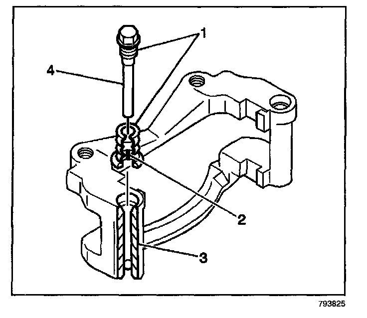
Disc Brake Hardware Replacement- Front














Disc Brake Hardware Replacement - Front

Caution: Refer to Brake Dust Caution in Cautions and Notices.

Removal Procedure

Notice: Support the brake caliper with heavy mechanic's wire, or equivalent, whenever it is separated from it's mount and the hydraulic flexible brake hose is still connected. Failure to support the caliper in this manner will cause the flexible brake hose to bear the weight of the caliper, which may cause damage to the brake hose and in turn may cause a brake fluid leak.

1. Remove the brake caliper from the mounting bracket and support the brake caliper (2) with heavy mechanic's wire (1), or equivalent. Discard the old caliper pin bolts, new bolts are supplied in the hardware kit. It is not necessary to disconnect the hydraulic brake flexible hose from the caliper. Refer to Brake Caliper Replacement - Front.Brake Caliper Replacement - Front
2. Remove the brake pads (2) from the brake caliper bracket.
3. Remove the brake pad retainers (1) from the brake caliper bracket.
4. Remove the brake caliper bracket. Refer to Brake Caliper Bracket Replacement - Front. Brake Caliper Bracket Replacement
5. Mount the brake caliper bracket (1) in a vise.
6. Using a flat bladed tool or punch carefully remove the caliper pin boots (2) from brake caliper bracket (1) and discard.

Important: Wipe the old grease from the caliper pin bolts with a clean shop towel.

7. Inspect the brake caliper bracket for cracks. If cracked, replace bracket.

Installation Procedure

1. Apply a thin coat of NIGLUBE to the caliper guide pin (4).
2. Install new caliper pin bolt boots (2) to the caliper.
3. Install the brake caliper bracket (3). Refer to Brake Caliper Bracket Replacement - Front.
4. Install the brake pad retainers (1) to the caliper bracket.
5. Install the brake pads (2) to the caliper bracket.
6. Remove the heavy mechanics wire (1).
7. Install the brake caliper. Refer to Brake Caliper Replacement - Front.