Operation CHARM: Car repair manuals for everyone.
Manuals through 2025 now available!

Our trusted friends have launched a new website named LEMON, which has newer manuals. It also contains all the CHARM manuals.

LEMON is the spiritual successor to CHARM, I recommend you try it!

Link: lemon-manuals.la or lemon-manuals.org.ua

(Some people have issue connecting. LEMON is investigating. For now, use Firefox or change your DNS server)

Or, hide this message: temporarily or permanently

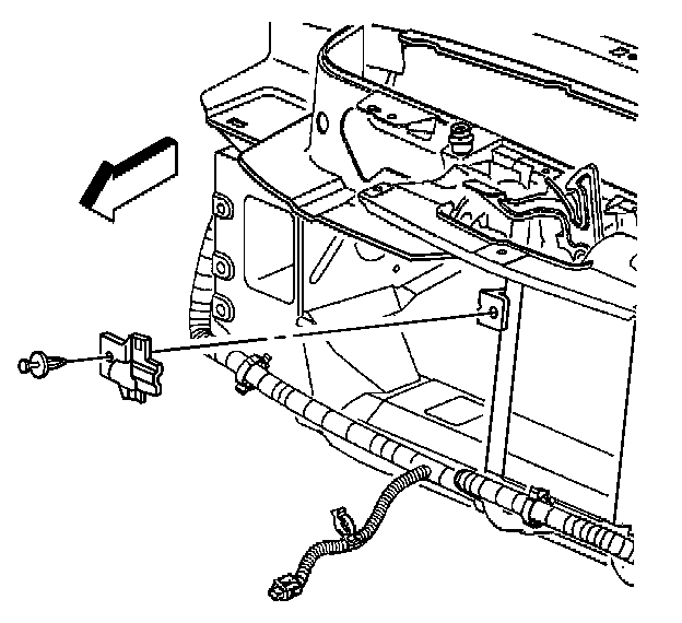
Ambient Air Temperature Sensor Replacement

AMBIENT AIR TEMPERATURE SENSOR REPLACEMENT

REMOVAL PROCEDURE




1. Disconnect the electrical connector from the ambient air temperature sensor.
2. Remove the retainer and the ambient air temperature sensor.

INSTALLATION PROCEDURE




1. Install the ambient air temperature sensor with the retainer.
2. Connect the electrical connector to the ambient air temperature sensor.