Operation CHARM: Car repair manuals for everyone.
Manuals through 2025 now available!

Our trusted friends have launched a new website named LEMON, which has newer manuals. It also contains all the CHARM manuals.

LEMON is the spiritual successor to CHARM, I recommend you try it!

Link: lemon-manuals.la or lemon-manuals.org.ua

(Some people have issue connecting. LEMON is investigating. For now, use Firefox or change your DNS server)

Or, hide this message: temporarily or permanently

Compressor Mounting Bracket Replacement

COMPRESSOR MOUNTING BRACKET REPLACEMENT

REMOVAL PROCEDURE

IMPORTANT: Recovering the refrigerant is not necessary to service the compressor mounting bracket.

1. Remove the accessory drive belt.
2. Remove the right front wheelhouse liner.
3. Remove the lower air deflector.




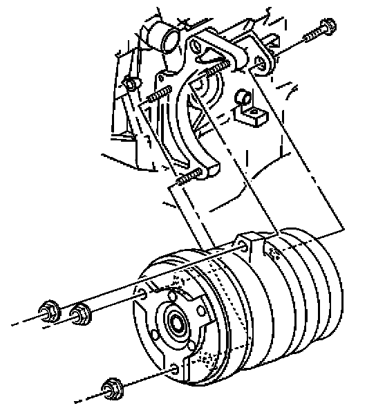
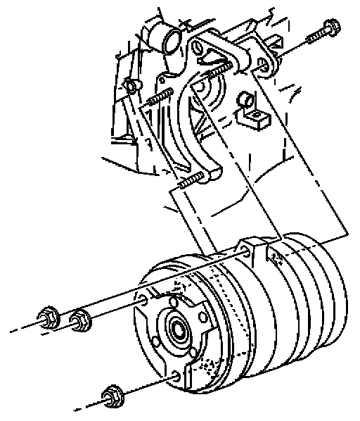
4. Remove the compressor mounting nuts.
5. Remove the rear mounting bolt.




6. Remove the A/C compressor from the bracket.
7. Remove the A/C compressor mounting bracket retaining bolts (1, 2).
8. Remove the A/C compressor mounting bracket.

INSTALLATION PROCEDURE




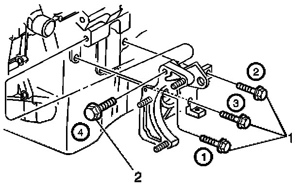
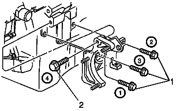
1. Install the A/C compressor mounting bracket.
2. Install the A/C compressor mounting bracket retaining bolts (1, 2).

NOTE: Refer to Fastener Notice in Service Precautions.

Tighten
1. Tighten the side bracket bolts (1) to 100 N.m (74 lb ft).
2. Tighten the front bracket bolt (2) to 50 N.m (37 lb ft).




3. Install the compressor to the bracket.
4. Install the mounting nuts.

NOTE: Refer to Fastener Notice in Service Precautions.

Tighten
Tighten the nuts to 50 N.m (37 lb ft).

5. Install the rear mounting bolt.

Tighten
Tighten the nuts to 50 N.m (37 lb ft).

6. Install the lower air deflector.
7. Install the wheelhouse liner.