Operation CHARM: Car repair manuals for everyone.
Manuals through 2025 now available!

Our trusted friends have launched a new website named LEMON, which has newer manuals. It also contains all the CHARM manuals.

LEMON is the spiritual successor to CHARM, I recommend you try it!

Link: lemon-manuals.la or lemon-manuals.org.ua

(Some people have issue connecting. LEMON is investigating. For now, use Firefox or change your DNS server)

Or, hide this message: temporarily or permanently

HVAC System - Manual

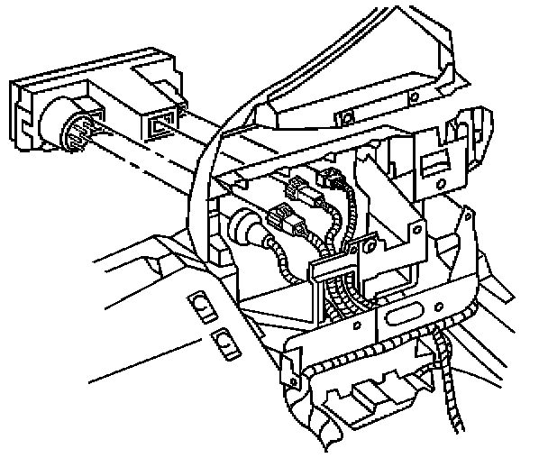
REMOVAL PROCEDURE
1. Remove the front floor console.




2. Remove the retaining screws from the HVAC control assembly.
3. Pull the HVAC control assembly out from the I/P.




4. Disconnect the electrical connectors and the vacuum harness from the HVAC control assembly.
5. Remove the HVAC control assembly.

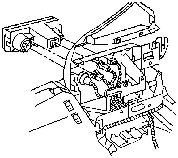
INSTALLATION PROCEDURE




1. Connect the electrical connectors and the vacuum harness to the HVAC control assembly.

IMPORTANT: The key should be in the off position when connecting the electrical connectors to ensure proper calibration.




2. Install the HVAC control assembly into the I/P.
3. Install the retaining screws to secure the HVAC control assembly.

NOTE: Refer to Fastener Notice in Service Precautions.

Tighten
Tighten the screws to 2 N.m (18 lb in).

4. Install the front floor console.
5. Start the engine and run for one minute.

IMPORTANT: Do not adjust any controls on the HVAC control module while the HVAC control module is calibrating. If interrupted improper HVAC performance will result.