Operation CHARM: Car repair manuals for everyone.
Manuals through 2025 now available!

Our trusted friends have launched a new website named LEMON, which has newer manuals. It also contains all the CHARM manuals.

LEMON is the spiritual successor to CHARM, I recommend you try it!

Link: lemon-manuals.la or lemon-manuals.org.ua

(Some people have issue connecting. LEMON is investigating. For now, use Firefox or change your DNS server)

Or, hide this message: temporarily or permanently

Compressor Replacement

COMPRESSOR REPLACEMENT (BODY TYPE VIN 6)

TOOLS REQUIRED
J 39400-A Halogen Leak Detector

REMOVAL PROCEDURE
1. Recover the refrigerant.
2. Drain the cooling system. Refer to Draining and Filling Cooling System (Body Vin Code 6)Draining and Filling Cooling System (Body Vin Code 3) in Cooling System.
3. Remove the cooling fan and shroud.
4. Remove the engine drive belt.
5. Release the tension on the air conditioning drive belt.
6. Reposition the air conditioning drive belt from the compressor pulley.
7. Remove the compressor hose assembly.
8. Remove the lower coolant hose.







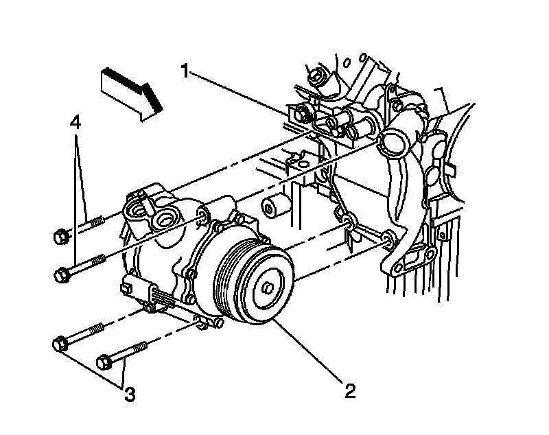
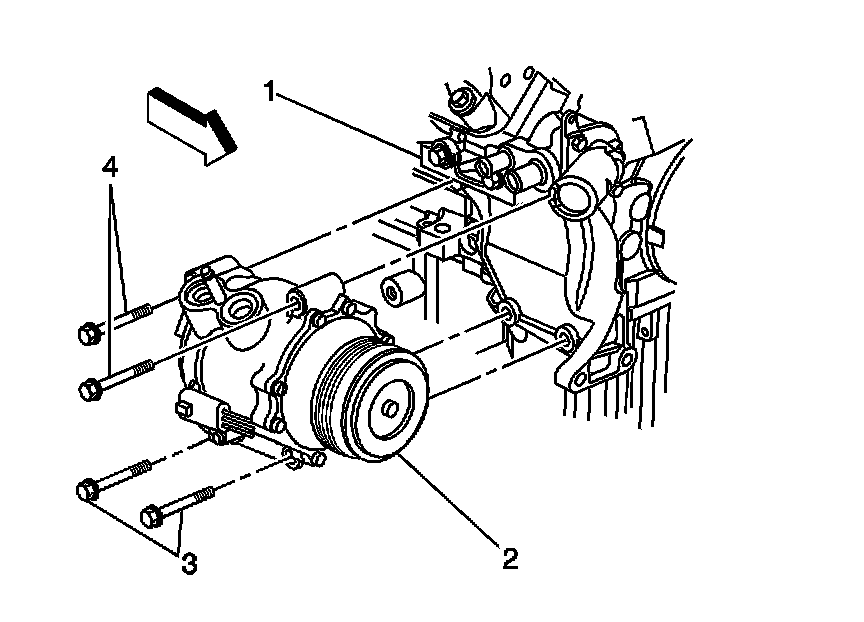
9. Remove the upper A/C compressor mounting bracket bolts (4).
10. Raise the vehicle. Refer to Vehicle Lifting.
11. Remove the lower A/C compressor mounting bracket bolts (3).
12. Remove the upper A/C compressor mounting bolts.
13. Remove the lower A/C compressor mounting bracket bolts. The accessory drive belt tensioner will be removed with one of the bolts.
14. Remove the last A/C compressor mounting bolt with the compressor removed from the engine.
15. Remove the electrical connection from the compressor.
16. Lower the vehicle. Refer to Vehicle Lifting.
17. Remove the A/C compressor from the bracket.
18. Remove the compressor.
19. If replacing the A/C compressor. Refer to Compressor Oil Balancing.

INSTALLATION PROCEDURE
1. Add the proper amount of PAG oil to the compressor crankcase. Refer to Refrigerant System Capacities.
2. Install the A/C compressor.
3. Install the A/C compressor to the bracket.







4. Align the bracket with the long bolts before tightening the compressor (2) to the bracket (1).
5. Install the upper rear compressor mounting bolt.

NOTE: Refer to Fastener Notice in Service Precautions.
Vehicle Damage Warnings

Tighten
Tighten the bolt to .....50 N.m (37 lb ft).

6. Install the accessory drive belt tensioner to the compressor mounting bracket.
7. Install the bolts to the accessory drive belt tensioner

Tighten
Tighten the bolt to .....50 N.m (37 lb ft).

8. Raise the vehicle. Refer to Vehicle Lifting.
9. Install the A/C compressor mounting bolts (3).

Tighten
Tighten the bolts to .....50 N.m (37 lb ft).

10. Connect the electrical connector to the A/C compressor.
11. Lower the vehicle. Refer to Vehicle Lifting.
12. Install the upper A/C compressor mounting bracket bolts (4).

Tighten
Tighten the bolts to .....50 N.m (37 lb ft).

13. Install the compressor hose assembly.
14. Install the lower coolant hose.
15. Install the A/C drive belt.
16. Install the engine drive belt.
17. Install the fan and shroud.
18. Fill the cooling system. Refer to Draining and Filling Cooling System (Body Vin Code 6)Draining and Filling Cooling System (Body Vin Code 3) In Cooling System.
19. Evacuate and recharge the A/C system.
20. Leak test the fittings of the component using the J 39400-A.