Operation CHARM: Car repair manuals for everyone.
Manuals through 2025 now available!

Our trusted friends have launched a new website named LEMON, which has newer manuals. It also contains all the CHARM manuals.

LEMON is the spiritual successor to CHARM, I recommend you try it!

Link: lemon-manuals.la or lemon-manuals.org.ua

(Some people have issue connecting. LEMON is investigating. For now, use Firefox or change your DNS server)

Or, hide this message: temporarily or permanently

Air Flow Meter/Sensor: Service and Repair

MASS AIR FLOW (MAF)/INTAKE AIR TEMPERATURE (IAT) SENSOR REPLACEMENT

REMOVAL PROCEDURE

IMPORTANT: Use care when handling the mass air flow/intake air temperature (MAF/IAT) sensor. Do not dent, puncture, or otherwise damage the honeycell located at the air inlet end of the MAF/IAT. Do not touch the sensing elements or allow anything including cleaning solvents and lubricants to come in contact with them. Use a small amount of a non-silicone based lubricant, on the air duct only, to aid in installation.




1. Disconnect the MAF/IAT sensor electrical connector.




2. Loosen the clamps at the MAF/IAT sensor and the throttle body.
3. Remove the air cleaner outlet duct bolt.
4. Remove the air cleaner outlet duct.
5. Loosen the clamp attaching the MAF/IAT sensor to the air cleaner housing.
6. Remove the MAF/IAT sensor from the air cleaner housing.

INSTALLATION PROCEDURE

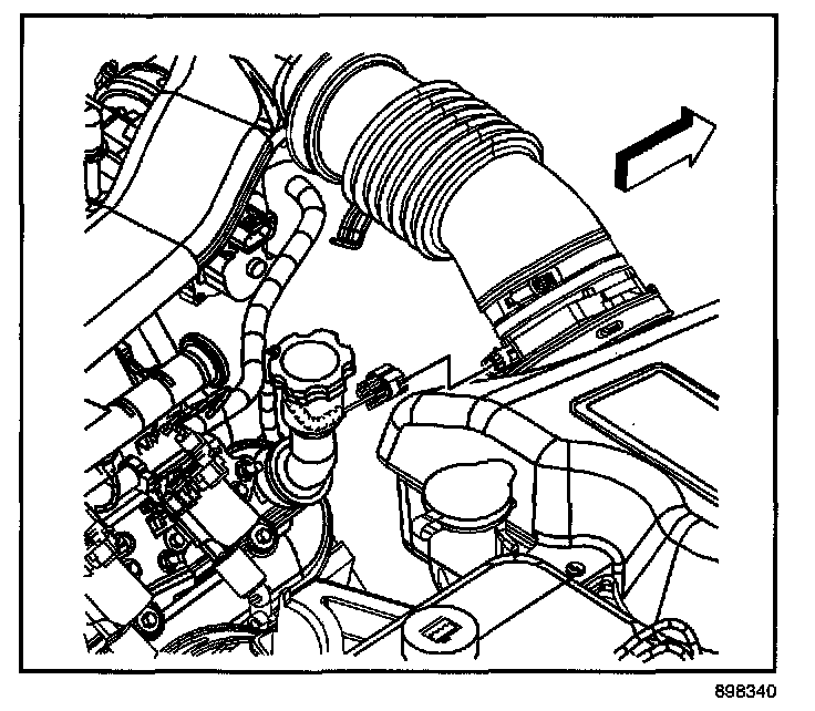
IMPORTANT: The embossed arrow on the MAF/IAT sensor indicates the proper air flow direction. The arrow must point toward the engine.




1. Locate the air flow direction arrow (2) on the MAF/IAT sensor.




2. Install the MAF/IAT sensor on to the air cleaner housing.

NOTE: Refer to Fastener Notice in Service Precautions.

3. Tighten the clamp securing the MAF/IAT sensor to the air cleaner housing.

Tighten
Tighten the clamp to 7 N.m (62 lb in).

4. Install the air cleaner outlet duct.
5. Install the air cleaner outlet duct bolt.

Tighten
Tighten the bolt to 10 N.m (89 lb in).

6. Tighten the clamps at the MAF/IAT sensor and the throttle body.

Tighten
Tighten the clamps to 7 N.m (62 lb in).




7. Connect the MAF/IAT electrical connector.