Operation CHARM: Car repair manuals for everyone.
Manuals through 2025 now available!

Our trusted friends have launched a new website named LEMON, which has newer manuals. It also contains all the CHARM manuals.

LEMON is the spiritual successor to CHARM, I recommend you try it!

Link: lemon-manuals.la or lemon-manuals.org.ua

(Some people have issue connecting. LEMON is investigating. For now, use Firefox or change your DNS server)

Or, hide this message: temporarily or permanently

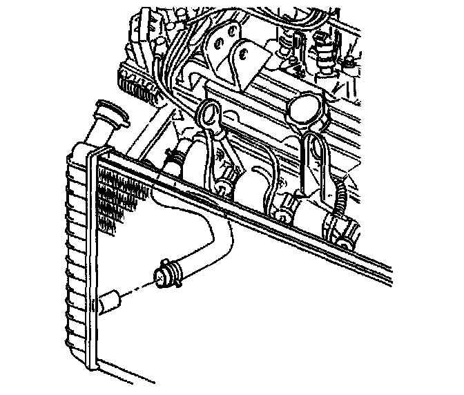
Outlet

Radiator Hose Replacement - Outlet

^ Tools Required
- J 38185 Hose Clamp Pliers

Removal Procedure
1. Drain the cooling system.
2. Remove the lower radiator air deflector.
3. Use the J 38185 in order to reposition the hose clamp from the radiator.





4. Disconnect the outlet hose from the radiator.
5. Lower the vehicle.
6. Use the J 38185 in order to reposition the hose clamp from the water pump housing.





7. Disconnect the outlet hose from the water pump housing.
8. Remove the outlet hose.

Installation Procedure





1. Align the marks on the hose. Install the outlet hose to the water pump housing.
2. Use the J 38185 in order to reposition the hose clamp to the water pump housing.
3. Raise and support the vehicle.





4. Install the outlet hose to the radiator.
5. Use the J 38185 in order to reposition the outlet hose to the radiator.
6. Install the lower radiator air deflector.
7. Fill the cooling system.