Operation CHARM: Car repair manuals for everyone.
Manuals through 2025 now available!

Our trusted friends have launched a new website named LEMON, which has newer manuals. It also contains all the CHARM manuals.

LEMON is the spiritual successor to CHARM, I recommend you try it!

Link: lemon-manuals.la or lemon-manuals.org.ua

(Some people have issue connecting. LEMON is investigating. For now, use Firefox or change your DNS server)

Or, hide this message: temporarily or permanently

Timing Chain: Service and Repair

Timing Chain and Sprockets Replacement
Removal Procedure





1. Remove the engine front cover.
2. Rotate the crankshaft until the timing marks in the following locations are aligned:
^ The timing chain dampener to the crankshaft sprocket (2).
^ The timing chain dampener to the camshaft sprocket locator hole (1).





3. Remove the camshaft sprocket bolt.





4. Remove the camshaft sprocket with the timing chain.





5. Remove the crankshaft sprocket.





6. Remove the timing chain dampener bolts.
7. Remove the timing chain dampener.





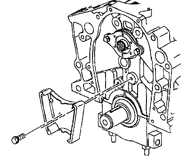
8. If necessary remove the camshaft thrust plate screws.
9. Remove the camshaft thrust plate.

Installation Procedure





1. If removed install the camshaft thrust plate.

Notice: Refer to Fastener Notice in Service Precautions.

2. Install the camshaft thrust plate screws.
^ Tighten the screws to 10 Nm (89 inch lbs.).





3. Install the timing chain dampener and the bolts to the block.
^ Tighten the bolts to 21 Nm (15 ft. lbs.).





4. Install the crankshaft sprocket.
5. Apply Engine Oil Supplement (EOS) GM P/N 1052367 (Canadian P/N 992869) or the equivalent to the sprocket thrust surface.





6. Hold the camshaft sprocket with the chain hanging down, and install the chain to the crankshaft gear.





7. Align the crankshaft timing mark to the timing mark on the bottom of the timing chain dampener (2).
8. Hold the camshaft sprocket with the timing chain hanging down and install the timing chain to the crankshaft gear.
9. Align the timing mark on the camshaft gear with the timing mark on top of the timing chain dampener (1).





Important: Draw the camshaft sprocket onto the camshaft using the mounting bolt.

10. Install the camshaft sprocket bolt.
^ Tighten the bolt to 140 Nm (103 ft. lbs.).
11. Coat the crankshaft and the camshaft sprocket with engine oil.
12. Install the engine front cover.