Operation CHARM: Car repair manuals for everyone.
Manuals through 2025 now available!

Our trusted friends have launched a new website named LEMON, which has newer manuals. It also contains all the CHARM manuals.

LEMON is the spiritual successor to CHARM, I recommend you try it!

Link: lemon-manuals.la or lemon-manuals.org.ua

(Some people have issue connecting. LEMON is investigating. For now, use Firefox or change your DNS server)

Or, hide this message: temporarily or permanently

Ignition Lock Solenoid: Service and Repair



Ignition Lock Cylinder Solenoid Replacement

Removal Procedure





Caution: Refer to SIR Caution in Service Precautions.

1. Disable the SIR coil. Refer to SIR Disabling and Enabling Zone 3.
2. Remove the steering wheel from the column.
3. Inspect the steering column for accident damage.
4. Remove the tilt lever.
5. Place the steering column in the center position.
6. Use a small screwdriver to pull the filler plug out of the bottom of the lower trim cover.





7. Insert a small screwdriver into the filler plug hole in the bottom of the lower trim cover.
8. Use the screwdriver to push up on the manual override of the ignition lock cylinder solenoid (1).
9. Turn the key to the lock position. Remove the key.
10. Remove the ignition lock cylinder.





Important: Do not remove the upper trim cover from the closeout trim cover

11. Do not remove the closeout trim cover from the I/P.
Gently pry the steering column closeout trim cover from the lower trim cover (2).
12. Remove the 2 pan head tapping screws (1) from the lower trim cover (2).
13. Remove the lower trim cover (2).





14. Gently lift the upper trim cover to gain access to the ignition lock cylinder solenoid (1).
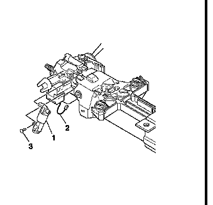
15. Remove the black connector (2) from the ignition lock cylinder solenoid (1).
16. Remove the tapping screw (3) from the ignition lock cylinder solenoid (1) mounting hole and the ignition switch assembly.
17. Pry the ignition lock cylinder solenoid (1) off of the ignition lock cylinder case assembly.

Installation Procedure





Important: Do not remove the upper shroud from the closeout trim cover

1. Do not remove the closeout trim cover from the I/P.
Snap the ignition lock cylinder solenoid (1) onto the ignition lock cylinder case assembly.
2. Install the tapping screw (3) into the mounting hole of the ignition lock cylinder solenoid (1) and the ignition switch assembly.
3. Install the ignition lock cylinder.
4. Install the black connector into the ignition lock cylinder solenoid (1).





5. Install the lower trim cover (2) onto the steering column.
6. Attach the closeout trim cover to the lower trim cover (2).

Notice: Install the 2 pan head tapping screws (1) to the lower trim cover (2).

7. Tighten the screws to 3 Nm (27 inch lbs.).

Caution: Refer to SIR Inflator Module Coil Caution.

8. Install the steering wheel onto the steering column.
9. Install the tilt lever.
10. Enable the SIR system.