Operation CHARM: Car repair manuals for everyone.
Manuals through 2025 now available!

Our trusted friends have launched a new website named LEMON, which has newer manuals. It also contains all the CHARM manuals.

LEMON is the spiritual successor to CHARM, I recommend you try it!

Link: lemon-manuals.la or lemon-manuals.org.ua

(Some people have issue connecting. LEMON is investigating. For now, use Firefox or change your DNS server)

Or, hide this message: temporarily or permanently

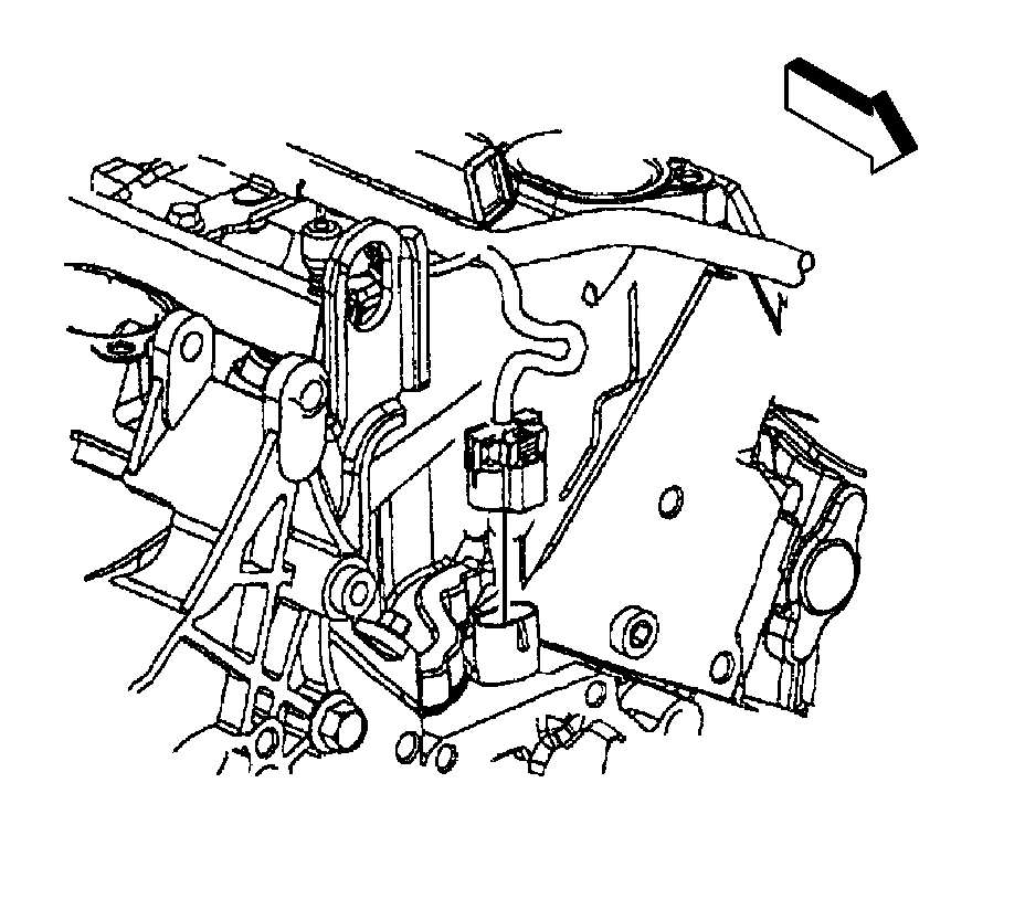
Camshaft Position Sensor: Service and Repair



CAMSHAFT POSITION (CMP) SENSOR REPLACEMENT

REMOVAL PROCEDURE




1. Remove the power steering pump.
2. Disconnect the fuel injector harness electrical connector from the camshaft position (CMP) sensor.




3. Remove the CMP sensor bolt.
4. Remove the CMP sensor.
5. Inspect the CMP sensor O-ring for wear or damage if the sensor is not being replaced, replace the seal as necessary.

INSTALLATION PROCEDURE




1. Lubricate the sensor O-ring with clean engine oil.
2. Remove the CMP sensor.
3. Remove the CMP sensor bolt.

NOTE: Refer to Fastener Notice.

Tighten the bolt to 10 N.m (89 lb ft).




4. Connect the fuel injector harness electrical connector to the CMP sensor.
5. Install the power steering pump.