Operation CHARM: Car repair manuals for everyone.
Manuals through 2025 now available!

Our trusted friends have launched a new website named LEMON, which has newer manuals. It also contains all the CHARM manuals.

LEMON is the spiritual successor to CHARM, I recommend you try it!

Link: lemon-manuals.la or lemon-manuals.org.ua

(Some people have issue connecting. LEMON is investigating. For now, use Firefox or change your DNS server)

Or, hide this message: temporarily or permanently

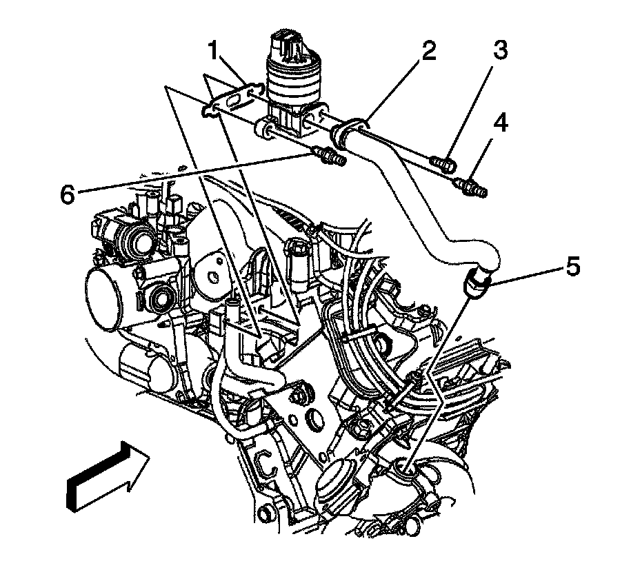
EGR Valve: Service and Repair



EXHAUST GAS RECIRCULATION (EGR) VALVE REPLACEMENT

REMOVAL PROCEDURE




1. Remove the intake manifold cover.
2. Disconnect the engine harness electrical connector (2) from the exhaust gas recirculation (EGR) valve.




3. Remove the EGR pipe bolt (3) and carefully pull the pipe (2) assembly back.
4. Remove the EGR valve studs (4, 6).
5. Remove EGR valve.
6. Remove the EGR valve gasket (1).
7. Clean and inspect the EGR valve gasket mating surfaces.

INSTALLATION PROCEDURE




1. Install a new EGR valve gasket (1).
2. Install the EGR valve.
3. Install the EGR valve studs (4, 6).

NOTE: Refer to Fastener Notice.

Tighten the studs to 30 N.m (22 lb ft).

4. Install the EGR pipe (2) to the EGR valve.
5. Install the EGR pipe bolt (3).

Tighten the bolt to 25 N.m (18 lb ft).




6. Connect the engine harness electrical connector (2) to the EGR valve.
7. Install the intake manifold cover.