Operation CHARM: Car repair manuals for everyone.
Manuals through 2025 now available!

Our trusted friends have launched a new website named LEMON, which has newer manuals. It also contains all the CHARM manuals.

LEMON is the spiritual successor to CHARM, I recommend you try it!

Link: lemon-manuals.la or lemon-manuals.org.ua

(Some people have issue connecting. LEMON is investigating. For now, use Firefox or change your DNS server)

Or, hide this message: temporarily or permanently

Engine Support Fixture



Engine Support Fixture

Tools Required
* J 28467-B Universal Engine Support Fixture
* J 36462-A Engine Support Adapter Leg Set
* J-28467-501 Engine Support Fixture Adapters

1. Disconnect the negative battery cable. Refer to Battery Negative Cable Disconnection and Connection (L26) (Service and Repair).




2. Remove the left engine mount strut and the bracket from the upper radiator support. Refer to Engine Mount Strut Bracket Replacement - Upper Radiator Support (Service and Repair).
3. Assemble the J-28467-501 (2) to the J 28467-B cross bar (1).
4. Install the J 28467-B (1) and the J-28467-501 (2) to the fender rails.




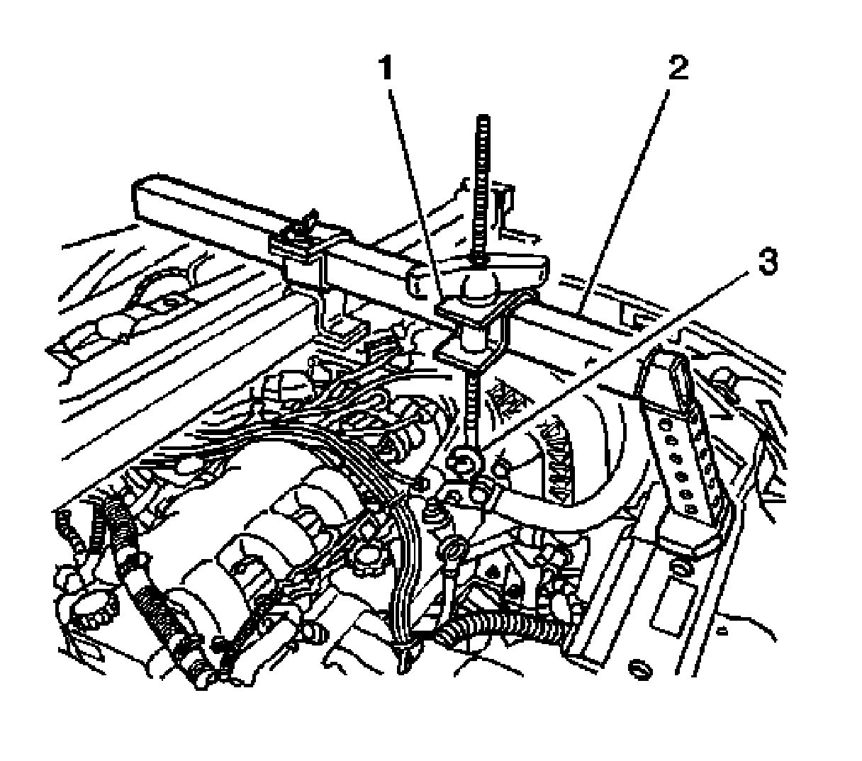
5. Install the J 36462-A (1) to the cross bar (2).




6. Install the support lift hook (2) to the cross bar (1).
7. Install the support hook (1) to the right engine lift hook (3).




8. Install the support hook (1) to the J 36462-A (2).
9. Install the support hook (1) to the left engine lift hook (3).




10. Raise the engine to release the pressure off of the engine mounts.