Operation CHARM: Car repair manuals for everyone.
Manuals through 2025 now available!

Our trusted friends have launched a new website named LEMON, which has newer manuals. It also contains all the CHARM manuals.

LEMON is the spiritual successor to CHARM, I recommend you try it!

Link: lemon-manuals.la or lemon-manuals.org.ua

(Some people have issue connecting. LEMON is investigating. For now, use Firefox or change your DNS server)

Or, hide this message: temporarily or permanently

Part 3



Engine Replacement

Tools Required
* J 37097-A Hose Clamp Remover/Installer
* J 38185 Hose Clamp Pliers
* J 39580 Universal Engine Support Table
* J 41623-B Cooler Quick Connect Tool
* J 42640 Steering Column Lock Pin

Installation Procedure - Part 3

101. Unsecure the A/C compressor discharge hose from the engine.
102. Remove and discard the old sealing washer from the condenser end of the discharge hose.
103. Install a NEW sealing washer to the condenser end of the discharge hose.
104. Install the A/C compressor discharge hose to the condenser.
105. Install the A/C compressor discharge hose nut.

Tighten the nut to 16 N.m (12 lb ft).




106. Remove the plugs from the open brake lines.
107. Connect the rear brake pipes to the front brake pipes.

Tighten the fittings to 20 N.m (15 lb ft).




108. Install the front brake pipe bracket (4) to the body frame rail.
109. Tighten the nut (1) securing the right front brake pipe bracket (4) to the body frame rail.

Tighten the nut to 9 N.m (80 lb in).




110. Install the front brake pipe bracket (4) to the body frame rail.
111. Tighten the nut (2) securing the left front brake pipe bracket (4) to the body frame rail.

Tighten the nut to 9 N.m (80 lb in).




112. Install the front air deflector. Refer to Front Air Deflector
Replacement (Front Air Deflector Replacement).
113. Connect the electronic suspension front position sensor link to the lower control arms ball stud, if equipped.




114. Install the engine harness clip (3) to the ride lever sensor bracket.
115. Install the engine harness grommet (2) to the frame rail bracket.
116. Install the front wheels. Refer to Tire and Wheel Removal and Installation (Service and Repair).
117. Install the rear exhaust manifold pipe. Refer to Exhaust Manifold Rear Pipe Replacement (RPO LD8) (Exhaust Manifold Rear Pipe Replacement (RPO LD8)).
118. Lower the vehicle.




119. Install the left and right side strut tower bolts (1). (Left side shown, right side similar).

Tighten the bolts to 40 N.m (30 lb ft).




120. Remove the J 42640 from the steering column.




121. Connect the transaxle oil cooler pipes to the radiator.
122. Slide the plastic caps onto the transaxle oil cooler pipe quick connect fittings.
123. Tighten the upper transaxle oil cooler pipe bolt (1) to the fan shroud.

Tighten the bolt to 6 N.m (53 lb in).




124. Unsecure the master cylinder from the engine and position the
master cylinder the brake booster.
125. Install the master cylinder nuts.

Tighten the nuts to 30 N.m (22 lb ft).




126. Install the heater inlet (2) and outlet (3) hoses to the heater pipes.
127. Position the heater inlet (1) and outlet (2) hose clamps at the heater pipes.




128. Install the surge tank inlet hose to the surge tank.
129. Position the radiator surge tank inlet hose clamp at the surge tank.




130. Install the radiator outlet hose (2) to the thermostat housing.
131. Using the J 38185 position the radiator outlet hose clamp (1).




132. Install the radiator inlet hose (2) to the water pump housing.
133. Using the J 37097-A position the radiator inlet hose clamp (1).




134. Install the transaxle shift cable to the bracket.
135. Connect the transaxle shift cable end (2) to the range selector lever (1).




136. Install the transaxle shift cable retainer (1).




137. Install the transaxle shift cable clip to the shift cable bracket.




138. Position the ground strap to the frame rail.
139. Install the engine ground strap bolt (1) to the right side frame rail.

Tighten the bolt to 25 N.m (18 lb ft).




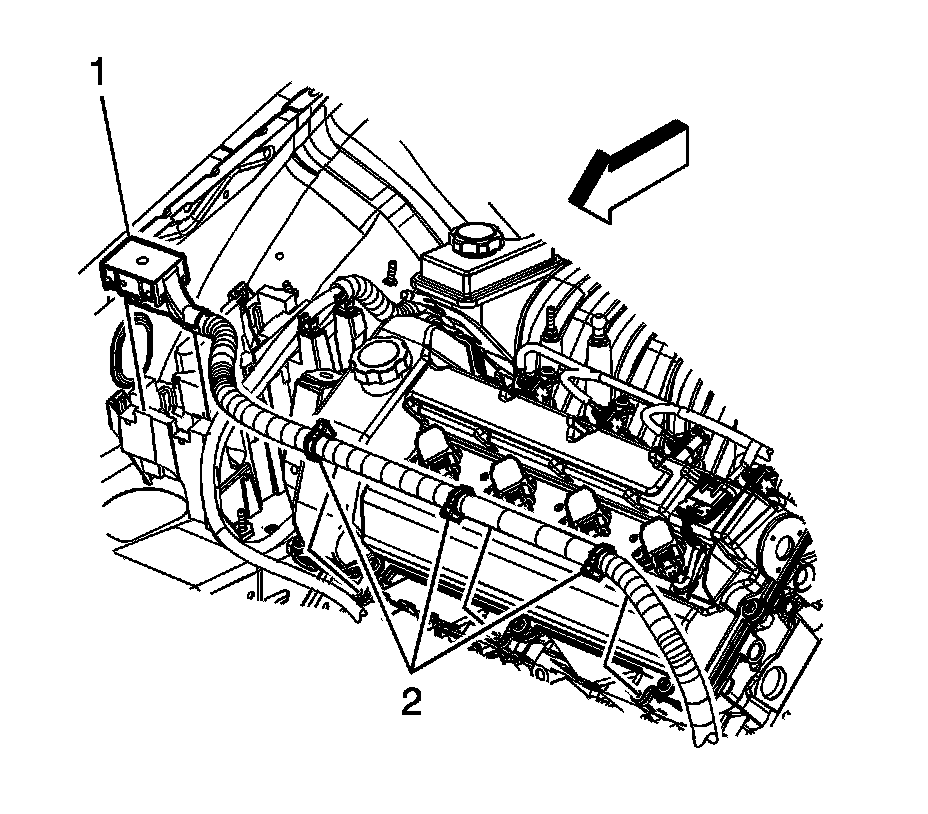
140. Install the engine harness (1) to the BEC.




141. Install the junction block.
142. Install the junction block bolts.

Tighten the bolts to 6.5 N.m (58 lb in).




143. Connect the engine harness electrical connectors to the ECM.
144. Engage the lever locks.




145. Connect the engine harness electrical connector to the body harness electrical connector.
146. Engage the lever lock.




147. Connect the engine harness electrical connector to the TCM.
148. Engage the lever lock.




149. Install the starter cable to the BEC terminal.
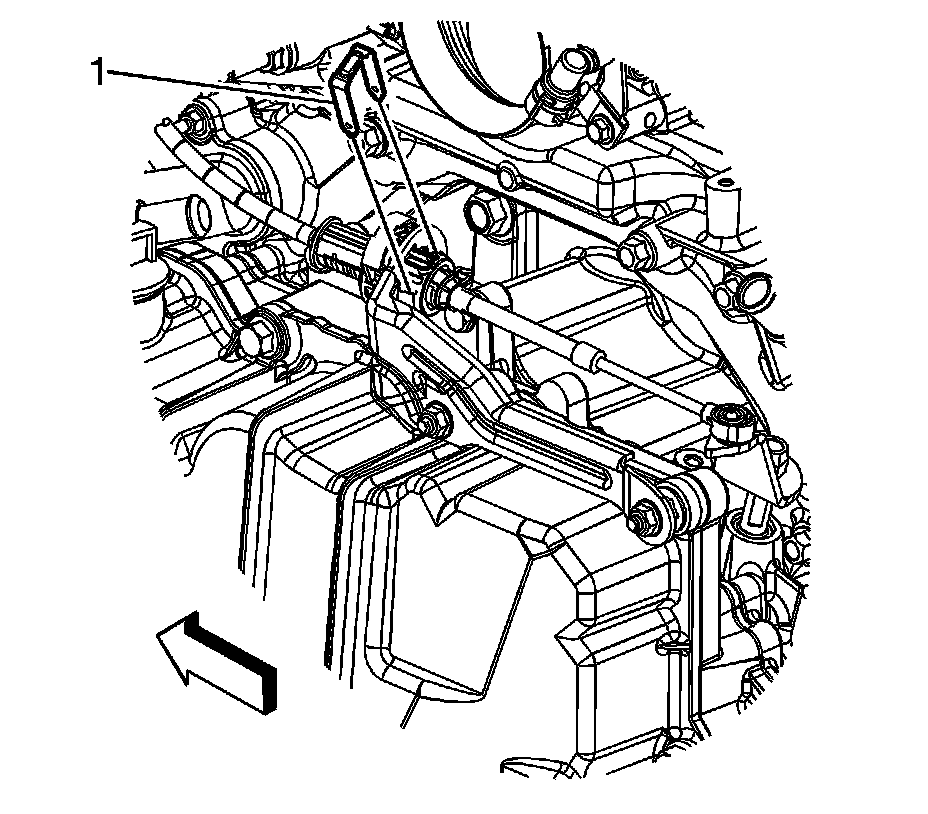
150. Install the starter cable clip (4) to the BEC.