Operation CHARM: Car repair manuals for everyone.
Manuals through 2025 now available!

Our trusted friends have launched a new website named LEMON, which has newer manuals. It also contains all the CHARM manuals.

LEMON is the spiritual successor to CHARM, I recommend you try it!

Link: lemon-manuals.la or lemon-manuals.org.ua

(Some people have issue connecting. LEMON is investigating. For now, use Firefox or change your DNS server)

Or, hide this message: temporarily or permanently

Part 2



Engine Replacement

Tools Required
* J 37097-A Hose Clamp Remover/Installer
* J 38185 Hose Clamp Pliers
* J 39580 Universal Engine Support Table
* J 41623-B Cooler Quick Connect Tool
* J 42640 Steering Column Lock Pin

Removal Procedure - Part 2

51. Remove the engine harness clip (3) from the ride lever sensor bracket.




52. Disconnect the electronic suspension front position sensor link from the lower control arms ball stud, if equipped.




53. Loosen the nut (2) securing the left front brake pipe bracket (4) to the body frame rail.
54. Remove the front brake pipe bracket (4) from the body frame rail.




55. Loosen the nut (1) securing the right front brake pipe bracket (4) to the body frame rail.
56. Remove the front brake pipe bracket (4) from the body frame rail.




57. Disconnect the rear brake pipes from the front brake pipes.
58. Plug the open brake lines in order to prevent fluid loss and/or system contamination.




59. Remove the A/C compressor discharge hose bolt at the condenser.
60. Remove the A/C compressor discharge hose from the condenser and secure to the engine.
61. Plug the A/C condenser discharge port.




62. Remove the A/C compressor suction hose nut at the condenser.
63. Remove the A/C compressor suction hose from the condenser and secure to the engine.
64. Plug the A/C condenser suction port.





Caution: Failure to disconnect the intermediate shaft from the rack and pinion stub shaft can result in damage to the steering gear and/or damage to the intermediate shaft. This damage may cause loss of steering control which could result in personal injury.

65. Remove the intermediate steering shaft cover.
66. Remove the intermediate shaft pinch bolt.
67. Remove the intermediate shaft from the steering gear.




68. Remove the oxygen sensor wiring harness heat shield. Refer to Oxygen Sensor Wiring Harness Heat Shield Replacement (Service and Repair).
69. Disconnect the engine harness electrical connector from the heated oxygen sensor (HO2S).




70. Remove the transaxle brace bolts.
71. Remove the transaxle brace.




72. Remove the torque converter cover bolt.
73. Remove the torque converter cover.





Important: Mark the flywheel to torque converter relationship prior to removal of the bolts.


74. Remove the flywheel to torque converter bolts. (Engine removed for clarity)




75. Position the J 39580 under the frame.
76. Lower the vehicle onto the J 39580.




77. If the J 39580 is not available. Support the powertrain with four suitable jackstands.
78. Place a 2 in x 4 in block of wood between the front of the engine oil pan and the engine frame.

Caution: To avoid any vehicle damage, serious personal injury or death when major components are removed from the vehicle and the vehicle is supported by a hoist, support the vehicle with jack stands at the opposite end from which the components are being removed and strap the vehicle to the hoist.

79. Secure the front hoist pads to the vehicle.
80. Remove the front fascia. Refer to Front Bumper Fascia Replacement (Front Bumper Fascia Replacement).




81. Remove the 6 bolts (1) attaching the frame to the body. (Left side shown, right side similar).

Important: Ensure clearance is maintained between the engine/transaxle assembly and the following:


* The A/C compressor components

* The brake pipes

* The heater hoses

* The radiator hoses

* The wheel speed sensor leads

* The wiring harnesses


82. Carefully raise the vehicle in order to clear the supported engine/transaxle assembly.
83. Drain the engine oil. Refer to Engine Oil and Oil Filter Replacement (Service and Repair).




84. Remove the heater outlet pipe nut (2) from the transaxle stud.
85. Reposition the heater outlet pipe clamp (1) at the water pump housing.
86. Remove the heater outlet pipe.




87. Remove the secondary air injection (AIR) inlet hose retainer from the transaxle stud.
88. Disconnect the AIR inlet hose quick connect fitting from the AIR pump. Refer to Plastic Collar Quick Connect Fitting Service (Plastic Collar Quick Connect Fitting Service).
89. Remove the AIR inlet hose.




90. Reposition the AIR outlet hose clamp at the AIR outlet pipe.
91. Separate the AIR outlet hose from the outlet pipe.




92. Remove the AIR pipe outlet pipe nut (3) from the transaxle stud.
93. Remove the AIR pipe outlet pipe nut (2) from the check valve bracket stud.
94. Disconnect the AIR outlet pipe quick connect fitting from the check valve. Refer to Plastic Collar Quick Connect Fitting Service (Plastic Collar Quick Connect Fitting Service).
95. Remove the AIR outlet pipe from the studs.




96. Remove the ignition control module (ICM) ground strap bolt (3) from the right cylinder head.
97. Remove the ICM ground strap (2) from the cylinder head.




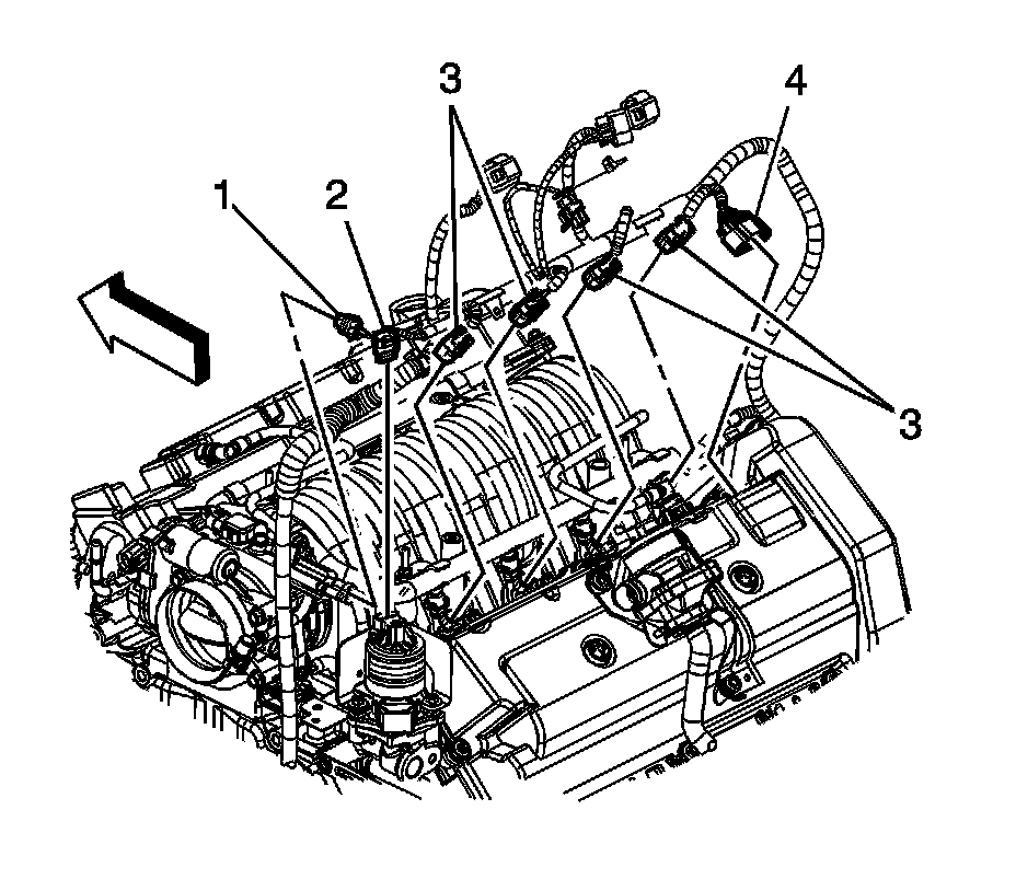
98. Disconnect the following engine harness electrical connectors from the rear of the engine:

* The EVAP solenoid (1)
* The exhaust gas recirculation (EGR) valve (2)
* The fuel injectors (3)
* The ICM (4)




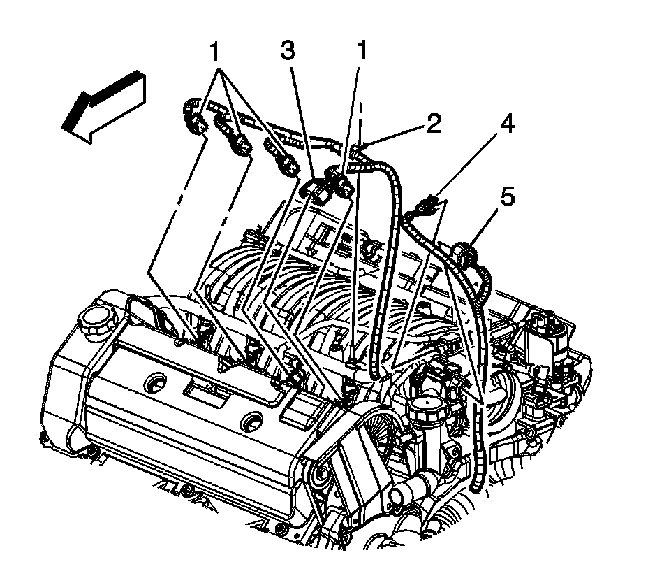
99. Disconnect the following engine harness electrical connectors from the front of the engine:

* The fuel injectors (1)
* The ICM (3)
* The manifold absolute pressure (MAP) sensor (4)
* the throttle actuator (5)

100. Remove the engine harness clip (2) from the fuel rail stud.