Knock Sensor 2 Replacement
Knock Sensor 2 Replacement
Removal Procedure
Warning
Hot engine coolant may cause severe burns. Although the cooling system has been drained, coolant still remains in the engine water jacket. This coolant will drain with the removal of the knock sensor.
1. Raise and support the vehicle. Refer to Lifting and Jacking the Vehicle (Service and Repair).
2. Drain the cooling system. Refer to Cooling System Draining and Filling (L26 Static Fill) (Service and Repair)Cooling System Draining and Filling (LS4 Static Fill) (Service and Repair)Cooling System Draining and Filling (L26 GE 47716 Fill) (Service and Repair)Cooling System Draining and Filling (LS4 GE 47716 Fill) (Service and Repair).
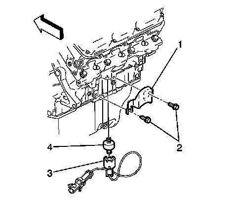
3. Disconnect the knock sensor electrical connector (3) from the knock sensor.
4. Remove the knock sensor (4).
Installation Procedure
Caution: Refer to Fastener Caution (Fastener Caution).
Note: DO NOT apply thread sealant to sensor threads. The sensor is coated at factory and applying additional sealant will affect the sensors ability to detect detonation.
1. Install the knock sensor (4).
Tighten the knock sensor to 19 Nm (14 lb ft).
2. Connect the knock sensor electrical connector.
3. Lower the vehicle.
4. Fill the cooling system. Refer to Cooling System Draining and Filling (L26 Static Fill) (Service and Repair)Cooling System Draining and Filling (LS4 Static Fill) (Service and Repair)Cooling System Draining and Filling (L26 GE 47716 Fill) (Service and Repair)Cooling System Draining and Filling (LS4 GE 47716 Fill) (Service and Repair).