Operation CHARM: Car repair manuals for everyone.
Manuals through 2025 now available!

Our trusted friends have launched a new website named LEMON, which has newer manuals. It also contains all the CHARM manuals.

LEMON is the spiritual successor to CHARM, I recommend you try it!

Link: lemon-manuals.la or lemon-manuals.org.ua

(Some people have issue connecting. LEMON is investigating. For now, use Firefox or change your DNS server)

Or, hide this message: temporarily or permanently

Generator Replacement




Generator Replacement (L26) (3.8L)

Removal Procedure




1. Disconnect the negative battery cable. Refer to Battery Negative Cable Disconnection and Connection (L26) (Service and Repair)Battery Negative Cable Disconnection and Connection (LS4) (Service and Repair).
2. Remove the drive belt from the generator. Refer to Drive Belt Replacement (L26) (Service and Repair).
3. Remove the generator rear brace. Refer to Generator Brace Replacement (L26) (Generator Brace Replacement).
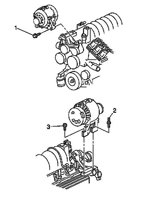
4. Remove the bolts (1, 3) and the stud (2) from the generator.
5. Disconnect the electrical connector from the generator.
6. Position aside the protective boot from the generator output BAT terminal for access.
7. Remove the generator output BAT terminal nut and remove the positive battery lead from the generator.
8. Remove the generator.

Installation Procedure

1. Position the generator to the engine.





Caution: Refer to Fastener Caution (Fastener Caution).

2. Install the positive battery lead to the generator.
3. Install the generator output BAT terminal nut.

Tighten the generator output BAT terminal nut to 20 Nm (15 lb ft).

4. Install the protective boot to the generator output BAT terminal.
5. Connect the electrical connector to the generator.

Note: Do not tighten the stud.

6. Install the generator stud (2) to the generator bracket.

Note: Do not tighten the bolts.

7. Install the generator bolts (1, 3) to the generator bracket.
8. Tighten the generator bolts and stud in the order described. The following is a mandatory torque sequence:

1. Tighten the generator bolt (1) to 50 Nm (37 lb ft).
2. Tighten the generator stud (2) to 50 Nm (37 lb ft).
3. Tighten the generator rear bracket bolt (3) to 50 Nm (37 lb ft).

9. Install the generator rear brace. Refer to Generator Brace Replacement (L26) (Generator Brace Replacement).
10. Install the drive belt. Refer to Drive Belt Replacement (L26) (Service and Repair).
11. Connect the negative battery negative cable. Refer to Battery Negative Cable Disconnection and Connection (L26) (Service and Repair)Battery Negative Cable Disconnection and Connection (LS4) (Service and Repair).