Operation CHARM: Car repair manuals for everyone.
Manuals through 2025 now available!

Our trusted friends have launched a new website named LEMON, which has newer manuals. It also contains all the CHARM manuals.

LEMON is the spiritual successor to CHARM, I recommend you try it!

Link: lemon-manuals.la or lemon-manuals.org.ua

(Some people have issue connecting. LEMON is investigating. For now, use Firefox or change your DNS server)

Or, hide this message: temporarily or permanently

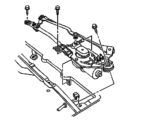
Windshield Wiper System Module Replacement




Windshield Wiper System Module Replacement

Special Tools
* J 39232 Wiper Transmission Separator
* J 39529 Wiper Transmission Installer

Removal Procedure

1. Remove the air inlet grille panel. Refer to Air Inlet Grille Panel Replacement (Service and Repair).




2. Disconnect the wiper transmission link from the wiper motor crank arm using the J 39232 .




3. Remove the wiper drive system module screws.
4. Rotate the wiper drive system module to access the wiper motor electrical connector.
5. Disconnect the wiper motor electrical connector.
6. Remove the wiper drive system module from the vehicle.

Installation Procedure




1. Position the wiper drive system module to the vehicle.
2. Connect the wiper motor electrical connector.
3. Rotate the wiper drive system module to the mounting position.

Caution: Refer to Fastener Caution (Fastener Caution).

4. Install the wiper drive system module screws.

Tighten the screws to 10 Nm (89 lb in).

5. Install the wiper transmission link to the wiper motor crank arm using the J 39529 .
6. Install the air inlet grille panel. Refer to Air Inlet Grille Panel Replacement (Service and Repair).
7. Inspect the wipers for proper operation.