Operation CHARM: Car repair manuals for everyone.
Manuals through 2025 now available!

Our trusted friends have launched a new website named LEMON, which has newer manuals. It also contains all the CHARM manuals.

LEMON is the spiritual successor to CHARM, I recommend you try it!

Link: lemon-manuals.la or lemon-manuals.org.ua

(Some people have issue connecting. LEMON is investigating. For now, use Firefox or change your DNS server)

Or, hide this message: temporarily or permanently

Condenser HVAC: Service and Repair




Air Conditioning Condenser Replacement

Special Tools

J 39400-A - Halogen Leak Detector

Removal Procedure

1. Recover the refrigerant. Refer to Refrigerant Recovery and Recharging (Refrigerant Recovery and Recharging).
2. Remove the front compartment sight shield. Refer to Front Compartment Sight Shields Replacement (Front Compartment Sight Shields Replacement).
3. Remove the hood latch support. Refer to Hood Latch Support Replacement (Service and Repair).




4. Remove the evaporator hose nut (1) from the condenser.
5. Remove the evaporator hose (2) from the condenser.
6. Remove and discard the sealing washers. Refer to Air Conditioning System Seal Replacement (Air Conditioning System Seal Replacement)




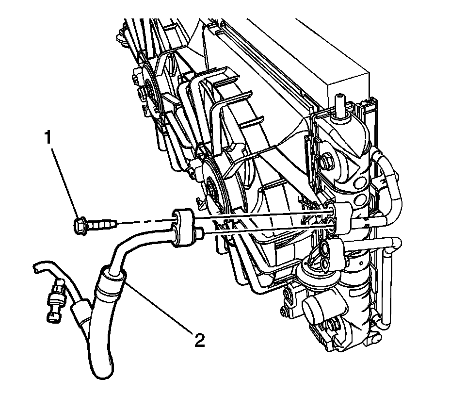
7. Remove the suction hose bolt (1) from the condenser.
8. Remove the suction hose (2) from the condenser.
9. Remove and discard the sealing washers. Refer to Air Conditioning System Seal Replacement (Air Conditioning System Seal Replacement).




10. Remove the condenser lines to radiator mounting bolt (1).




11. Remove the condenser mounting bolts (1).




12. Remove the condenser from the radiator retainer (1).
13. Remove the condenser (2) from the vehicle.

Installation Procedure

Note: If replacing the condenser, add refrigerant oil to condenser. Refer to Refrigerant System Capacities ([1][2]Capacity Specifications).




1. Install the condenser (2) into the radiator retainer (1).





Caution: Refer to Fastener Caution (Fastener Caution).

2. Install the condenser mounting bolts (1) and tighten to9 Nm (80 lb in).





Note: Reuse the condenser line mounting bracket.

3. Install the condenser line to radiator mounting bolt (1) and tighten to6 Nm (53 lb in).




4. Install new sealing washers. Refer to Air Conditioning System Seal Replacement (Air Conditioning System Seal Replacement).
5. Install the suction hose (2) to the condenser.
6. Install the suction hose bolt (1) to the condenser and tighten to16 Nm (12 lb ft).




7. Install new sealing washers. Refer to Air Conditioning System Seal Replacement (Air Conditioning System Seal Replacement).
8. Install the evaporator hose (2) to the condenser.
9. Install the evaporator hose nut (1) to the condenser and tighten to16 Nm (12 lb ft).
10. Install the hood latch bracket. Refer to Hood Latch Support Replacement (Service and Repair).
11. Recharge the A/C system. Refer to Refrigerant Recovery and Recharging (Refrigerant Recovery and Recharging).
12. Leak test the fittings using the J 39400-A - Halogen Leak Detector.
13. Install the front compartment sight shield. Refer to Front Compartment Sight Shields Replacement (Front Compartment Sight Shields Replacement).