Operation CHARM: Car repair manuals for everyone.
Manuals through 2025 now available!

Our trusted friends have launched a new website named LEMON, which has newer manuals. It also contains all the CHARM manuals.

LEMON is the spiritual successor to CHARM, I recommend you try it!

Link: lemon-manuals.la or lemon-manuals.org.ua

(Some people have issue connecting. LEMON is investigating. For now, use Firefox or change your DNS server)

Or, hide this message: temporarily or permanently

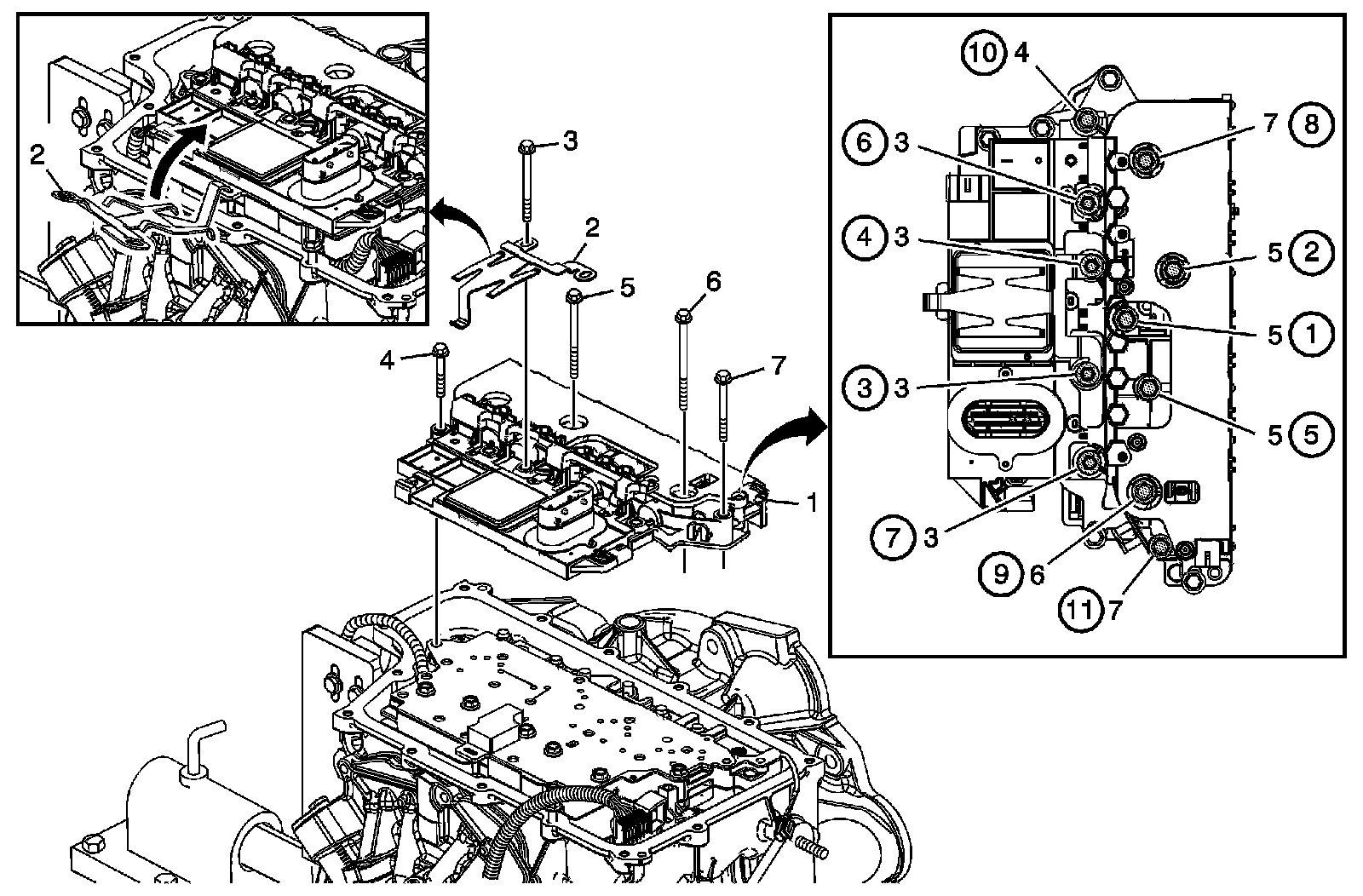
53. Control Valve Body Assembly Installation




Control Valve Body Assembly Installation

Output Speed Sensor and Valve Body Installation









Control Valve Body Bolts Installation









Filter Plate Installation









Control Solenoid (w/Body and TCM) Valve Assembly Installation









Wire Routing and Connector Locations









Control Valve Body Cover Installation