Operation CHARM: Car repair manuals for everyone.
Manuals through 2025 now available!

Our trusted friends have launched a new website named LEMON, which has newer manuals. It also contains all the CHARM manuals.

LEMON is the spiritual successor to CHARM, I recommend you try it!

Link: lemon-manuals.la or lemon-manuals.org.ua

(Some people have issue connecting. LEMON is investigating. For now, use Firefox or change your DNS server)

Or, hide this message: temporarily or permanently

Engine Ground Cable Replacement




Engine Ground Cable Replacement

Removal Procedure

Note:
* Always use replacement cables that are of the same type, diameter and length of the cables that you are replacing.
* Always route the replacement cable the same way as the original cable.




1. Remove the front compartment sight shield. Refer to Front Compartment Sight Shields Replacement (Front Compartment Sight Shields Replacement).
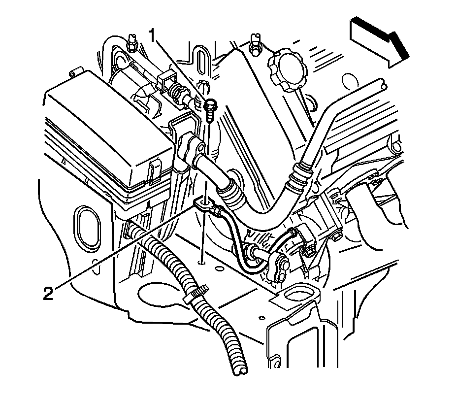
2. Remove the bolt (1) securing the engine ground cable (2) to the right side body frame rail.




3. Remove the rear generator bolt.
4. Remove the engine ground cable.

Installation Procedure




1. Position the engine ground cable to the generator.

Caution: Refer to Fastener Caution (Fastener Caution).

2. Install the rear generator bolt and tighten to 50 Nm (37 lb ft).




3. Install the bolt (1) securing the engine ground cable (2) to the right side body frame rail and tighten to 25 Nm (18 lb ft).
4. Install the front compartment sight shield. Refer to Front Compartment Sight Shields Replacement (Front Compartment Sight Shields Replacement).