Operation CHARM: Car repair manuals for everyone.
Manuals through 2025 now available!

Our trusted friends have launched a new website named LEMON, which has newer manuals. It also contains all the CHARM manuals.

LEMON is the spiritual successor to CHARM, I recommend you try it!

Link: lemon-manuals.la or lemon-manuals.org.ua

(Some people have issue connecting. LEMON is investigating. For now, use Firefox or change your DNS server)

Or, hide this message: temporarily or permanently

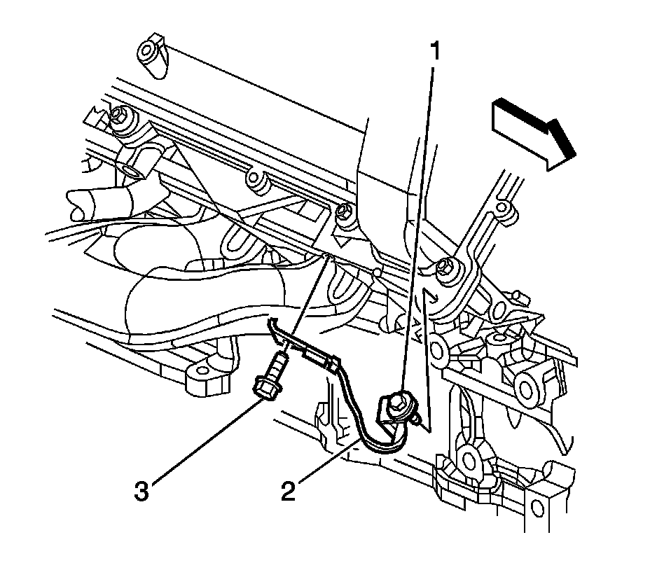
Engine Ground Strap Replacement




Engine Ground Strap Replacement

Removal Procedure




1. Remove the intake manifold cover, Refer to Intake Manifold Cover Replacement (Intake Manifold Cover Replacement).
2. Remove the ignition control module (ICM) ground strap bolt (3) from the cylinder head.
3. Loosen the ICM ground strap bolt (1) from the camshaft cover.
4. Remove the ICM ground strap (2).




5. Remove the ICM ground strap bolt (3) from the cylinder head.
6. Loosen the ICM ground strap bolt (1) from the camshaft cover.
7. Remove the ICM ground strap (2).

Installation Procedure




1. Install the ICM ground strap (2).

Caution: Refer to Fastener Caution (Fastener Caution).

2. Tighten the ICM ground strap bolt (1) to the camshaft cover to 10 Nm (89 lb in).
3. Install the ICM ground strap bolt (3) to the cylinder head and tighten to 25 Nm (18 lb ft).




4. Install the ICM ground strap (2).
5. Tighten the ICM ground strap bolt (1) to the camshaft to 10 Nm (89 lb in).
Install the ICM ground strap bolt (3) to the cylinder head and tighten to 10 Nm (89 lb in).
6. Install the intake manifold cover. Refer to Intake Manifold Cover Replacement (Intake Manifold Cover Replacement).