Operation CHARM: Car repair manuals for everyone.
Manuals through 2025 now available!

Our trusted friends have launched a new website named LEMON, which has newer manuals. It also contains all the CHARM manuals.

LEMON is the spiritual successor to CHARM, I recommend you try it!

Link: lemon-manuals.la or lemon-manuals.org.ua

(Some people have issue connecting. LEMON is investigating. For now, use Firefox or change your DNS server)

Or, hide this message: temporarily or permanently

Electrical Diagrams



Engine Controls Schematics

Module Power, Ground, Serial Data, and MIL






5V1, 5V2, 5V3, and 5V4 and Low Reference Bus (1 of 2)






Low Reference Bus (2 of 2)






Engine Data Sensors - Pressure, Temperature and Throttle Controls






Engine Data Sensors - Oxygen Sensors






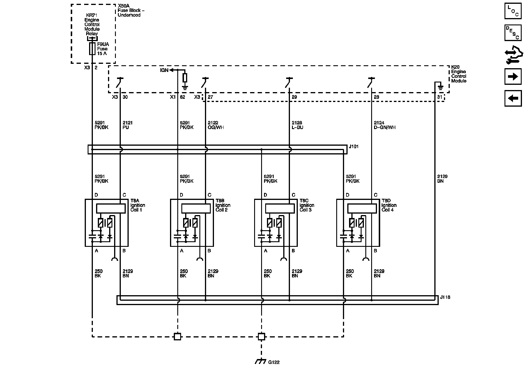
Ignition Controls - Ignition System






Ignition Controls - Inputs and Camshaft Controls






Fuel Controls - Fuel Injectors and High Pressure Control






Fuel Controls - Fuel Pump and Control






Fuel Controls - Emission Controls






Subsystem References