Operation CHARM: Car repair manuals for everyone.
Manuals through 2025 now available!

Our trusted friends have launched a new website named LEMON, which has newer manuals. It also contains all the CHARM manuals.

LEMON is the spiritual successor to CHARM, I recommend you try it!

Link: lemon-manuals.la or lemon-manuals.org.ua

(Some people have issue connecting. LEMON is investigating. For now, use Firefox or change your DNS server)

Or, hide this message: temporarily or permanently

Electrical Diagrams




Engine Controls Schematics (LFX)

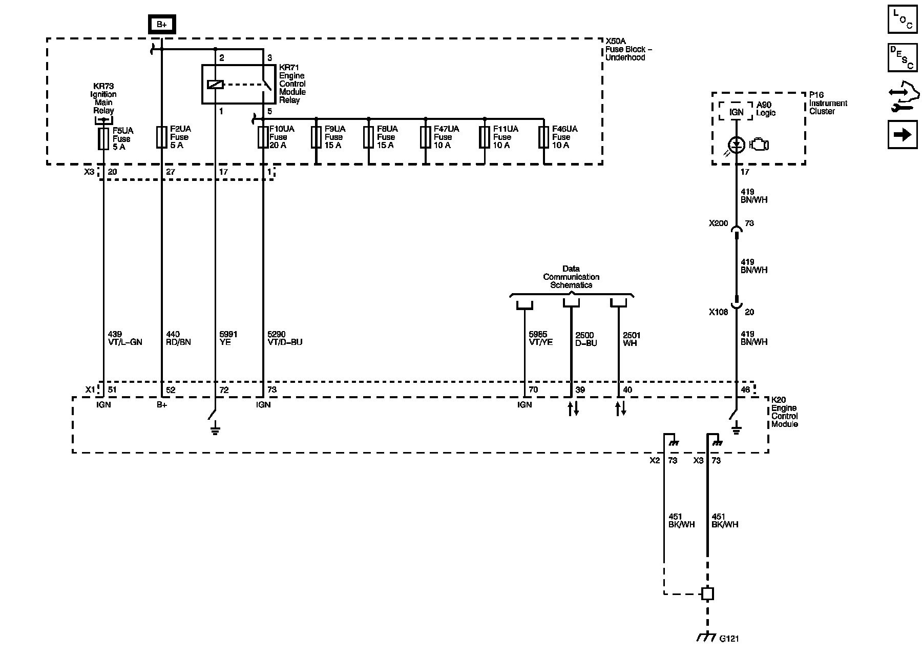
Module Power, Ground, Serial Data, and MIL






5V1, and Low Reference Bus (1 of 2)






5V2, 5V3, 5V4 and Low Reference Bus (2 of 2)






Engine Data Sensors - Pressure, Temperature, and Throttle Controls






Engine Data Sensors - Oxygen Sensors






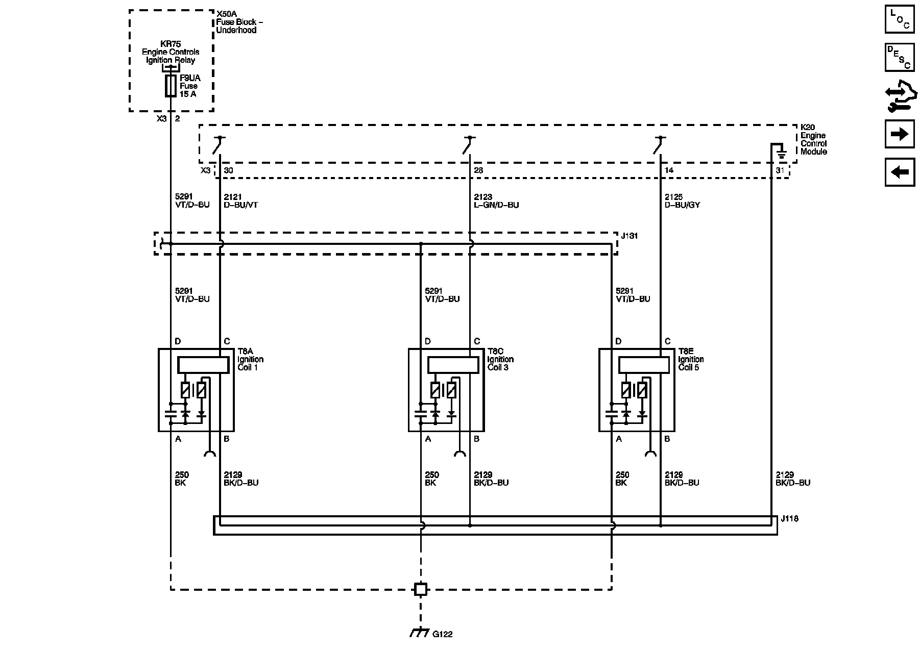
Ignition Controls - Bank 1 Ignition System






Ignition Controls - Bank 2 Ignition System






Ignition Controls - Camshaft Solenoids, Camshaft, Crankshaft and Knock Sensors






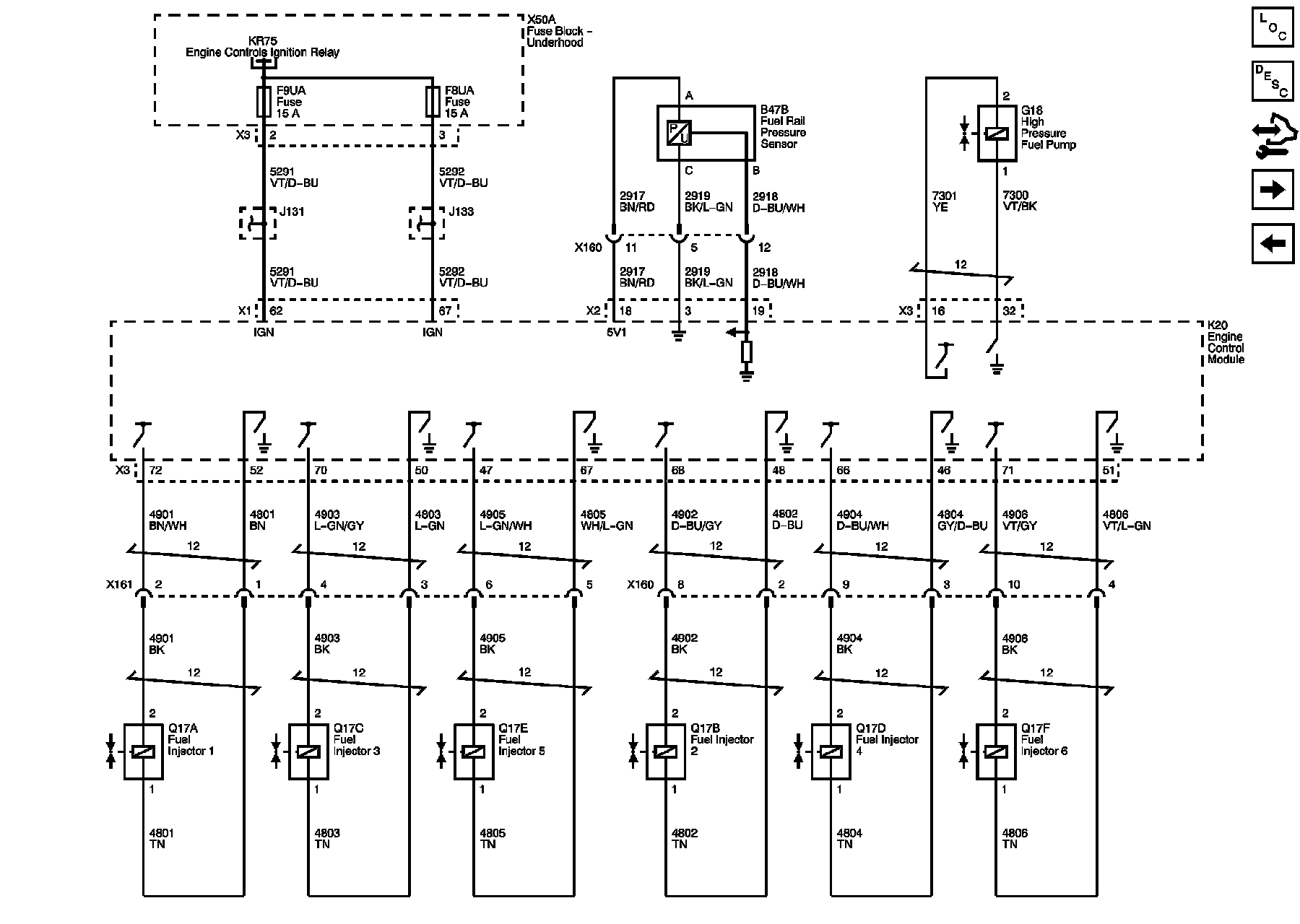
Fuel Controls - Fuel Injectors and Fuel Pressure






Fuel Controls - Fuel Pump Flow Control






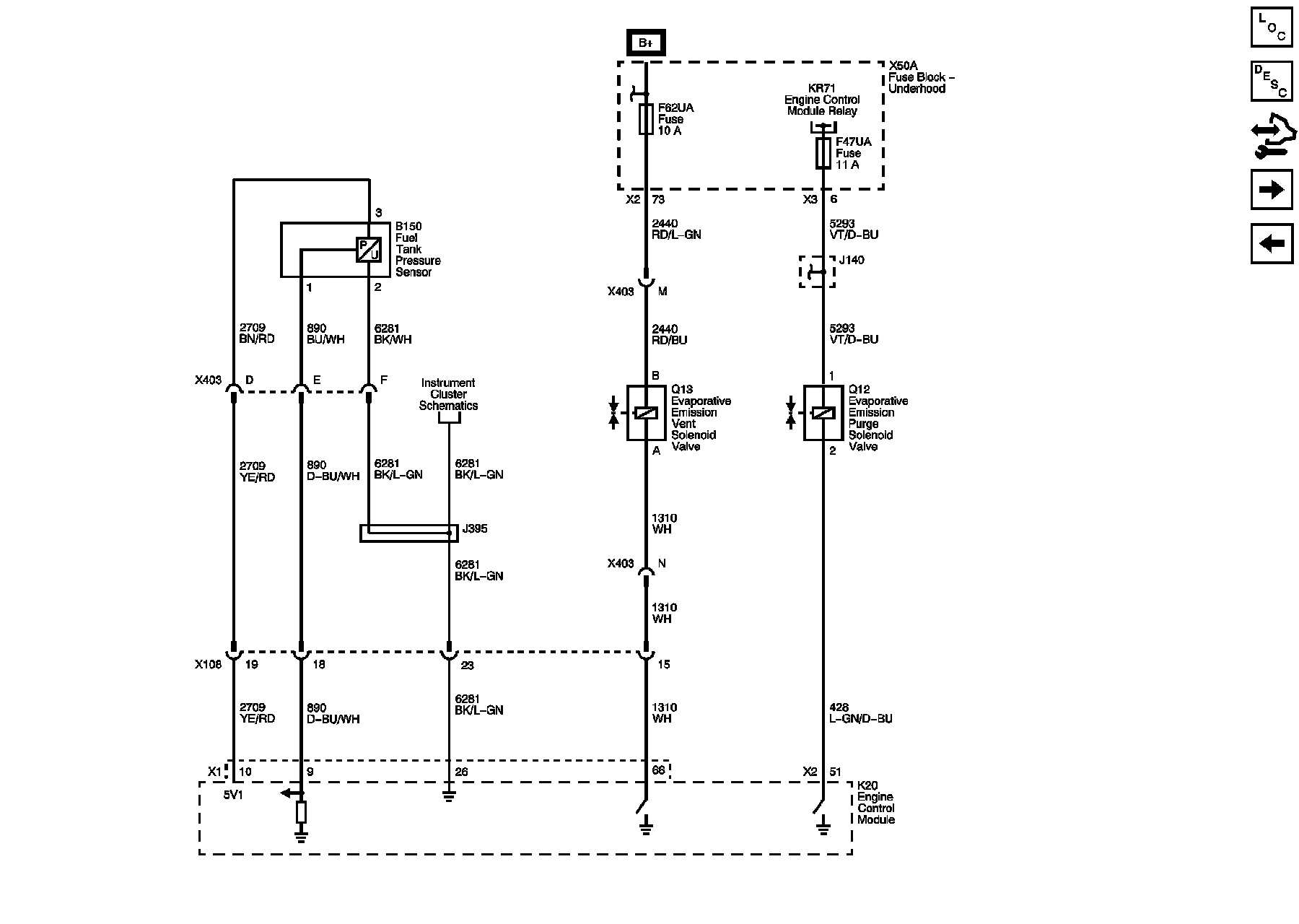
Fuel Controls - Evaporative Emission Controls






Controlled/Monitored Subsystem References