Operation CHARM: Car repair manuals for everyone.
Manuals through 2025 now available!

Our trusted friends have launched a new website named LEMON, which has newer manuals. It also contains all the CHARM manuals.

LEMON is the spiritual successor to CHARM, I recommend you try it!

Link: lemon-manuals.la or lemon-manuals.org.ua

(Some people have issue connecting. LEMON is investigating. For now, use Firefox or change your DNS server)

Or, hide this message: temporarily or permanently

Battery Positive and Negative Cable Replacement




Battery Positive and Negative Cable Replacement (LUK)

Removal Procedure




1. Disconnect the negative battery cable. Refer to Battery Negative Cable Disconnection and Connection Battery Negative Cable Disconnection and Connection.




2. Release the tabs (1) and open the battery fuse block cover (2).




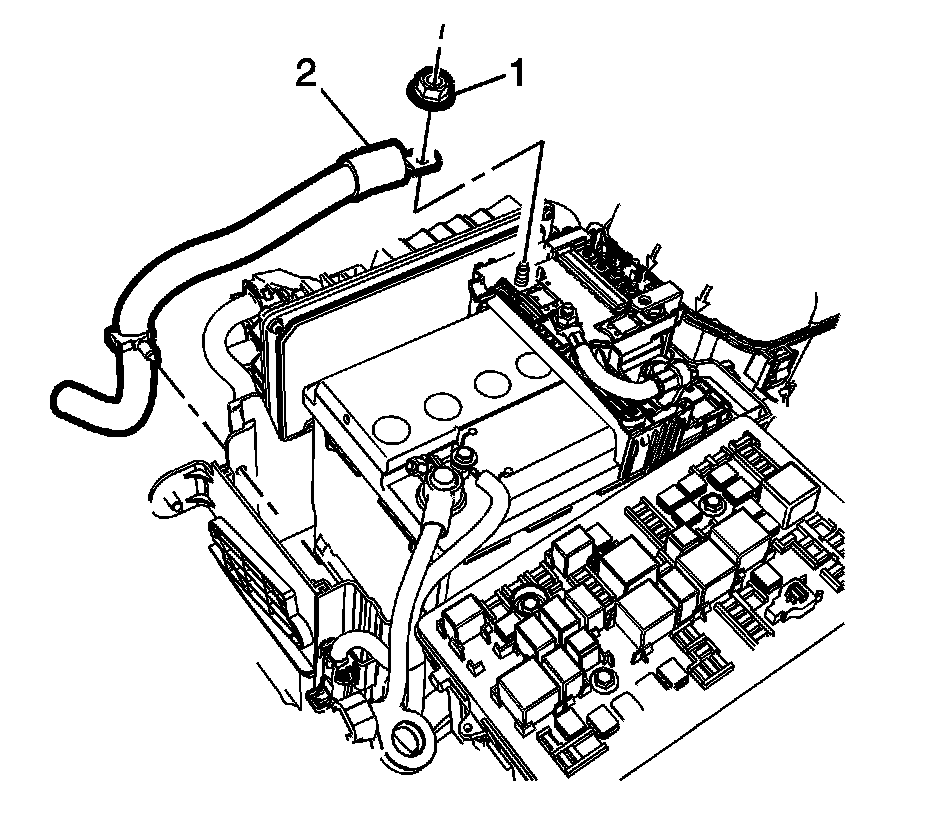
3. Remove the battery positive nut (1) and the cable (2), from the battery fuse block.




4. Remove the battery negative nut (1) and terminal (2) from the left front frame rail.




5. Remove the battery positive and negative cable (1) from the ground frame stud.




6. Remove the battery positive and negative cable bolt (1) and the ground terminal (2).




7. Remove the starter solenoid nut (1) and battery positive cable (2) from the starter solenoid.

Note: Observe how the battery positive and negative cable was routed within the engine compartment.

8. Remove the battery positive and negative cable from the engine compartment.

Installation Procedure





Caution: Refer to Fastener Caution Fastener Caution.

1. Install the battery positive cable (2) to the battery fuse block and tighten the nut (1) to 10 Nm (88 lb in).




2. Install the battery positive and negative cable (1) to the frame rail stud.




3. Install the negative battery cable terminal (2) and tighten the nut (1) to 25 Nm (18 lb ft).




4. Install the battery positive and negative cable terminal and nut (1) to the starter solenoid. Tighten to 10 Nm (88 lb in).




5. Install the battery positive and negative cable (2) to the engine block. Tighten the bolt (1) to 25 Nm (18 lb ft).




6. Close battery fuse block cover (2) and connect battery negative cable. Refer to Battery Negative Cable Disconnection and Connection Battery Negative Cable Disconnection and Connection.