Operation CHARM: Car repair manuals for everyone.
Manuals through 2025 now available!

Our trusted friends have launched a new website named LEMON, which has newer manuals. It also contains all the CHARM manuals.

LEMON is the spiritual successor to CHARM, I recommend you try it!

Link: lemon-manuals.la or lemon-manuals.org.ua

(Some people have issue connecting. LEMON is investigating. For now, use Firefox or change your DNS server)

Or, hide this message: temporarily or permanently

Engine Support Fixture




Engine Support Fixture

Special Tools

* EN-28467-B - Universal Engine Support Fixture

* EN-28467-501B - Engine Support Fixture Adapters

* EN-36857 - Engine Lift Bracket

For equivalent regional tools, refer to Special Tools Special Tools.

1. Remove the intake manifold cover. Refer to Intake Manifold Cover Replacement Intake Manifold Cover Replacement.

2. Remove the air inlet grille panel. Refer to Air Inlet Grille Panel Replacement Air Inlet Grille Panel Replacement.





Caution:
Refer to Fastener Caution Fastener Caution

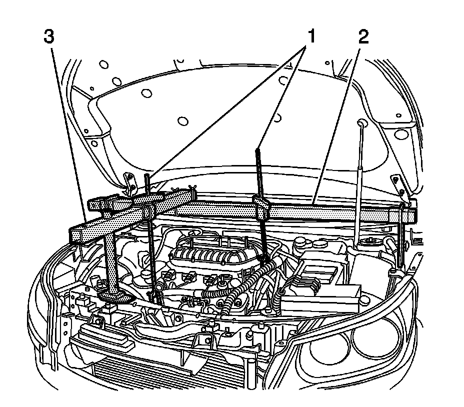
3. Use a grade 10.9 bolt to install a EN-36857 - bracket(1) to the right cylinder head in the location shown. Tighten the bolt to 65 Nm (48 lb ft).





4. Use a grade 10.9 bolt with a 25 mm (1 in) spacer to install the EN-36857 - bracket(1) to the left cylinder head in the location shown. Tighten the bolt to 65 Nm (48 lb ft).





5. Assemble the EN-28467-501B - legs(1) to the EN-28467-B - cross bar.





6. Install the support hook (1) to the EN-28467-B - fixture(2).

7. Install the support hook (1) to the EN-36857 - bracket.

8. Raise the engine to release the pressure off of the engine mounts.

9. Reverse the procedure for removal.