Operation CHARM: Car repair manuals for everyone.
Manuals through 2025 now available!

Our trusted friends have launched a new website named LEMON, which has newer manuals. It also contains all the CHARM manuals.

LEMON is the spiritual successor to CHARM, I recommend you try it!

Link: lemon-manuals.la or lemon-manuals.org.ua

(Some people have issue connecting. LEMON is investigating. For now, use Firefox or change your DNS server)

Or, hide this message: temporarily or permanently

Power Distribution Schematics




Power Distribution Schematics

Battery Fuse Block





B+ Bus (1 of 2)





B+ Bus (2 of 2)





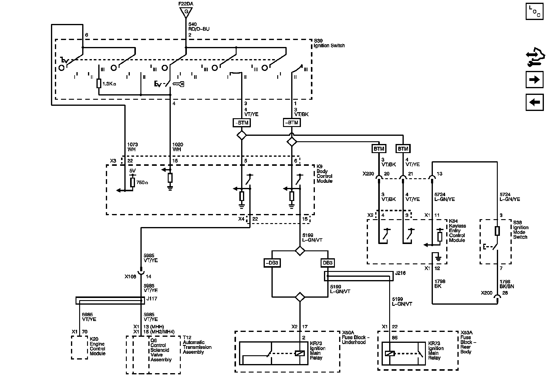
Ignition Switch





F1UA, F2UA, F22UA, F23UA, F26UA, F29UA, and F70UA Fuses





F27UA, F34UA, F36UA, F41UA, F55UA, F62UA, F64UA, and F67UA Fuses





F21UA, F24UA, F32UA, F33UA, F35UA, F69UA and F71UA Fuses





F5UA, F13UA, F16UA, F17UA, F18UA, F52UA, F53UA, and F54UA Fuses





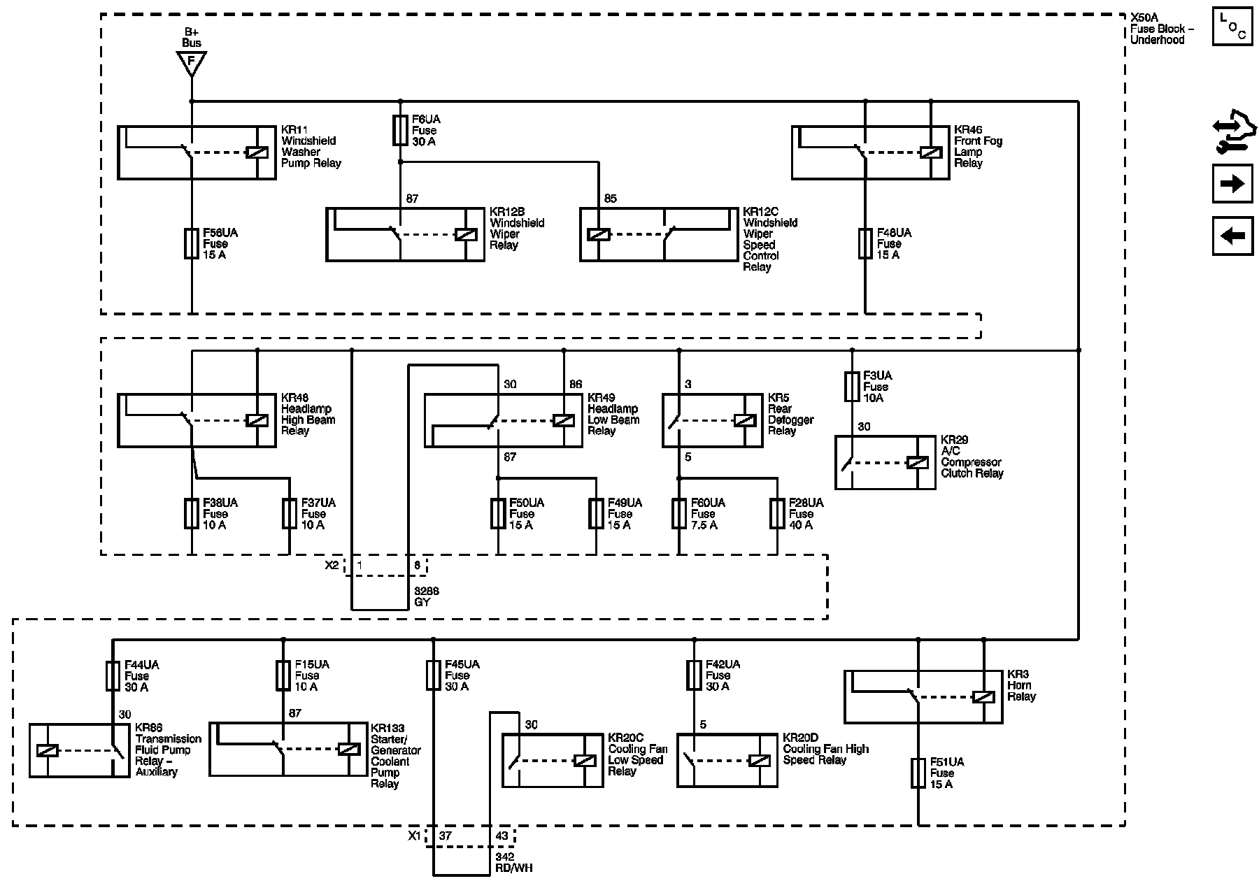
F28UA, F42UA, F45UA, F46UA, and F60UA Fuses





F14UA, F37UA, F38UA, F49UA, F50UA, F59UA and F66UA Fuses





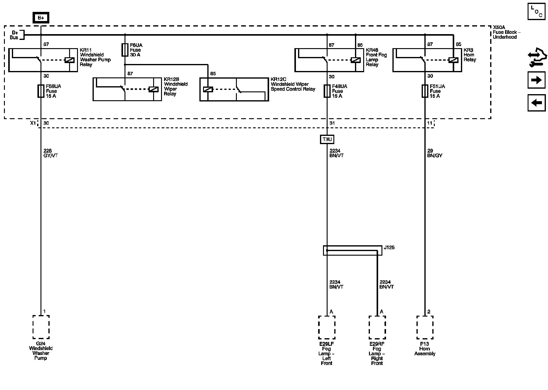
F6UA, F48UA, F51UA, and F56UA Fuses





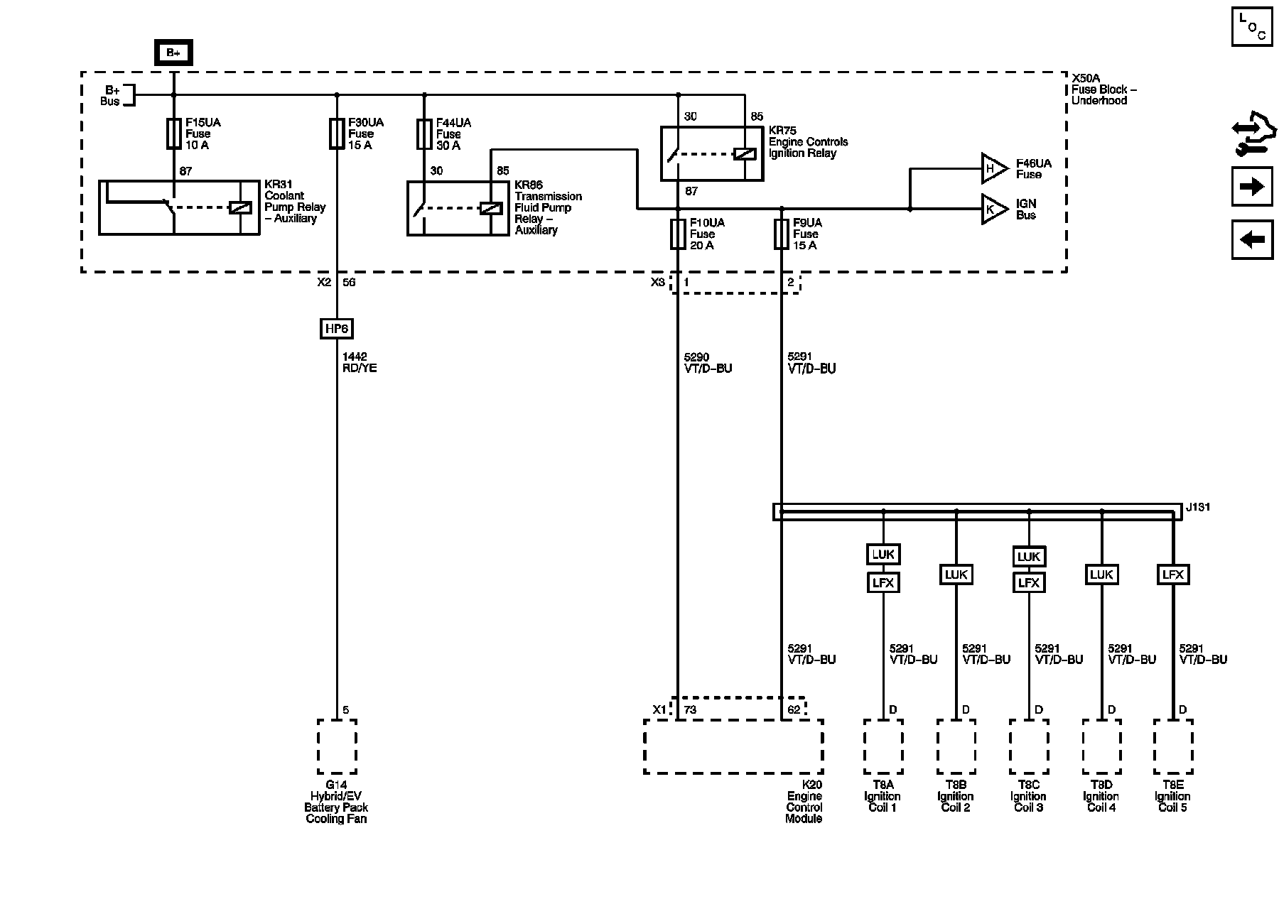
F9UA, F10UA, F15UA, F30UA, and F44UA Fuses





F8UA, F11UA and F47UA Fuses





F14DA, F15DA, F17DA, F19DA, F20DA, F21DA, F22DA, F23DA, F24DA, and F26DA Fuses





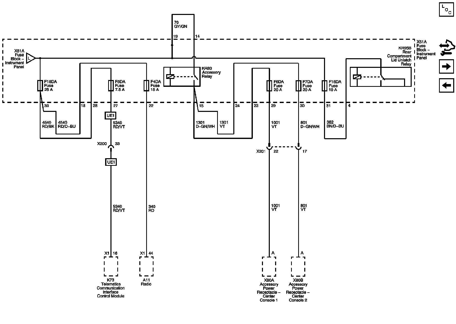
F4DA, F5DA, F6DA, F7DA, F16DA, and F18DA Fuses





F2DA, F3DA, F8DA, F9DA, F10DA, F11DA Fuses and F12DA, F13DA Circuit Breakers





F6RA, F18RA, F20RA, F31RA, F32RA, F33RA and F35RA Fuses