Operation CHARM: Car repair manuals for everyone.
Manuals through 2025 now available!

Our trusted friends have launched a new website named LEMON, which has newer manuals. It also contains all the CHARM manuals.

LEMON is the spiritual successor to CHARM, I recommend you try it!

Link: lemon-manuals.la or lemon-manuals.org.ua

(Some people have issue connecting. LEMON is investigating. For now, use Firefox or change your DNS server)

Or, hide this message: temporarily or permanently

Electrical Diagrams




Engine Controls Schematics

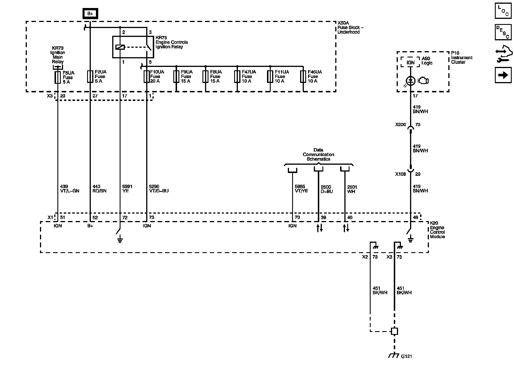
Module Power, Ground, Serial Data, and MIL





5V1, and Low Reference Bus (1 of 2)





5V2, 5V3, 5V4, and Low Reference Bus (2 of 2)





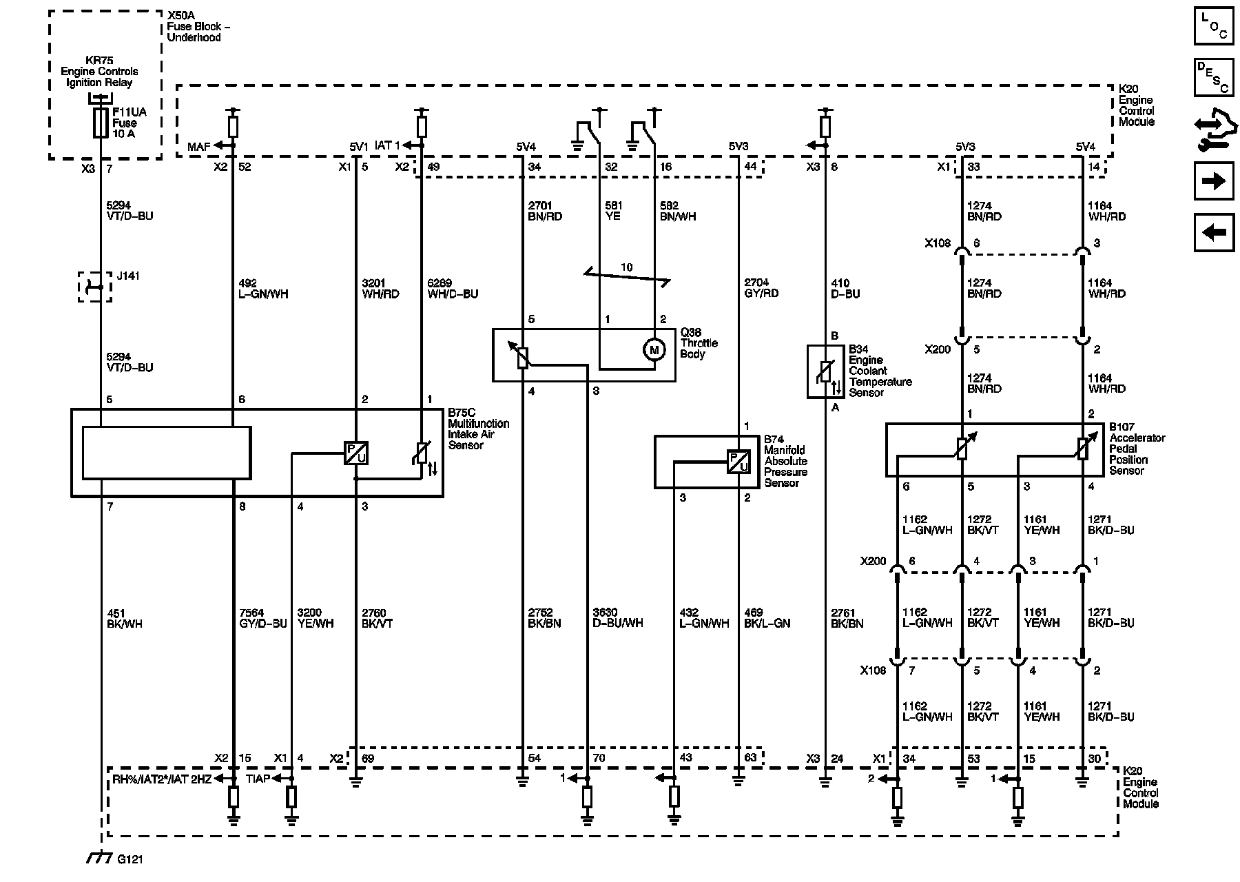
Engine Data Sensors - Pressure, Temperature, and Throttle Controls





Engine Data Sensors - Oxygen Sensors





Ignition Controls - Bank 1 Ignition System





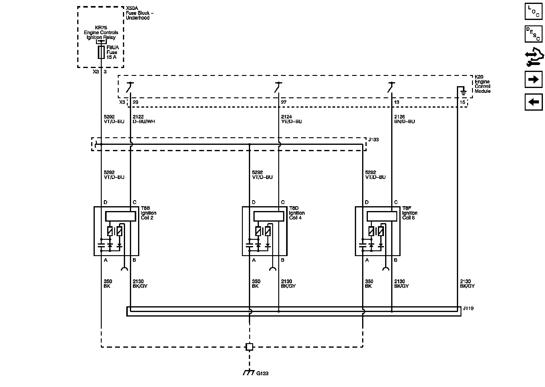
Ignition Controls - Bank 2 Ignition System





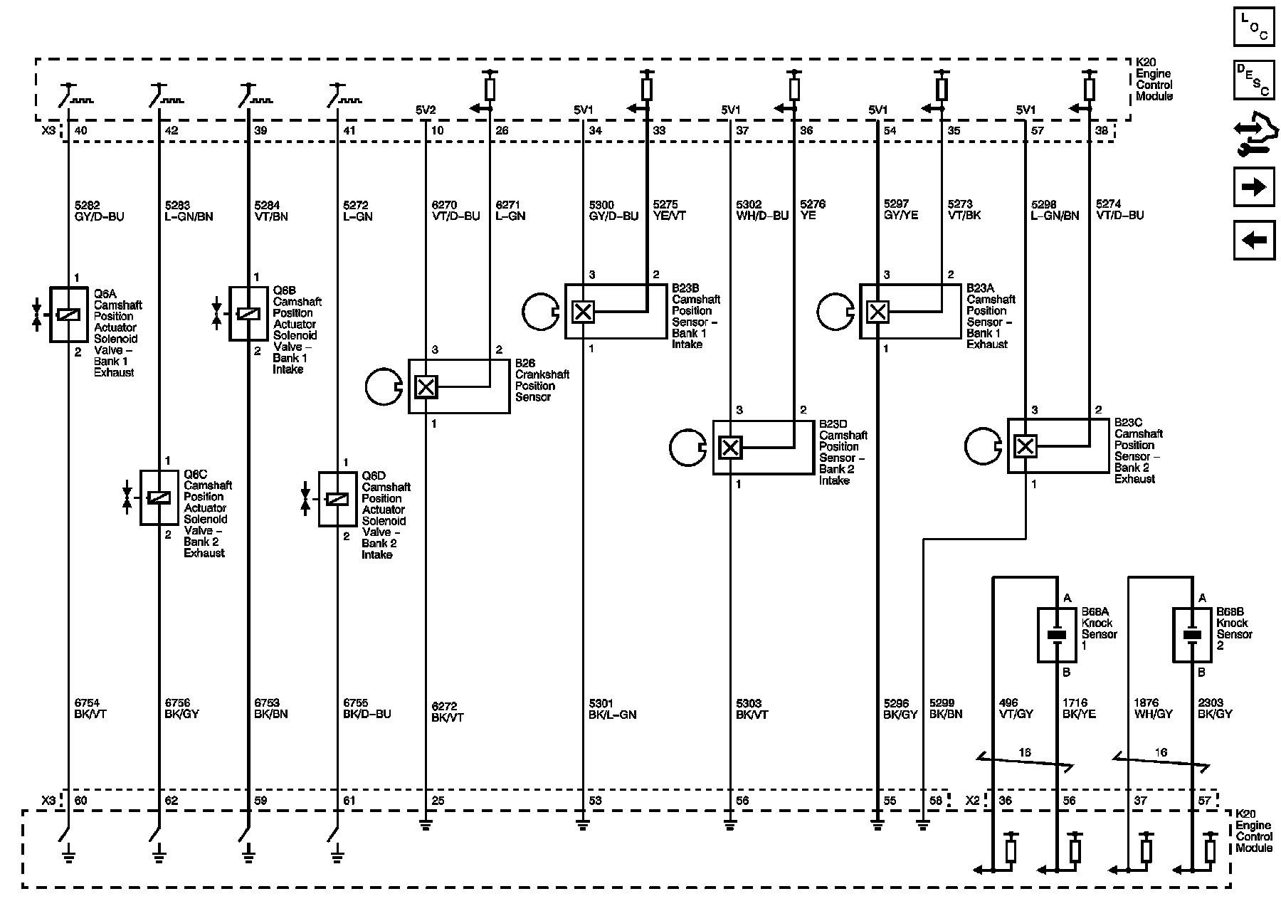
Ignition Controls - Camshaft Solenoids, Camshaft, Crankshaft and Knock Sensors





Fuel Controls - Injectors, Composition and Fuel Pressure





Fuel Controls - Fuel Pump Controls





Fuel Controls - Evaporative Emission Controls





Secondary Air Injection (NU6)





Controlled/Monitored Subsystem References