Operation CHARM: Car repair manuals for everyone.
Manuals through 2025 now available!

Our trusted friends have launched a new website named LEMON, which has newer manuals. It also contains all the CHARM manuals.

LEMON is the spiritual successor to CHARM, I recommend you try it!

Link: lemon-manuals.la or lemon-manuals.org.ua

(Some people have issue connecting. LEMON is investigating. For now, use Firefox or change your DNS server)

Or, hide this message: temporarily or permanently

Information Bus





Data Communication Schematics

Low Speed GMLAN (except CZ2)





High Speed GMLAN (1 of 2) (except CZ2)





High Speed GMLAN (2 of 2) (except CZ2)





High Speed GMLAN CE Bus





Communications Enable (except CZ2)





Linear Interconnect Network (except CZ2)





Low and Mid Speed GMLAN (CZ2)





High Speed GMLAN (CZ2)





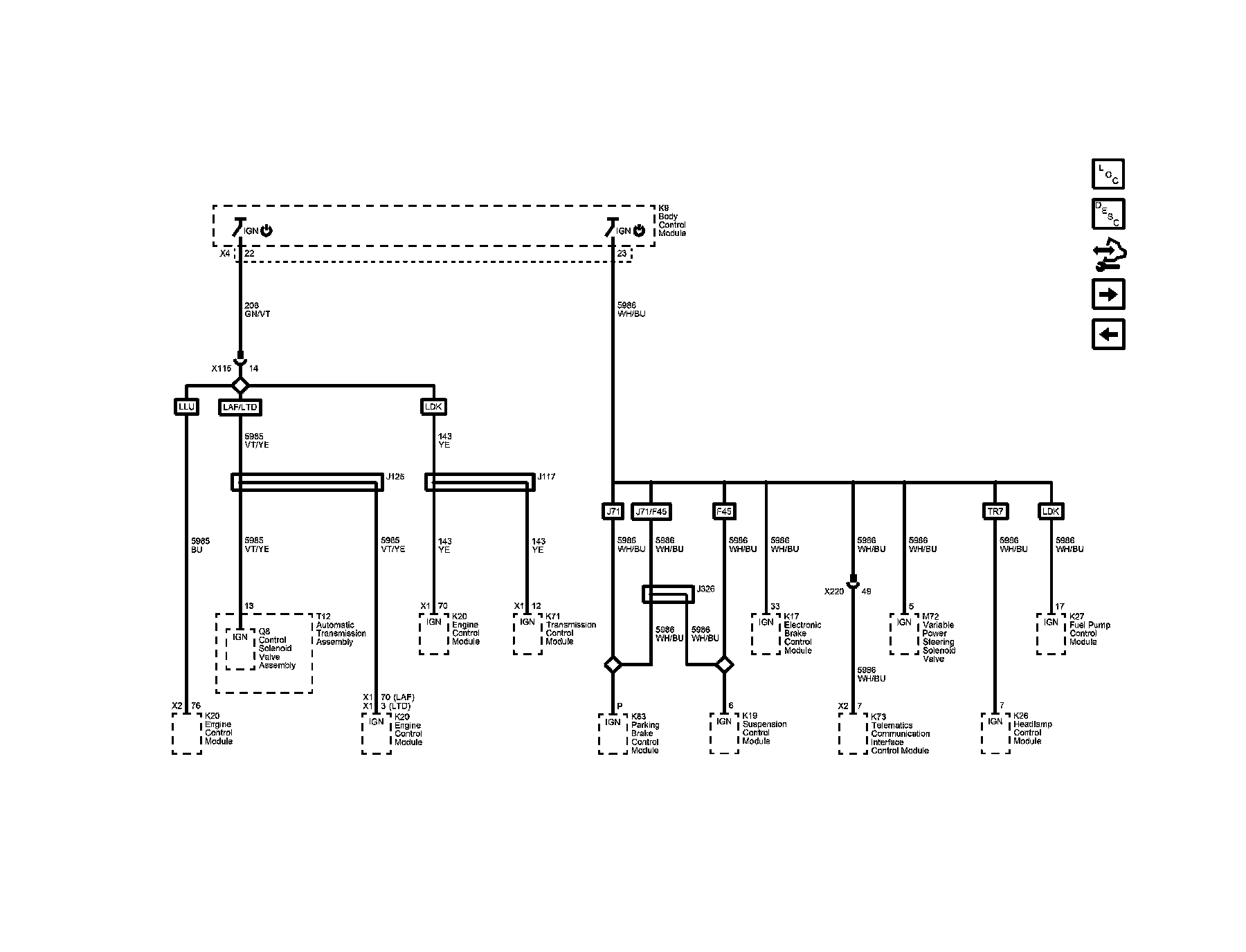
Powertrain High Speed GMLAN (LHU/LAF/LDK)





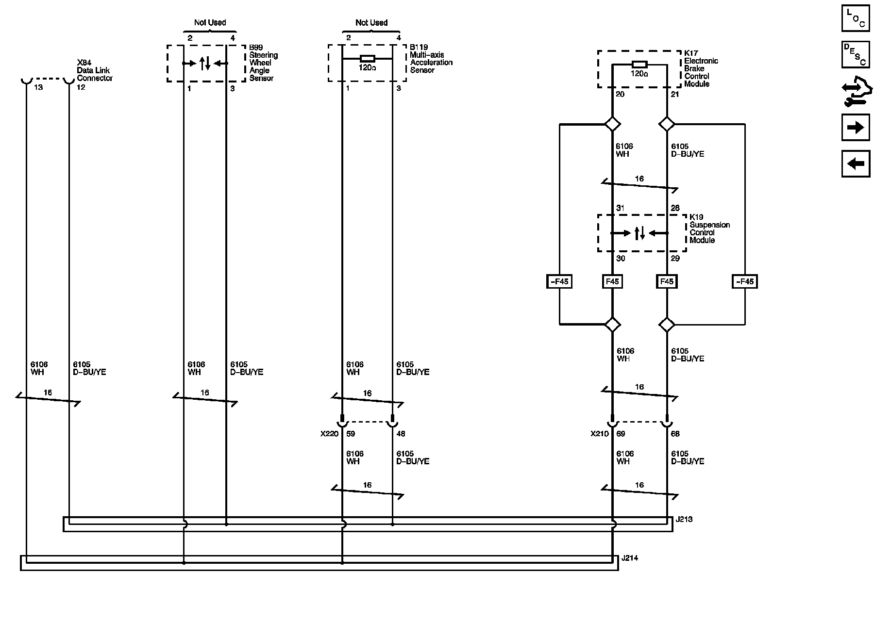
Chassis High Speed GMLAN (CZ2)





Communications Enable (CZ2)





Local Interconnect Network (LIN) Bus (1 of 2) (CZ2)





Local Interconnect Network (LIN) Bus (2 of 2) (CZ2)