Operation CHARM: Car repair manuals for everyone.
Manuals through 2025 now available!

Our trusted friends have launched a new website named LEMON, which has newer manuals. It also contains all the CHARM manuals.

LEMON is the spiritual successor to CHARM, I recommend you try it!

Link: lemon-manuals.la or lemon-manuals.org.ua

(Some people have issue connecting. LEMON is investigating. For now, use Firefox or change your DNS server)

Or, hide this message: temporarily or permanently

System Diagram





Engine Controls Schematics (LHU)

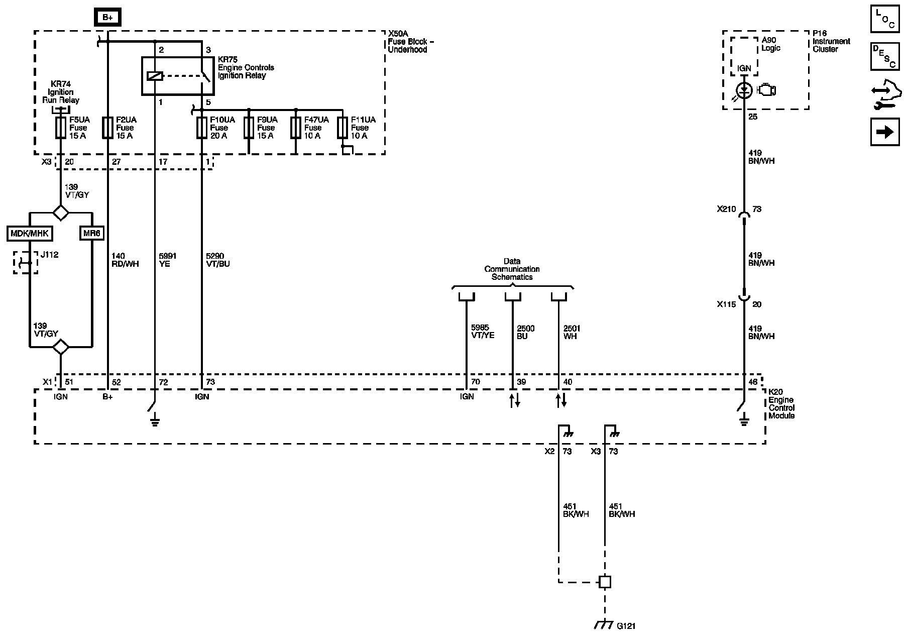
Module Power, Ground, Serial Data, and MIL





5V1, and Low Reference Bus (1 of 2)





5V2, 5V3, 5V4, and Low Reference Bus (2 of 2)





Engine Data Sensors - Pressure and Temperature





Engine Data Sensors - Oxygen Sensors





Engine Data Sensors - Throttle Controls





Ignition Controls - Ignition System





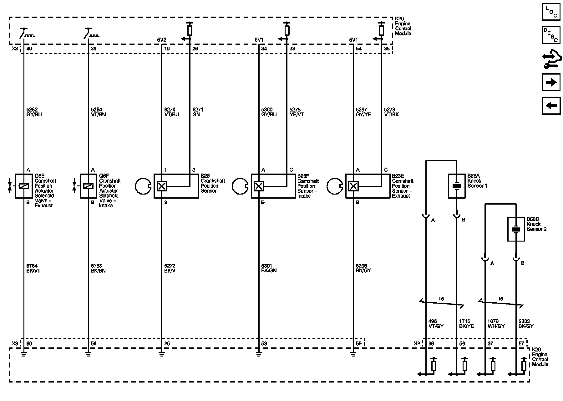
Ignition Controls - Camshaft, Crankshaft, Knock Sensors, and Camshaft Actuators





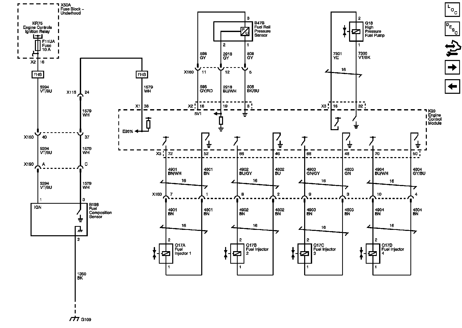
Fuel Controls - Fuel Injectors, Fuel Composition, and High Pressure Controls





Fuel Controls - Fuel Pump Controls





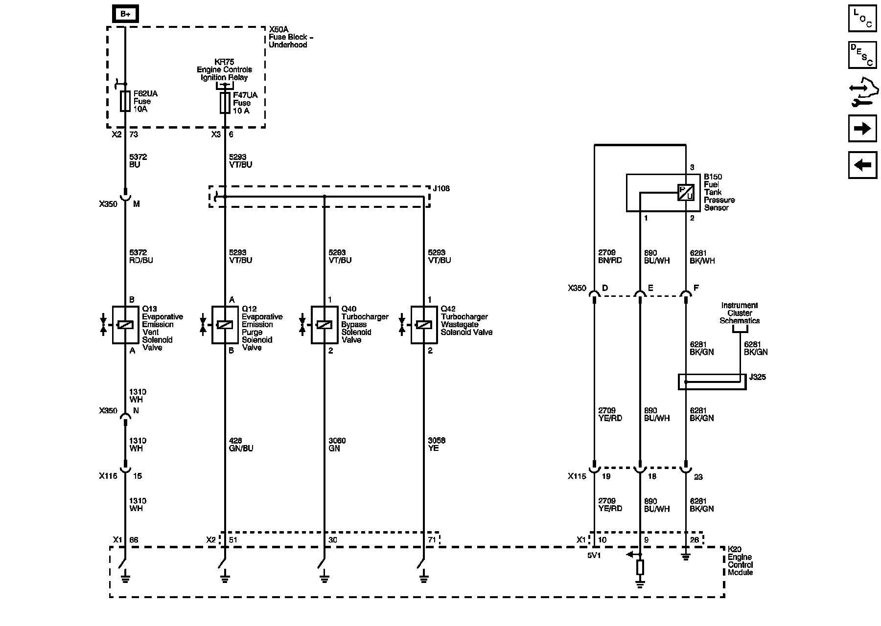
Fuel Controls - Evaporative Emissions and Turbocharger Controls





Controlled/Monitored Subsystem References