Operation CHARM: Car repair manuals for everyone.
Manuals through 2025 now available!

Our trusted friends have launched a new website named LEMON, which has newer manuals. It also contains all the CHARM manuals.

LEMON is the spiritual successor to CHARM, I recommend you try it!

Link: lemon-manuals.la or lemon-manuals.org.ua

(Some people have issue connecting. LEMON is investigating. For now, use Firefox or change your DNS server)

Or, hide this message: temporarily or permanently

Power Distribution Schematics





Power Distribution Schematics

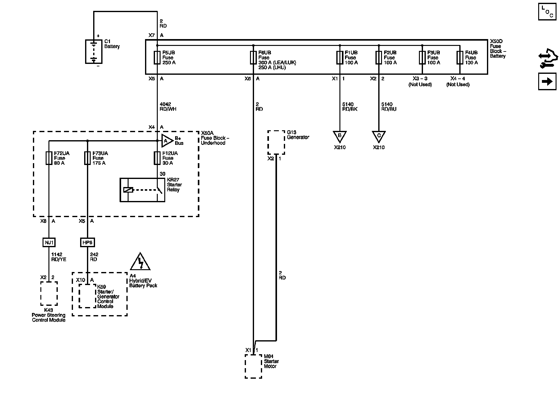
B+ Bus - X50D Fuse Block - Battery (except CZ2)





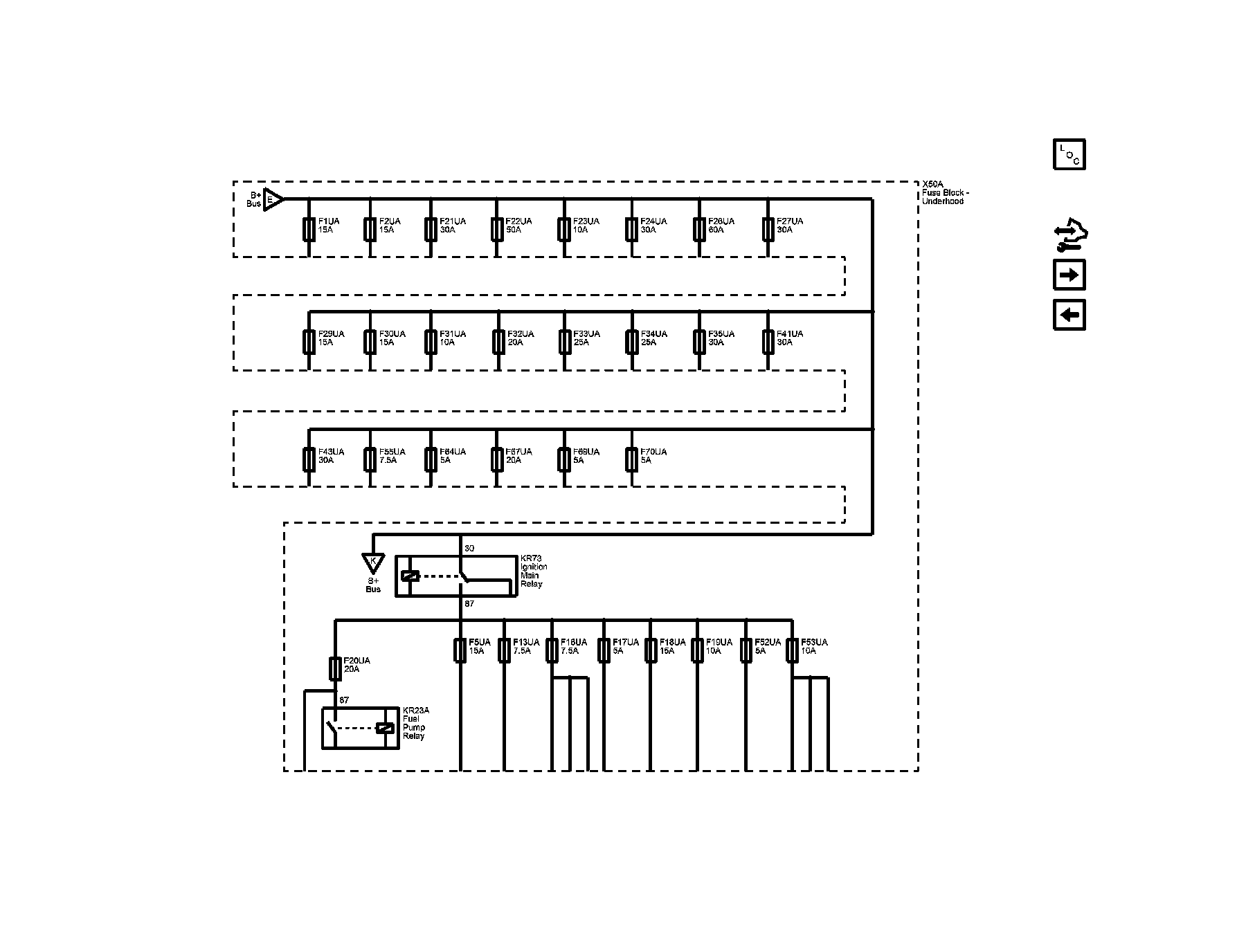
B+ Bus - X50A Fuse Block - Underhood (1 of 3)(except CZ2)





B+ Bus - X50A Fuse Block - Underhood (2 of 3)(except CZ2)





B+ Bus - X50A Fuse Block - Underhood (3 of 3)(except CZ2)





B+ Bus - Fuse Block - Battery (CZ2)





B+ Bus (1 of 3)(CZ2)





B+ Bus (2 of 3)(CZ2)





B+ Bus (3 of 3)(CZ2)





Ignition Switch (without BTM)(except CZ2)





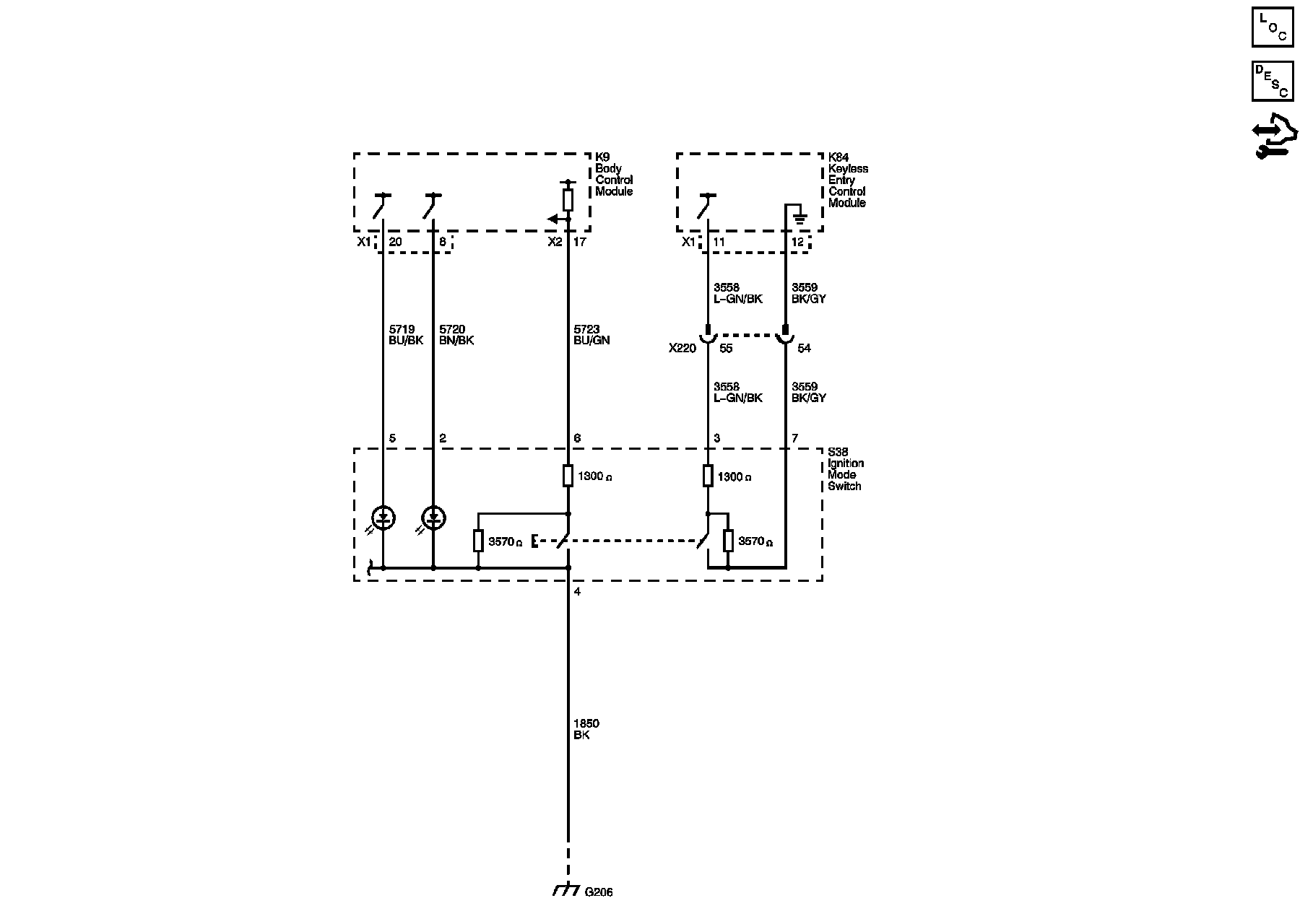
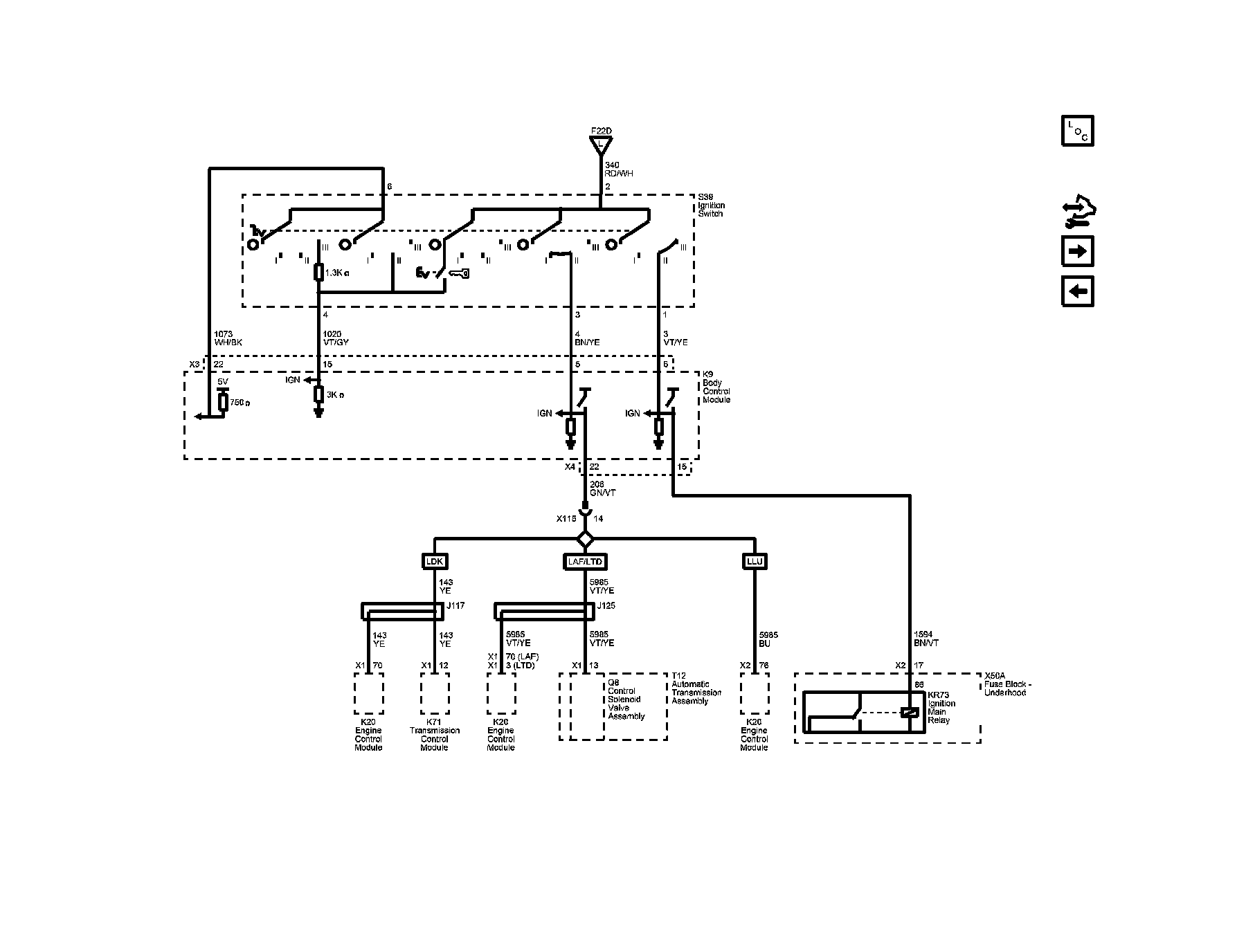
Ignition Mode Switch (with BTM)(except CZ2)





Ignition Switch (without BTM)(CZ2)





Ignition Switch (with BTM)(CZ2)





F1UA, F2UA, F7UA, F14UA, F22UA, F23UA, F26UA, F29UA, and F30UA Fuses (except CZ2)





F25UA, F27UA, F34UA, F36UA, F39UA, F40UA, F41UA, F43UA, F55UA, F62UA, F67UA, and F71UA Fuses (except CZ2)





F21UA, F24UA, F31UA, F32UA, F33UA, F35UA, and F69UA Fuses (except CZ2)





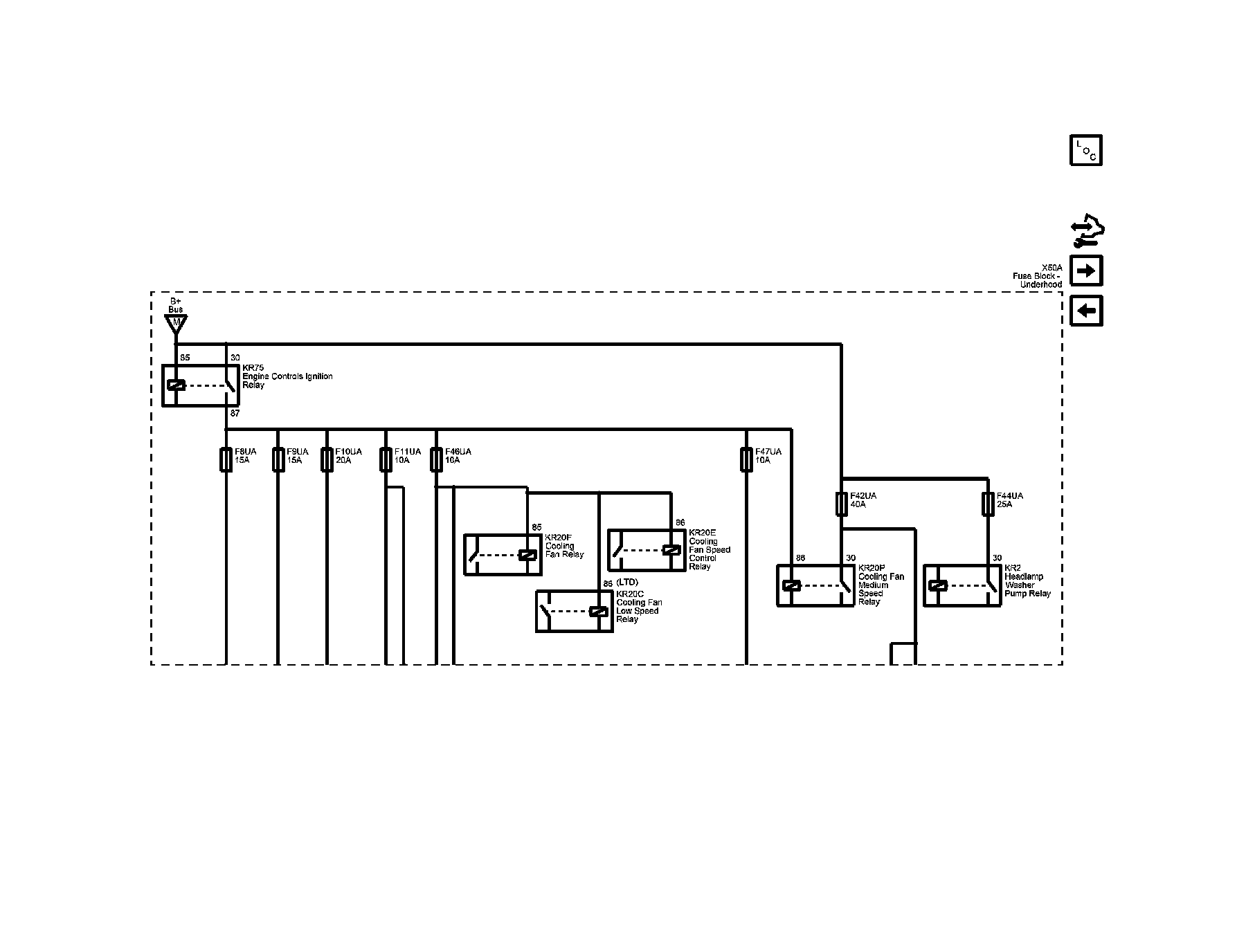
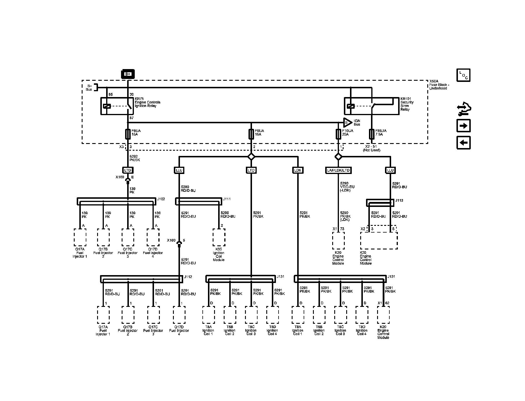
F8UA, F9UA, F10UA and F11UA Fuses (except CZ2)





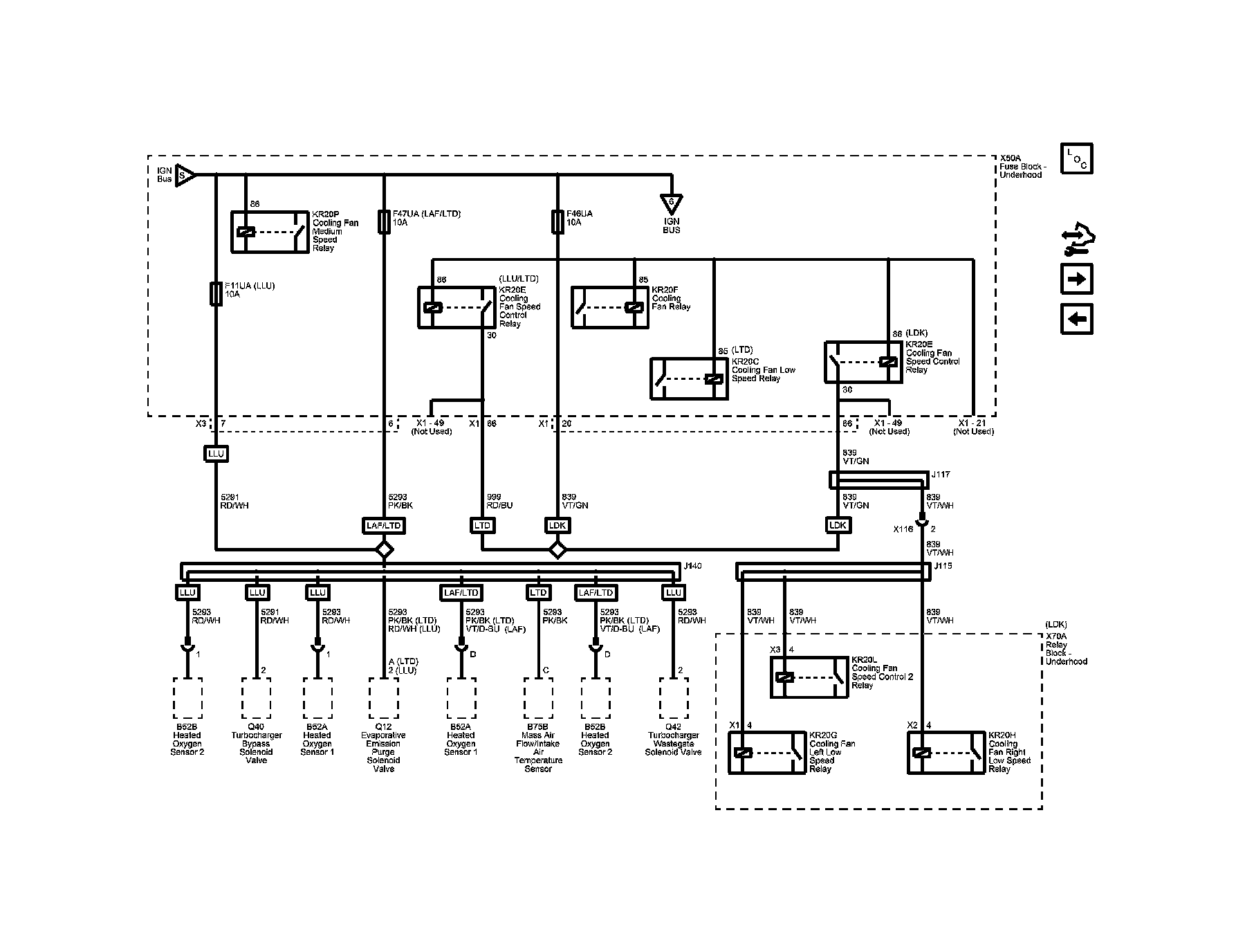
F46UA and F47UA Fuses (except CZ2)





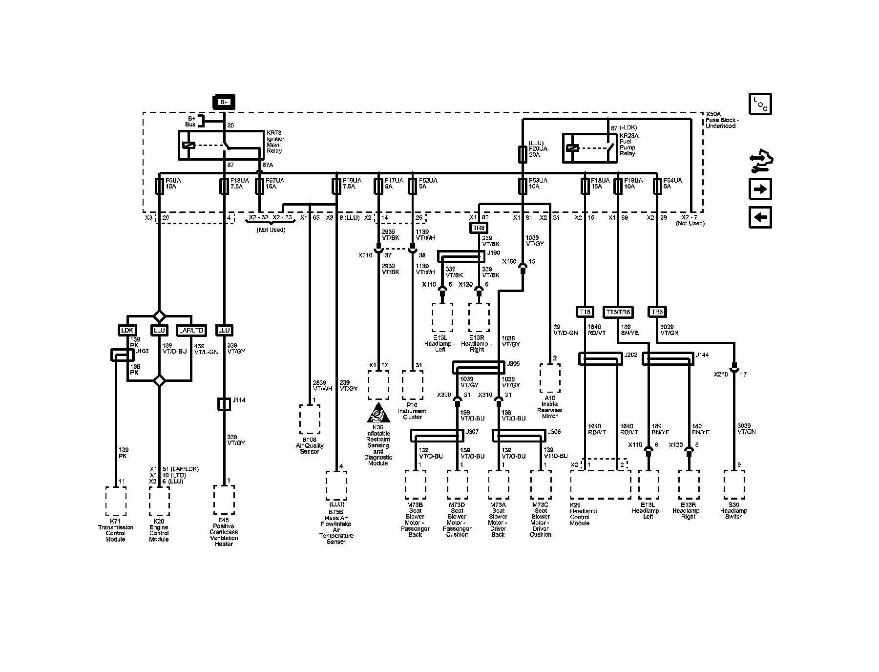
F5UA, F13UA, F16UA, F17UA, F18UA, F19UA, F20UA, F52UA, F53UA, F54UA, and F57UA Fuses (except CZ2)





F3UA, F11UA, F64UA, and F73UA Fuses (except CZ2)





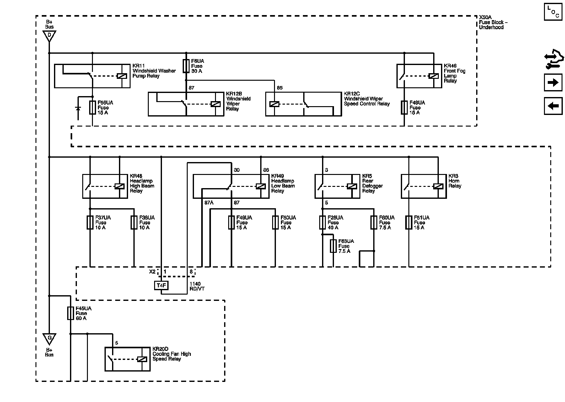
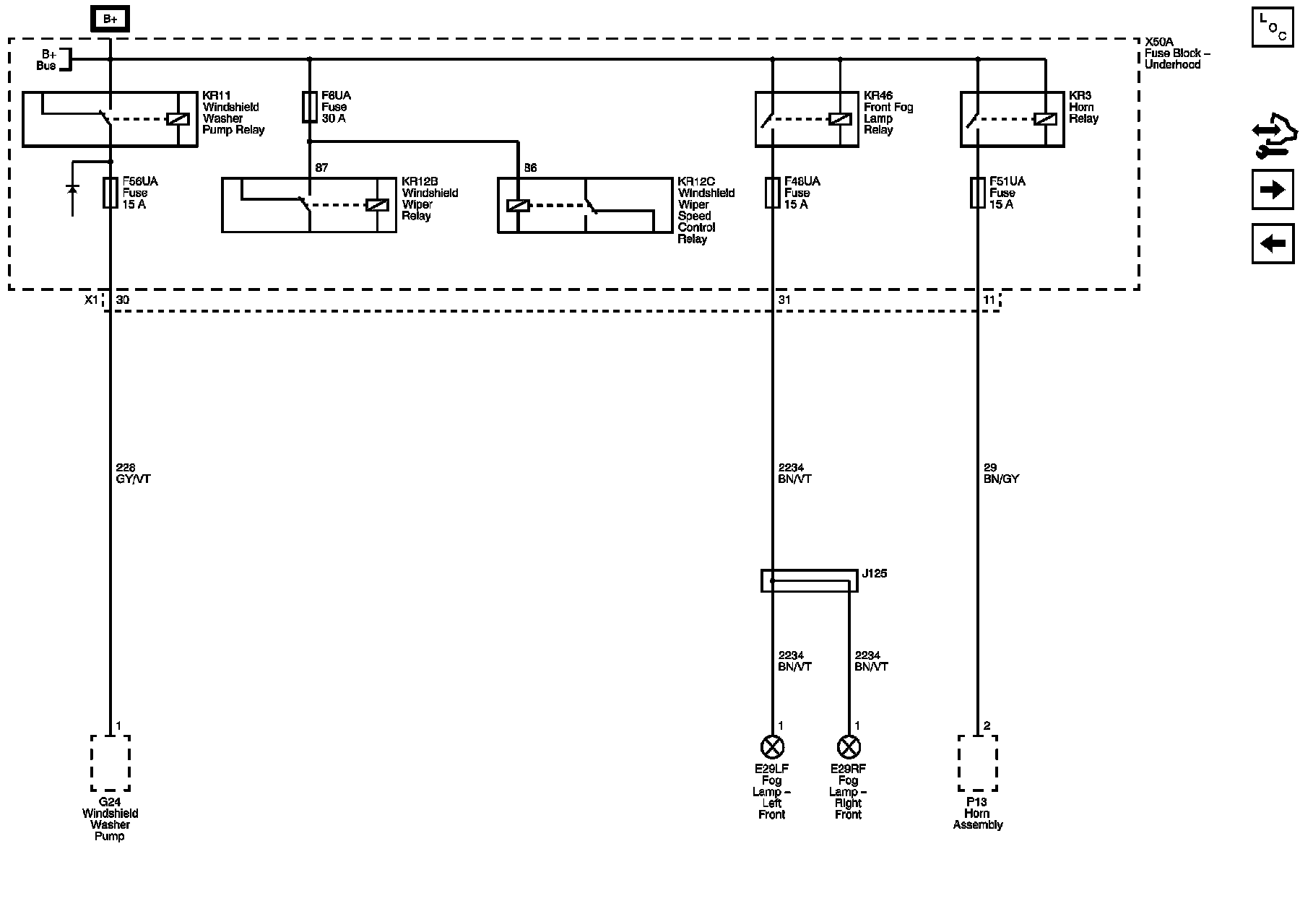
F6UA, F48UA, F51UA, and F56UA Fuses (except CZ2)





F28UA, F42UA, F45UA, F60UA, and F63UA Fuses (except CZ2)





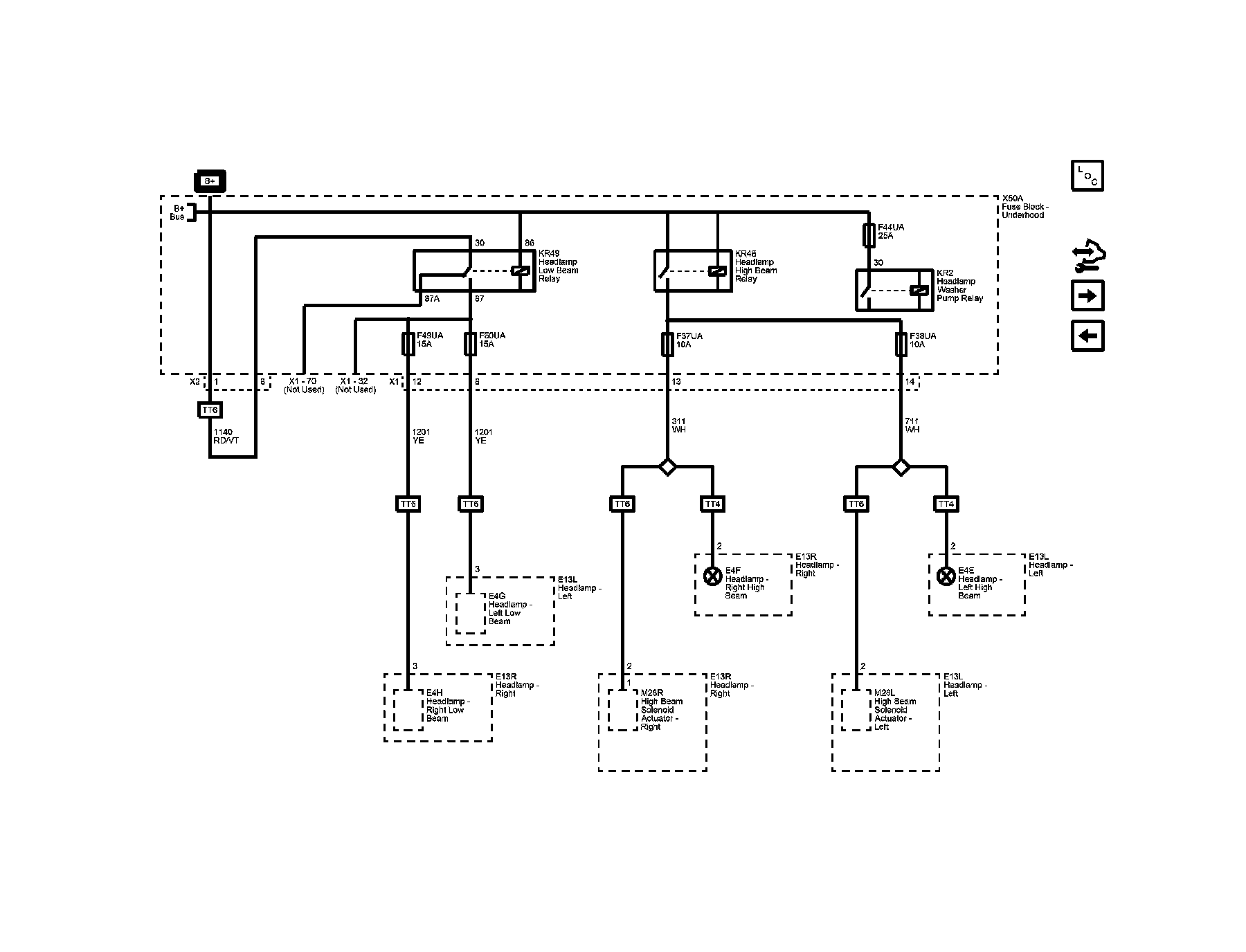
F37UA, F38UA, F49UA, and F50UA Fuses (except CZ2)





F14DA, F15DA, F16DA, F17DA, F18DA, F19DA, F20DA, F21DA, F22DA, F23DA, F24DA, F25DA, and F26DA Fuses (except CZ2)





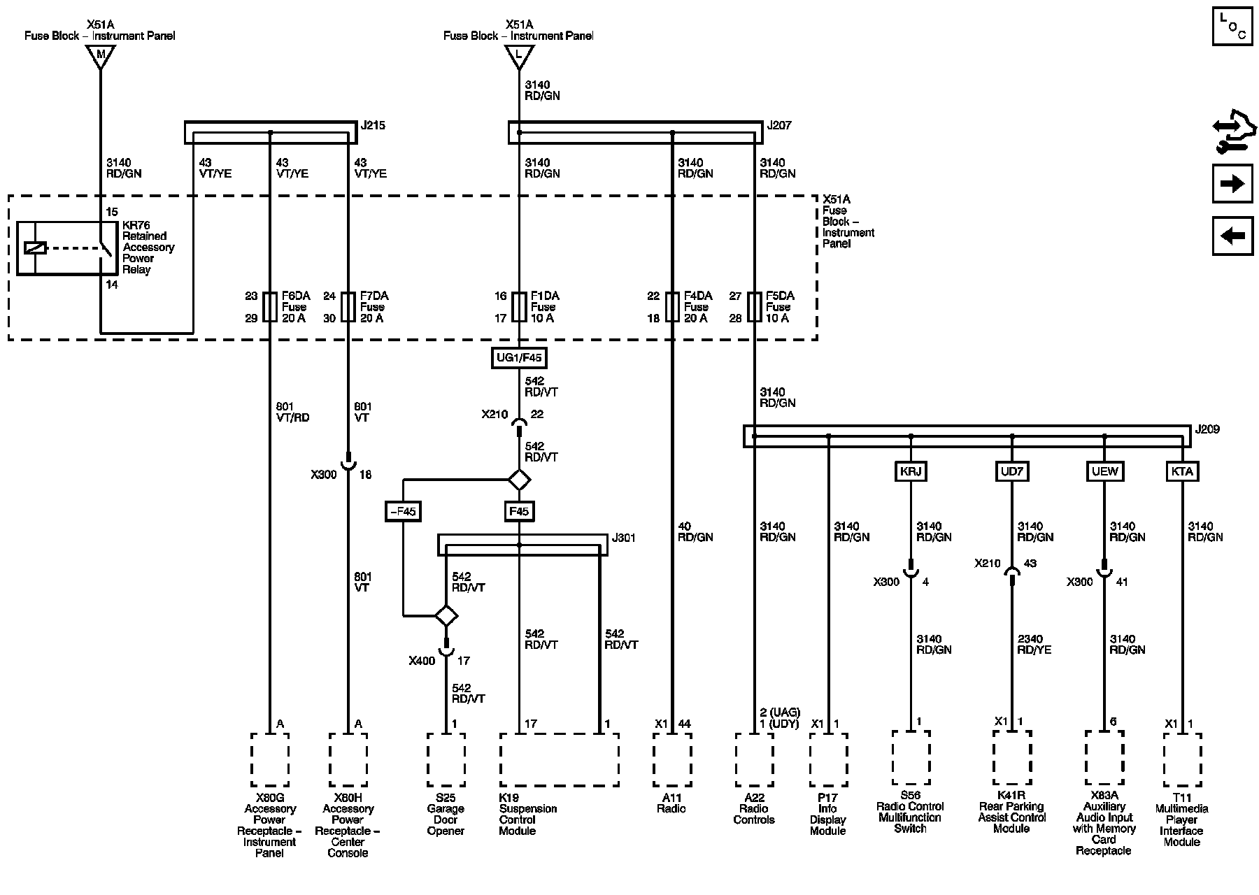
F1DA, F4DA, F5DA, F6DA, and F7DA Fuses (except CZ2)





F2DA, F3DA, F8DA, F9DA, F10DA, and F11DA Fuses, F12DA and F13DA Circuit Breakers (except CZ2)





F1UA, F2UA, F3UA, F4UA, F7UA, F14UA, F22UA, F23UA, F26UA, F29UA, F30UA, and F31UA Fuses (CZ2)





F25UA, F27UA, F34UA, F36UA, F39UA, F40UA, F41UA, F43UA, F55UA, F62UA, F64UA, F67UA, and F71UA Fuses (CZ2)





F21UA, F24UA, F32UA, F33UA, F35UA, F69UA, and F70UA Fuses (CZ2)





F5UA, F13UA, F16UA, F17UA, F18UA, F19UA F20UA, F30UA, F52UA, F53UA, F54UA, and F57UA Fuses (CZ2)





F28UA, F42UA, F45UA, F61UA, and F63UA Fuses (CZ2)





F6UA, F48UA, F51UA, and F56UA Fuses (CZ2)





F37UA, F38UA, F44UA, F49UA and F50UA Fuses





F8UA, F9UA, F10UA, and F65UA Fuses (CZ2)





F11UA, F46UA, and F47UA (LAF or LTD) Fuses (CZ2)





F47UA Fuse (LDK)(CZ2)





F14DA, F15DA, F17DA, F18DA, F19DA, F20DA, F21DA, F22DA, F23DA, F24DA, F25DA, and F26DA Fuses (CZ2)





F1DA, F4DA, F5DA, F6DA, F7DA, and F16DA Fuses (CZ2)





F2DA, F3DA, F8DA, F9DA, F10DA, and F11DA Fuses, and F12DA, F13DA Circuit Breakers (CZ2)