Operation CHARM: Car repair manuals for everyone.
Manuals through 2025 now available!

Our trusted friends have launched a new website named LEMON, which has newer manuals. It also contains all the CHARM manuals.

LEMON is the spiritual successor to CHARM, I recommend you try it!

Link: lemon-manuals.la or lemon-manuals.org.ua

(Some people have issue connecting. LEMON is investigating. For now, use Firefox or change your DNS server)

Or, hide this message: temporarily or permanently

Tools - Special Service Tools

Bulletin No. I 83-23
File In Group 0
Number 17
Date Jan. '83
SPECIAL SERVICE TOOLS


For your convenience, Cadillac Service has compiled a list of special service tools designed to simplify a variety of repairs that are currently not included in the Essential Tool Program. This bulletin outlines the function, available source(s) and/or instructions for fabricating each of the listed special tools.

1. SPARK PLUG WIRE BOOT REMOVER

A spark plug wire boot remover tool provides an efficient means of removing a difficult or "frozen" silicone rubber boot from the plug insulator without damaging the wire-to-boot connection. Burroughs Tool and Equipment Company offers two versions of this tool:
BT-7901 and BT-7604. Similar tools are available also from other manufacturers.

2. BATTERY TEST ADAPTERS

Battery test adapters are available from several manufacturers. A list of known sources include: AC-Delco (ST-1201), Burroughs Tool and Equipment Company (BT-3572-2), and Snap-On Tool Company which has an adapter (YA-311) that is adaptable to both on-car and off-car testing.

3. BELT TENSIONING TOOL - PAST MODEL AND NON-HT4100 EQUIPPED VEHICLES

A new accessory drive belt tensioning tool, J-29661, has been released to allow belt tensioning service operations to be performed more easily and effectively. This tool is available from Kent-Moore.

This tool consists of a jackscrew and fixtures which allow it to be placed between two pulleys to provide the force necessary to obtain the specified belt tension. Two extensions providing three different lengths make it possible to use this tool on all engines used in Cadillacs (except HT4100) and most other engines.

Accessory drive belt life can be improved through the use of proper belt tension. The use of this tool in conjunction with belt tensioning gauge J-23600, the specified belt, and the belt tensions listed in the Cadillac Service Information Manuals can help to assure long belt life and prevent possible customer inconvenience.

4. COMPACT BELT TENSION GAUGE

A new compact belt tension gauge has been developed for use on transverse engines or on applications where a lack of space prevents the use of the current belt tension gauge J-23600.

This new gauge employs a self-cocking trigger mechanism which allows the user to apply the gauge where space is limited. Once the gauge is on the belt, push the trigger to release, and the pointer reads tension directly on the body of the gauge.

This gauge can be obtained through Kent-Moore J-29550.

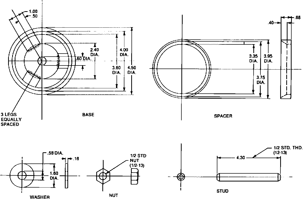
FIGURE 1 - TRANSMISSION HOLDING FIXTURE:




5. 125C TRANSMISSION FIXTURE - 1982 AND 1983 CIMARRONS

A transmission holding fixture that positively fixes the 125C transmission to a universal transmission jack is illustrated in Figure 1. This fixture is designed specifically for 125C transmission applications and can be constructed using the specifications included in Figure 1.
6. THERMAL VACUUM SWITCH REMOVER - ALL MODELS

Special sockets are available for removal of thermal vacuum switches (TVS), including those designed with vacuum ports on two sides of the switch body. Removal of the TVS, though not tightly installed, may at times be awkward without a specialized socket. SnapOn Tools markets a 1-1/4" deep socket (59840C) with a slot cut in one side and a 1" diagram hole opposite suited for TVS removal. Similar remover tools are available from other manufacturers.

FIGURE 2 - CONSTRUCTING A POWER STEERING PUMP HOLDING FIXTURE:




7. "NON-SUBMERGED" POWER STEERING PUMP FIXTURE - 1983 CIMARRONS

A power steering pump holding fixture, designed to be mounted in a vise, will provide a convenient method for holding the "non-submerged" style power steering pump during disassembly and assembly. Refer to Figure 2 for a plan for constructing this holding fixture.
8. SHOCK ABSORBER SHAFT SOCKET FOR BAYONET MOUNT NUT REMOVAL

A shock absorber shaft socket is available for removing the nut from the bayonet mount of shock absorbers. This bayonet design is typically found at the upper end of the front shocks on rear-wheel drive vehicles. The socket fits over the double flats of the shock absorber shaft, allowing the shaft to be rotated while the attaching nut is held stationary with a conventional wrench. A socket of this design is available from Kent-Moore Tool Corporation under No. J-25591 as well as other tool manufacturers.

FIGURE 3 - 8-3/4" C-CAR AXLE:




FIGURE 4 - FWD E/K FINAL DRIVE:




9. REAR AXLE AND FINAL DRIVE INNER PINION BEARING RACE REMOVAL FIXTURE - 8-3/4" C-CAR AXLE AND FWD E/K FINAL DRIVE (FIGURES 3 AND 4)

A fixture that permits the rear axle and the final drive inner pinion bearing race to be pulled out rather than removed with a slide hammer is shown in Figures 3 and 4. Used in conjunction with the Kent-Moore Race Remover (J-28512), the fixture permits removal of the bearing race by tightening the nut over the stud which connects the fixture to the "tall nut" on J-28512.
The above information is being forwarded as a matter of information only. There may be additional manufacturers of such equipment. Cadillac does not endorse, indicate any preference for, or assume any responsibility with respect to the products, equipment, or services mentioned therein or for any other such item which may be available from other sources.