Operation CHARM: Car repair manuals for everyone.
Manuals through 2025 now available!

Our trusted friends have launched a new website named LEMON, which has newer manuals. It also contains all the CHARM manuals.

LEMON is the spiritual successor to CHARM, I recommend you try it!

Link: lemon-manuals.la or lemon-manuals.org.ua

(Some people have issue connecting. LEMON is investigating. For now, use Firefox or change your DNS server)

Or, hide this message: temporarily or permanently

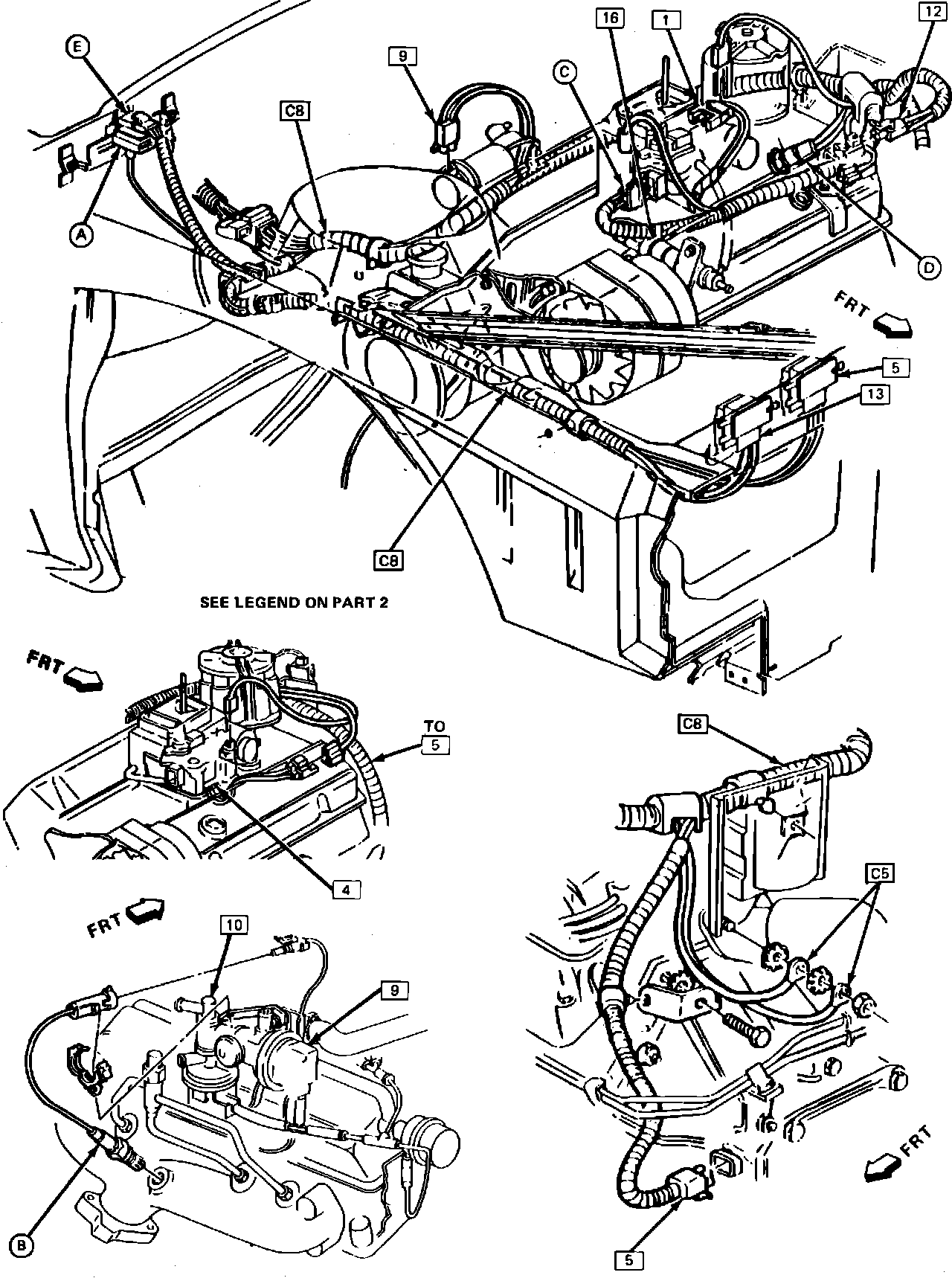
Emission Control Systems: Locations

Fig. 38a Emission Component Location. 1985-86 Models W/V6-173/2.8L, 2 Bbl. (Part 1 of 2):



Fig. 38b Emission Component Location. 1985-86 Models W/V6-173/2.8L, 2 Bbl. (Part 2 of 2):