Operation CHARM: Car repair manuals for everyone.
Manuals through 2025 now available!

Our trusted friends have launched a new website named LEMON, which has newer manuals. It also contains all the CHARM manuals.

LEMON is the spiritual successor to CHARM, I recommend you try it!

Link: lemon-manuals.la or lemon-manuals.org.ua

(Some people have issue connecting. LEMON is investigating. For now, use Firefox or change your DNS server)

Or, hide this message: temporarily or permanently

Oxygen Sensor: Testing and Inspection

Oxygen Sensor Check:




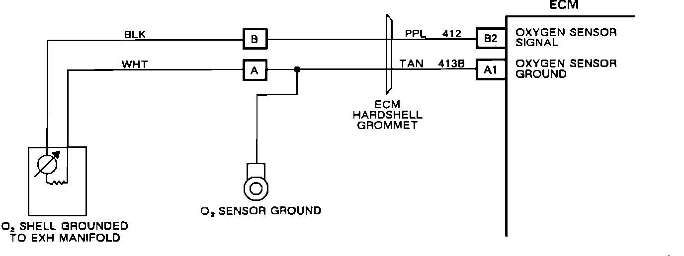
Oxygen Sensor Circuit:






DESCRIPTION:

The ECM provides a 0.45 volt reference to the oxygen sensor on CKT 412. When warm, a properly operating oxygen sensor will drive the 0.45 volt reference lower (below 0.45 volts) to indicate lean mixtures and higher (above 0.45 volts) to indicate a rich mixture. When the oxygen sensor is cold (below 200°C), the output voltage will be around 0.45 volts and the ECM will keep,the system in open loop operation. When the ECM sees that the oxygen sensor is varying from the cold voltage of 0.45 volt and the coolant sensor value is above 85°C, it will send the system into closed loop operation. In closed loop operation, the ECM will adjust the fuel delivery rate based on the oxygen sensor readings.

NOTES ON FAULT TREE:

1. The ECM compares voltage on CKT 412 to the ground voltage on CKT 413. It is essential that the oxygen sensor ground and ECM ground on pin A-1 show good continuity.

2. At key on with oxygen sensor disconnected, the Parameter EDO7 should read 0.45 volts (nominal). Lower or higher voltage indicates circuit problems.

3. At this point the Oxygen Sensor circuit between the 2-way connector (at the sensor) and the ECM, all the Oxygen Sensor grounds and the ECM are all functioning correctly and have good contact.

4. This series of tests will determine if a faulty reading is due to poor ground connections, circuit faults or problem with the ECM connection or ECM.