Operation CHARM: Car repair manuals for everyone.
Manuals through 2025 now available!

Our trusted friends have launched a new website named LEMON, which has newer manuals. It also contains all the CHARM manuals.

LEMON is the spiritual successor to CHARM, I recommend you try it!

Link: lemon-manuals.la or lemon-manuals.org.ua

(Some people have issue connecting. LEMON is investigating. For now, use Firefox or change your DNS server)

Or, hide this message: temporarily or permanently

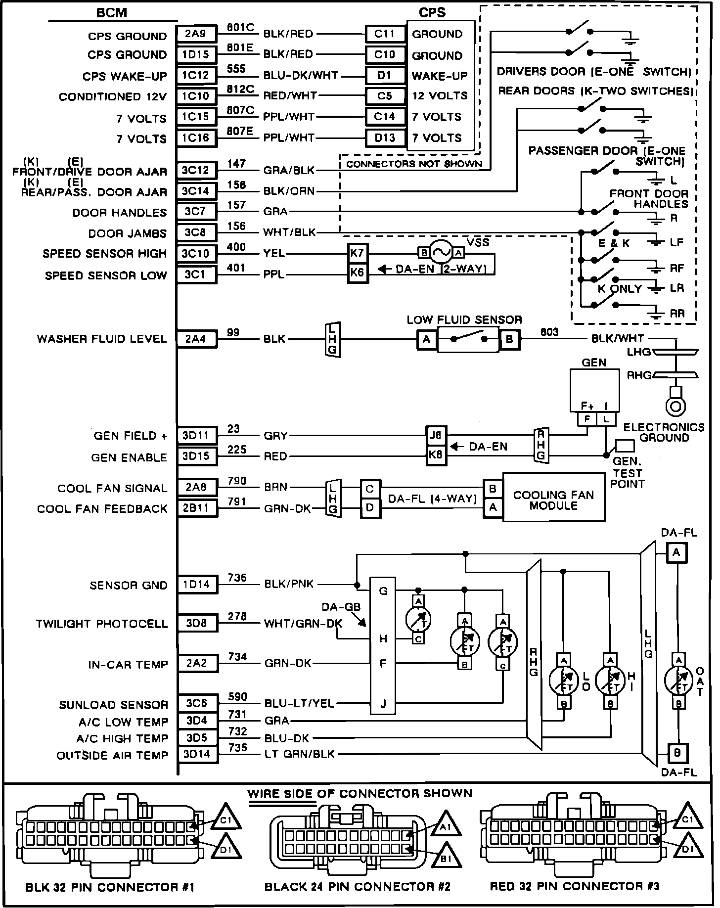
Body Control Module (BCM)

BCM Wiring Diagram (Part 1 Of 3):






2A9 = CPS Ground
1D15 = CPS Ground
1C12 = CPS Wake-Up
1C10 = Conditioned 12 Volt
1C15 = 7 Volts
1C16 = 7 Volts
3C12 = Front/Drive Door Ajar
3C14 = Rear/Passenger Door Ajar
3C7 = Door Handles
3C8 = Door Jambs
3C10 = Speed Sensor High
3C1 = Speed Sensor Low
2A4 = Washer Fluid Level
3D11 = Generator Field +
3D15 = Generator Enable
2A8 = Cool Fan Signal
2B11 = Cool Fan Feedback
1D14 = Sensor Ground
3D8 = Twilight Photocell
2A2 = In-Car Temperature
3C6 = Sunload Sensor
3D4 = A/C Low Temperature
3D5 = A/C High Temperature
3D14 = Outside Air Temperature



BCM Wiring Diagram (Part 2 Of 3):






1D12 = Courtesy Enable
1D11 = Hi Beam Enable
1D9 = Hi Beam Enable
1D13 = RAP Enable




BCM Wiring Diagram (Part 3 Of 3):






2B4 = Twilight Delay Input
3D12 = Instrument Panel Dim Input
2A5 = Courtesy Enable
2B7 = Parklamp Enable
2A11 = Radio Dim Output
2B5 = Data Line (UART)
2A12 = Inc. Dim Output
1D16 = 5 Volt Reference
1D14 = Sensor Ground
3D10 = Data Line (UART)
1D4 = Mix Door Feedback
1D10 = Blower Speed Control
1D7 = Ignition-3 Input
3C9 = Time Of Day Wake-Up
1C9 = Crank
3D16 = Low Refrigerator Pressure
3C4 = VSS Output
3C11 = Ignition 1
2B8 = Fuel Level