Operation CHARM: Car repair manuals for everyone.
Manuals through 2025 now available!

Our trusted friends have launched a new website named LEMON, which has newer manuals. It also contains all the CHARM manuals.

LEMON is the spiritual successor to CHARM, I recommend you try it!

Link: lemon-manuals.la or lemon-manuals.org.ua

(Some people have issue connecting. LEMON is investigating. For now, use Firefox or change your DNS server)

Or, hide this message: temporarily or permanently

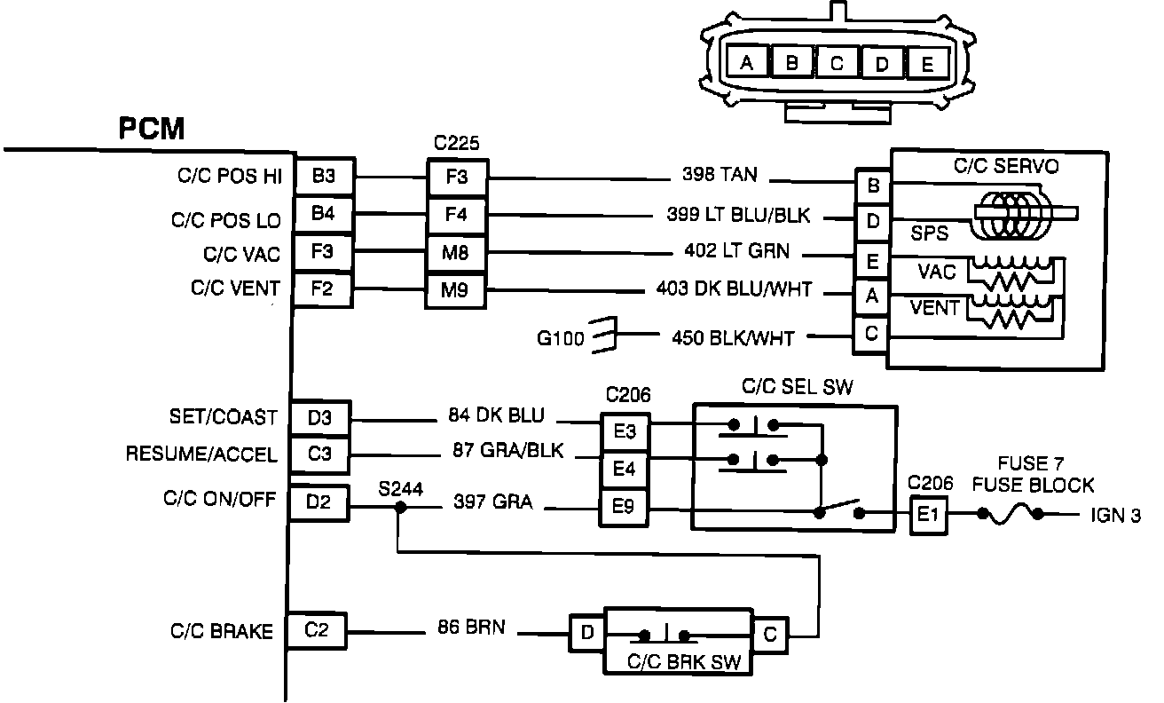
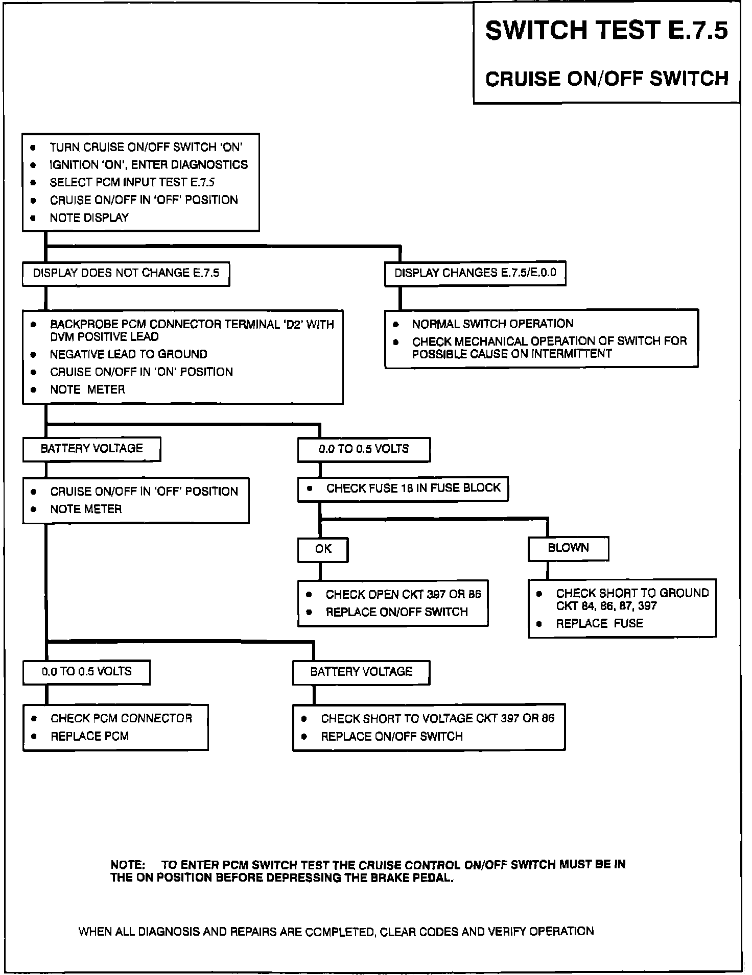
Input E.7.5 - Cruise Control on/Off Circuit

Diagnostic Chart.:




Pictorial View:








DISPLAY CONFIGURATION:

After .7.0 is displayed on the Fuel Data Center (FDC), the PCM/ECM switch test can be initiated by depressing the brake pedal when the brake pedal has been depressed the FDC will display E.7.0. AT this time the HI and LO buttons on the Electronic Climate Control (ECC) panel can be used to select the specific switch test. When a specific test has been selected and that switch activated, the display will alternately display the code for that test and E.0.0 to confirm the switch is working.

TEST DESCRIPTION:

This test detects the open and close of the cruise control switch mounted on the dash at terminal D2 of the PCM/ECM. This test should be performed before attempting tests E.7.6 and E.7.7. This test verifies that there is power to the switches and PCM/ECM.